Hyundai Elantra: система ESC (электронный контроль устойчивости) / принципиальные схемы

Схематические диаграммы

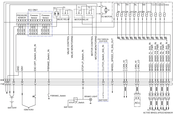
Терминал Функция

Номер провода
Обозначение
Текущий
Макс
мин
13
Земля для рециркуляционного насоса
39 А
10 А
1
Электропитание двигателя насоса
39 А
10 А
25
Электропитание электромагнитных клапанов
15 А
2 А
38
Масса для электромагнитных клапанов и ECU
15 А
2 А
22
Сигнал датчика скорости колеса (FL)
16,8 мА
5,9 мА
33
Подача напряжения на активный датчик скорости вращения колеса (RL)
16,8 мА
5,9 мА
19
Подача напряжения на активный датчик скорости вращения колеса (RR)
16,8 мА
5,9 мА
18
Питание активного датчика скорости вращения колеса (FR)
16,8 мА
5,9 мА
6
Сигнал датчика скорости колеса (FR)
16,8 мА
5,9 мА
14
C-CAN НИЗКИЙ
30 мА
20 мА
34
Подача напряжения на активный датчик скорости вращения колеса (FL)
16,8 мА
5,9 мА
20
Сигнал датчика скорости колеса (RL)
16,8 мА
5,9 мА
32
Напряжение для HECU (IGN)
1 А
500 мА
31
Сигнал датчика скорости колеса (RR)
16,8 мА
5,9 мА
30
Выключатель стоп-сигнала
10 мА
5 мА
26
C-CAN ВЫСОКАЯ
30 мА
20 мА
27
Выход датчика скорости колеса
Открытый сток
-
8
переключатель ESC
10 мА
5 мА
23
Переключатель сцепления (только МТ)
10 мА
5 мА
10
Выключатель стояночного тормоза
10 мА
5 мА
21
L-CAN НИЗКИЙ
30 мА
20 мА
9
L-CAN ВЫСОКАЯ
30 мА
20 мА

Описание и работа
Описание ЭСК У оптимальной безопасности вождения теперь есть имя: ESC, электронная программа стабилизации. ESC распознает критические условия вождения, такие как паника реакции в опасных ситуациях, ...
Процедуры ремонта
осмотр Прокачка системы ESC Эта процедура должна выполняться для обеспечения адекватного кровотечения. воздуха и наполнения блока ESC, тормозных магистралей и главного цилиндра с тормозной жидкостью. 1. Удалить т...
Дополнительная информация:

Hyundai Elantra AD (2016-2020) Руководство по техническому обслуживанию: Компоненты модуля подушки безопасности пассажира (PAB) и расположение компонентов
Компоненты 1. Подушка безопасности пассажира (PAB) ...

Руководство по эксплуатации Hyundai Elantra AD (2016–2020 гг.): с комплектом для перемещения шин (TMK, при наличии) — тип B
Для безопасной эксплуатации внимательно прочтите и следуйте инструкциям данного руководства. перед использованием. (1) Компрессор (2) Флакон с герметиком Комплект Tire Mobility Kit — это временное средство для фиксации шины, поэтому шину следует осмотреть. авторизованным дилером HYUNDAI как можно скорее. ОСТОРОЖНОСТЬ Один флакон с герметиком...