Hyundai Elantra: схемы автоматической коробки передач / блока управления коробкой передач (TCM)

Разъем TCM и функция терминала

Функция терминала TCM
Соединитель [А]
Соединитель [К]
Приколоть
Описание
Приколоть
Описание
А1
Электромагнитный клапан управления муфтой повышающей передачи
(ОД/К_ВФС)
К8
FLEXRAY COMM. Сигнал ВЫСОКИЙ
А5
Соленоид управления гидротрансформатором
(Т/КОН_ВФС)
К25
FLEXRAY COMM. Сигнал НИЗКИЙ
А6
Соленоид контроля давления (VFS-LINE)
К59
ККТ МОЖЕТ НИЗКИЙ
А7
26 электромагнитный клапан управления тормозом (26/B_VFS)
К60
МОЖЕТ (НИЗКИЙ)
А8
Сигнал включения ингибитора "S2"
К76
ККТ МОЖЕТ ВЫСОКАЯ
А9
Нижний переключатель спортивного режима
К77
МОЖЕТ (ВЫСОКАЯ)
А10
Переключатель спортивного режима вверх


А22
Электромагнитный клапан управления тормозом понижающей передачи
(УД/Б_ВФС)


А26
Электромагнитный клапан управления сцеплением 35R
(35R/C_VFS)


А27
Сигнал включения ингибитора "S1"


А30
Переключатель выбора спортивного режима


А43
Питание соленоида 1 (A1, A5, A26, A48)


А44
Соленоид питания 2 (A6, A7, A22, A47)


А45
Земля (питание)


А46
Земля (питание)


А47
Электромагнитный клапан ВКЛ/ВЫКЛ (SS-B)


А48
Электромагнитный клапан ВКЛ/ВЫКЛ A (SS-A)


А49
Датчик температуры масла (-)


А64
VB (напряжение батареи)


А68
Управление соленоидом блокировки переключения передач


А70
Сигнал включения ингибитора "S3"


А72
Входной сигнал датчика скорости


А73
Мощность датчика выходной скорости


А85
VB (напряжение батареи)


А91
Датчик температуры масла (+)


А92
Сигнал датчика выходной скорости


А93
Сигнал включения ингибитора "S4"


А94
Входная мощность датчика скорости



Входной/выходной сигнал терминала TCM
Приколоть
Описание
Состояние
Входное/выходное значение
Тип
Уровень
А1
Электромагнитный клапан управления муфтой повышающей передачи
(ОД/К_ВФС)
-
Выход
0 В/уровень напряжения батареи
9В < Уровень напряжения батареи < 16В
А5
Электромагнитный клапан управления гидротрансформатором
(Т/КОН_ВФС)
-
Выход
0 В/уровень напряжения батареи
9В < Уровень напряжения батареи < 16В
А6
Электромагнитный клапан контроля давления в линии
(LINE_VFS)
-
Выход
0 В/уровень напряжения батареи
9В < Уровень напряжения батареи < 16В
А7
26 электромагнитный клапан управления тормозом
(26/Б_ВФС)
-
Выход
0 В/уровень напряжения батареи
9В < Уровень напряжения батареи < 16В
А8
Сигнал включения ингибитора "S2"
Высокий
Вход
0 В/уровень напряжения батареи
Низкий
9В < Уровень напряжения батареи < 16В
А9
Нижний переключатель спортивного режима
Вниз по
Вход
0 В/уровень напряжения батареи
Другой
9В < Уровень напряжения батареи < 16В
А10
Переключатель спортивного режима вверх
На
Вход
0 В/уровень напряжения батареи
Другой
9В < Уровень напряжения батареи < 16В
А22
Электромагнитный клапан управления тормозом понижающей передачи
(УД/Б_ВФС)
-
Выход
0 В/уровень напряжения батареи
9В < Уровень напряжения батареи < 16В
А26
Электромагнитный клапан управления сцеплением 35R
(35R/C_VFS)
-
Выход
0 В/уровень напряжения батареи
9В < Уровень напряжения батареи < 16В
А27
Сигнал включения ингибитора "S1"
Высокий
Вход
0 В/уровень напряжения батареи
Низкий
9В < Уровень напряжения батареи < 16В
А30
Переключатель выбора спортивного режима
Спортивный режим
Вход
0 В/уровень напряжения батареи
Другой
9В < Уровень напряжения батареи < 16В
А43
Мощность соленоида 1
(А1, А5, А26, А48)

Власть
0 В/уровень напряжения батареи
9В < Уровень напряжения батареи < 16В
А44
Мощность соленоида 2
(А6, А7, А22, А47)

Власть
0 В/уровень напряжения батареи
9В < Уровень напряжения батареи < 16В
А47
Электромагнитный клапан ВКЛ/ВЫКЛ (SS-B)
Высокий
Выход
0 В/уровень напряжения батареи
Низкий
9В < Уровень напряжения батареи < 16В
А48
Электромагнитный клапан ВКЛ/ВЫКЛ A (SS-A)
Высокий
Выход
0 В/уровень напряжения батареи
Низкий
9В < Уровень напряжения батареи < 16В
А49
Датчик температуры масла (-)
-
Земля

А70
Сигнал включения ингибитора "S3"
Высокий
Вход
0 В/уровень напряжения батареи
Низкий
9В < Уровень напряжения батареи < 16В
А72
Входной сигнал датчика скорости
Высокий
Вход
0,7 В/1,4 В
Низкий
А73
Мощность датчика выходной скорости
НА
Власть
0 В/7,5 В
ВЫКЛЮЧЕННЫЙ
А91
Датчик температуры масла (+)
НА
Вход
0 В/3,3 В
ВЫКЛЮЧЕННЫЙ
А92
Сигнал датчика выходной скорости
Высокий
Вход
0,7 В/1,4 В
Низкий
А93
Сигнал включения ингибитора "S4"
Высокий
Вход
0 В/уровень напряжения батареи
Низкий
9В < Уровень напряжения батареи < 16В
А94
Входная мощность датчика скорости
НА
Власть
0 В/7,5 В
ВЫКЛЮЧЕННЫЙ

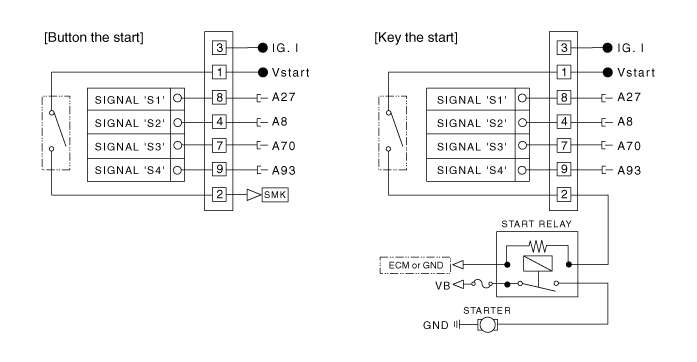
Принципиальная электрическая схема

[Переключатель ингибитора]

Модуль управления коробкой передач (TCM) Описание и работа
Описание • Контролирует условия эксплуатации автомобиля, чтобы определить оптимальную настройку передачи. • Выполняет переключение передач, если текущая настройка передачи отличается от идентифи...
Модуль управления коробкой передач (TCM) Процедуры ремонта
осмотр Проблема с модулем управления коробкой передач (TCM) Процедура проверки 1. ПРОВЕРКА ЦЕПИ МАССА TCM: Измерьте сопротивление между TCM и заземление шасси с помощью задней части разъема жгута проводов TCM и ...
Дополнительная информация:

Hyundai Elantra AD (2016-2020) Руководство по эксплуатации: Ограничения системы
Система Smart Cruise Control может иметь ограничения на определение расстояния. к идущему впереди транспортному средству из-за дорожных и дорожных условий. На кривых Система Smart Cruise Control может не обнаруживать движущееся транспортное средство на вашем пути. полосе, и тогда ваш автомобиль сможет разогнаться до заданной скорости. Также ...

Hyundai Elantra AD (2016-2020) Руководство по техническому обслуживанию: Процедуры ремонта крышки двигателя
Снятие и установка 1. Снимите кожух двигателя (А). • Во избежание повреждений снимайте кожух двигателя при комнатной температуре. • Во избежание повреждения кожуха двигателя не отсоединяйте одновременно переднюю и заднюю точки крепления. 2. Установить в рев...