Hyundai Genesis: схематические схемы системы охлаждения / охлаждающего вентилятора

Схема контура охлаждения

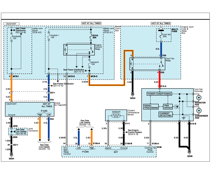
Технические характеристики охлаждающего вентилятора
Технические характеристики [Управление вентилятором охлаждения (ШИМ)] ПунктыХарактеристикиМаксимальное потребление тока нагрузки (12В)23,3 + 10% AВходЧастота связи300 ± 5%Рабочий10, 30 ~ 90 % Уровень напряженияHIболее 0,7 В ...
Процедуры ремонта охлаждающего вентилятора
Снятие и установка Вентилятор 1. Отсоедините клемму «-» аккумуляторной батареи от багажника. 2. Снимите воздушный фильтр в сборе. (См. Система впуска и выпуска — «Воздухоочиститель») 3 ...
Дополнительная информация:

Hyundai Genesis (DH) 2013-2016 Руководство по эксплуатации: Индикаторы


Электронная стабильность Индикатор управления (ESC) Свет Этот индикатор загорается: После того, как вы установите запуск/остановку двигателя кнопку в положение ON. - Загорается примерно на 3 секунд, а затем гаснет. При неисправности с система ЭСК. В этом случае ...

Hyundai Genesis (DH) 2013-2016 Руководство по техническому обслуживанию: Процедуры ремонта актуатора контроля температуры консоли


осмотр 1. Выключите зажигание. 2. Отсоедините разъем привода управления температурой консоли. 3. Убедитесь, что привод управления температурой консоли работает. в режим разморозки при подключении 12В к клемме 3 и заземлению терминал 4. Убедитесь, что консоль активна...