Hyundai Genesis: схематические схемы системы управления двигателем / ETC (электронного управления дроссельной заслонкой)

Hyundai Genesis (DH) 2013-2016 Руководство по ремонту / Управление двигателем/топливная система / Система управления двигателем / Принципиальные схемы системы ETC (электронного управления дроссельной заслонкой)

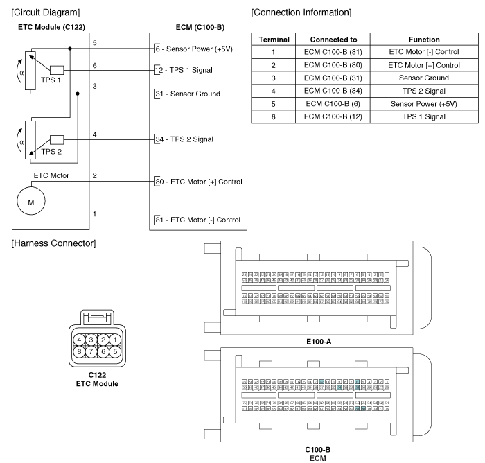
Принципиальная электрическая схема

Технические характеристики системы ETC (электронного управления дроссельной заслонкой)
Спецификация [Датчик положения дроссельной заслонки (TPS)] Угол дроссельной заслонки (°) Выходное напряжение (В) TPS1TPS200.54.5100.964.05201.413.59301.873.14402.322.68502.782.23603.231.77703.691.32804.140.86904.600.41984.65 0. ...
Процедуры ремонта системы ETC (электронного управления дроссельной заслонкой)
осмотр Если обороты холостого хода нестабильны или двигатель останавливается, проверьте работу модуля ETC с помощью диагностического прибора GDS. И при необходимости очистить нагар в корпусе дроссельной заслонки. 1. Подключить GDS к Data...
Дополнительная информация:

Hyundai Genesis (DH) 2013-2016 Service Manual: Компоненты и расположение компонентов


Расположение компонента 1. Фара (ближний свет/)2. Головной свет (высокий)3. Фара головного света (ДВУХФУНКЦИОНАЛЬНАЯ)4.Указатель поворота5. Боковой габаритный фонарь6. Габаритный фонарь (только для США) Габаритный фонарь и ДХО7. Лампа туалетного столика8. Лампа указателя поворота (наружное зеркало)9. Противотуманная фара10. Комнатный светильник (НЕ панорамный люк)11. Персональная лампа (Панорама Су ...

Hyundai Genesis (DH) 2013-2016 Руководство по техническому обслуживанию: Порядок ремонта


Удаление 1. Отсоедините отрицательный кабель аккумулятора от аккумулятора и подождите не менее 30 секунд. 2. Поверните рулевое колесо так, чтобы передние колеса находились в положении прямолинейного движения. 3. Снимите модуль подушки безопасности. (См. Система пассивной безопасности — «Модуль подушки безопасности водителя (DAB) и часы...