Hyundai Genesis: схемы IMS (встроенная система памяти) / блока сиденья с электроприводом памяти

Принципиальная электрическая схема

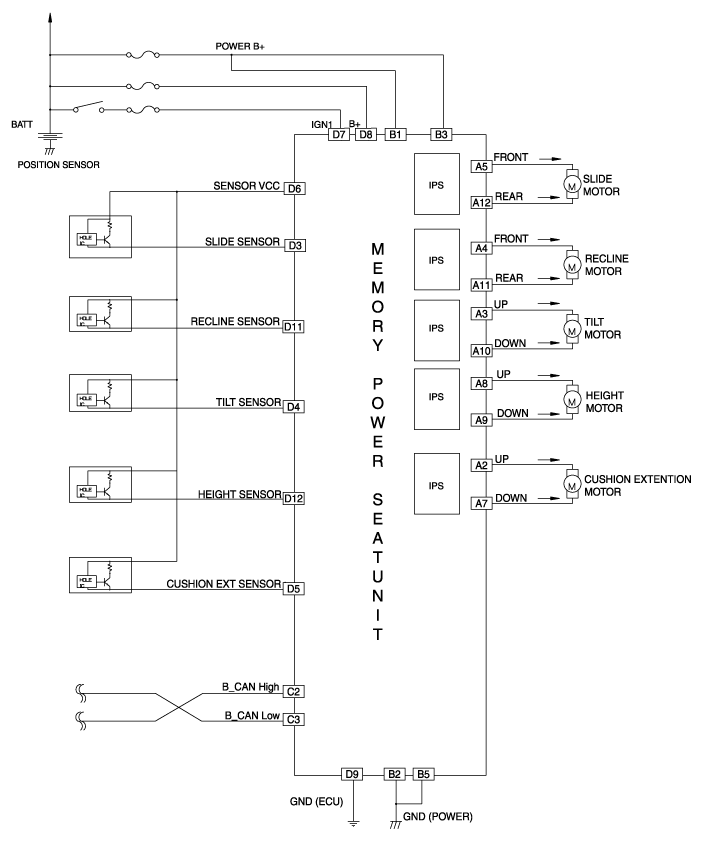
Сиденье с электроприводом и памятью Компоненты и расположение компонентов
Компоненты NOConnecter AConnecter BConnecter CConnecter D1-B+ (Питание) -- 2Мотор удлинителя подушки (Передняя)GND (Питание)B ​​CAN High-3Передний наклонный двигатель(UP)B+ (Power)B CAN LowSlide Датчик Холла4Задний мотор(Fr ...
Блок сиденья с электроприводом с памятью Процедуры ремонта
Удаление 1. Отсоедините отрицательную (-) клемму аккумуляторной батареи. 2. Снимите переднее сиденье. (См. Кузов — «Переднее сиденье в сборе») 3. Меню настроек драйвера (USM) выключено, 4. Ослабьте крепление...
Дополнительная информация:

Hyundai Genesis (DH) 2013-2016 Руководство по техническому обслуживанию: Переключатель стеклоочистителя-омывателя ветрового стекла Процедуры ремонта


Удаление 1. Отсоедините отрицательную (-) клемму аккумуляторной батареи. 2. Снимите верхний кожух рулевой колонки (А). (См. Кузов — «Панель кожуха рулевой колонки») 3. Отсоедините разъем многофункционального переключателя (А). 4. Снимите переключатель стеклоочистителей (А), нажав на стопорный штифт (В). &н...

Hyundai Genesis (DH) 2013-2016 Service Manual: Технические характеристики


Спецификация ПунктТип лампыМощность лампы (Вт)Передняя фара (галогенная)LowH1155HighHB360Фарма фара (HID)LowD1S35HighBI-Function-Передний указатель поворотаLED / PY28WLED / 28Контурный фонарьLEDLEDПередний противотуманный фонарьLEDLEDУказатель поворота на дверном зеркалеLEDLEDRЗадний верхний стоп-сигналLEDLEDУказатель поворота28/8 Н/Д/...