Hyundai Genesis: электрические схемы стеклоочистителя/омывателя/датчика дождя

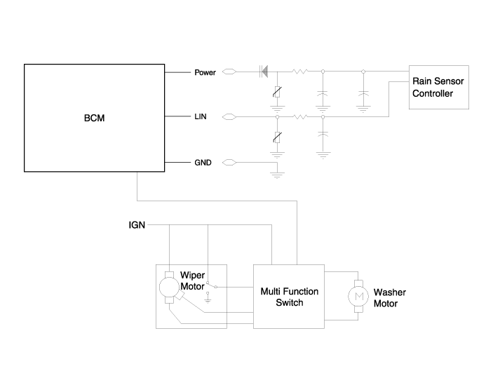
Принципиальная электрическая схема

Компоненты датчика дождя и расположение компонентов
Компоненты и расположение компонентов 1. Датчик горизонтальной освещенности2. Вертикальный датчик освещенности3. Датчик солнечной нагрузки4. Датчик дождя - левый5. Датчик дождя - правый ...
Описание и работа датчика дождя
Описание Встроенный датчик дождя Встроенный датчик дождя (А) управляет тремя системами: передним стеклоочистителем, автоматическим освещением и центральным кондиционером. 1. Система управления дворниками Когда сигнал переключателя «AUTO» я ...
Дополнительная информация:

Hyundai Genesis (DH) 2013-2016 Service Manual: Специальные сервисные инструменты


Специальные сервисные инструменты Название/номер инструментаИллюстрацияОписание09561-11001Съемник рулевого колесаСнятие рулевого колеса09568-2J100Съемник шаровых шарнировСнятие шарового шарнира ...

Hyundai Genesis (DH) 2013-2016 Руководство по обслуживанию: Процедуры ремонта аккумуляторной батареи


Удаление 1. Отсоедините разъем датчика аккумуляторной батареи (А), отрицательную клемму (В) и положительную клемму (С) аккумуляторной батареи. 2. Отсоедините разъем вентиляционного шланга (А) от вентиляционного отверстия аккумуляторной батареи. 3. Снимите монтажный кронштейн (A), а затем снимите аккумулятор (B). Монтаж 1. Установить в т ...