Hyundai Genesis: электрические схемы сидений / обогреватели сидений

Принципиальная электрическая схема

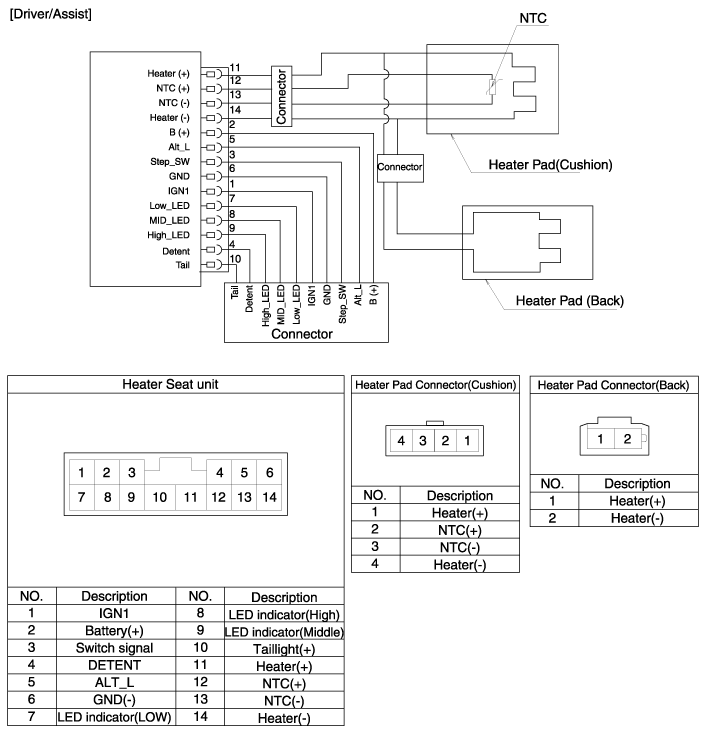
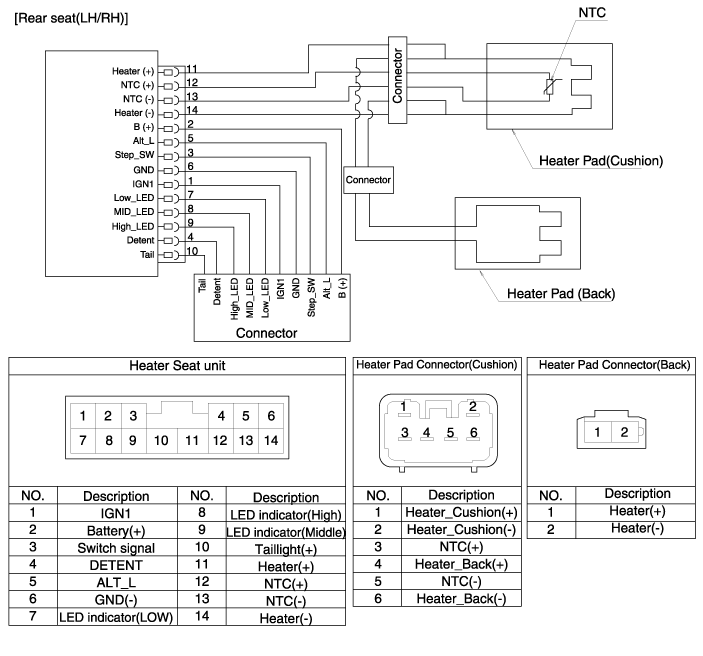
Обогреватель сиденья Компоненты и расположение компонентов
Расположение компонента ...
Подогрев сидений Процедуры ремонта
осмотр Подогрев переднего сиденья 1. Проверьте непрерывность и измерьте сопротивление между клеммами. Стандартное значение (ткань/кожа) Водитель/Ассисты (подушка + спина): 1,63±10% 2. Оп...
Дополнительная информация:

Hyundai Genesis (DH) 2013-2016 Руководство по техническому обслуживанию: Процедуры ремонта топливного насоса


Удаление 1. Сбросьте остаточное давление в топливопроводе. (См. Система подачи топлива — «Сбросьте остаточное давление в топливопроводе») 2. Сложите подушку заднего сиденья. 3. Снимите сервисную крышку топливного насоса (A) как на самом высоком (H), так и на самом низком (L) уровне поплавка. 4. Отсоединяем бензонасос...

Hyundai Genesis (DH) 2013-2016 Руководство по эксплуатации: Система контроля давления в шинах


Каждая шина, включая запасную (если имеется), надо проверять ежемесячно когда холодно и накачано до инфляции рекомендуемое автомобилем давление производитель на табличке автомобиля или табличка с указанием давления в шинах. (Если на вашем автомобиле установлены шины другого Размер, чем указанный размер ...