Hyundai Genesis: схематические схемы системы смарт-ключа / блока смарт-ключа

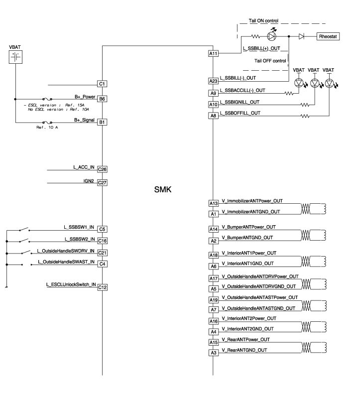
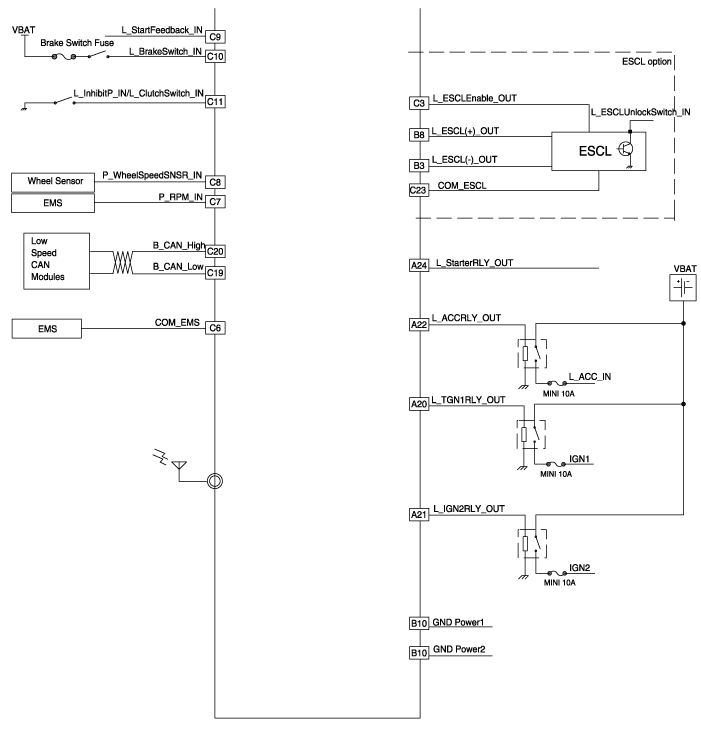
Принципиальная электрическая схема

Компоненты блока смарт-ключа и расположение компонентов
Компоненты (1) NO.Разъем AРазъем BРазъем C1Антенна иммобилайзера GNDB+IGN2 вход2Антенна бампера GND??3Антенна багажника GNDESCL GRN ESCL включить выход4Внутренняя антенна 2 GND?Вспомогательная дверь, но ...
Процедуры ремонта блока смарт-ключа
Удаление Блок смарт-ключа 1. Отсоедините отрицательную (-) клемму аккумуляторной батареи. 2. Снимите нижнюю панель подушки безопасности водителя. (См. Кузов — «Нижняя панель аварийной площадки») 3. Снимите блок смарт-ключа...
Дополнительная информация:

Hyundai Genesis (DH) 2013-2016 Service Manual: Компоненты и расположение компонентов


Компоненты 1. Поршневое кольцо2. Поршень3. Соединительный стержень4. Верхний подшипник шатуна5. Поршневой палец6. Нижний подшипник шатуна7. Крышка шатунного подшипника8. Отбойная пластина9. Верхний масляный поддон10. Блок цилиндров 11. Стопорное кольцо12. Сепаратор водяной рубашки 1#13. Сепаратор водяной рубашки 2# 1. Болт пробки 2...

Hyundai Genesis (DH) 2013-2016 Руководство по техническому обслуживанию: Порядок ремонта блока отопителя


Замена 1. Отсоедините отрицательную (-) клемму аккумуляторной батареи. 2. Восстановите хладагент с помощью станции восстановления/переработки/зарядки. 3. Когда двигатель остынет, слейте охлаждающую жидкость двигателя из радиатора. (См. Механическая система двигателя — «Охлаждающая жидкость») 4. Снимите кожух, чтобы...