Hyundai Genesis: система запуска / принципиальные схемы стартера

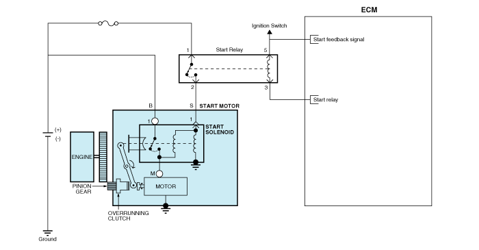
Принципиальная электрическая схема

Начальные компоненты и расположение компонентов
Компоненты 1. Передний кронштейн2. Вал планетарной передачи в сборе3. Рычаг4. Упаковка рычага5. Магнитный переключатель6. Планетарная передача7. Щит8. Сборка арматуры9. Йоркская сборка10. Узел щеткодержателя11. Задний кронштейн...
Порядок ремонта стартера
Удаление 1. Выключите зажигание и отсоедините отрицательный (-) кабель аккумуляторной батареи. 2. Снимите правый коллектор двигателя. (См. Механическая система двигателя — «Выпускной коллектор») 3. Удалить т...
Дополнительная информация:

Hyundai Genesis (DH) 2013-2016 Руководство по эксплуатации: Перед запуском


Убедитесь, что капот, багажник и двери надежно закрыты и заблокирован. Отрегулируйте положение сиденья и руль. Отрегулировать внутри и снаружи зеркала заднего вида. Убедитесь, что все огни работают. Пристегните ремень безопасности. Убедитесь, что все пассажиры пристегнули ...

Hyundai Genesis (DH) 2013-2016 Руководство по техническому обслуживанию: Процедуры ремонта двигателя сиденья с электроприводом


осмотр Мотор сиденья с электроприводом 1. Отсоедините разъемы для каждого двигателя. 2. Когда на разъем двигателя подается питание от батареи, проверьте плавность работы двигателя. 3. Поменяйте местами соединения и убедитесь, что двигатель вращается в обратном направлении. 4. Если двигатель работает ненормально, замените ...