Hyundai Genesis: схемы системы контроля давления в шинах / приемника TPMS

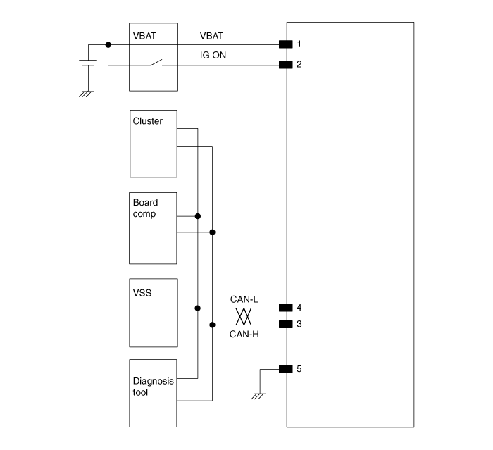
Принципиальная электрическая схема
1.
Принципиальная электрическая схема

2.
Клеммы разъема приемника.

3.
Функция разъема приемника.
Нет
Функция
Описание
1
Батарея
ВБАТ
2
ЗАЖИГАНИЕ ВКЛЮЧЕНО
Аккумулятор к IG ON
3
CAN_High
CAN_High
4
CAN_Низкий
CAN_Низкий
5
Земля
Батарея на землю
6
-
-

Описание и работа приемника TPMS
Описание 1. Функция Система TPMS контролирует давление и температуру шин. и предупреждает водителя об изменениях, которые потенциально могут повлиять на вождение условия. Предупреждение кластера...
Процедуры ремонта приемника TPMS
Замена 1. Отсоедините отрицательный (-) кабель аккумуляторной батареи. 2. Снимите аварийную подушку. (Обратитесь к разделу «Тело» — «Аварийная площадка») 3. Снимите разъем. 4. Снимите кронштейн (B) и ресивер (C),...
Дополнительная информация:

Hyundai Genesis (DH) 2013-2016 Руководство по техническому обслуживанию: Процедуры ремонта электромагнитного клапана управления 6-ступенчатой ​​муфтой


осмотр 1. Выключите зажигание. 2. Отсоедините разъем электронного модуля. 3. Измерьте сопротивление между клеммами электромагнитного клапана. 4. Убедитесь, что сопротивление находится в пределах спецификации. ...

Hyundai Genesis (DH) 2013-2016 Руководство по обслуживанию: Компоненты балки заднего бампера в сборе и расположение компонентов


Расположение компонента 1. Балка заднего бампера в сборе ...