Hyundai i-20 manuels

Hyundai i-20 (GB) 2014-2023 Автосервис Руководство: Схемы схемы

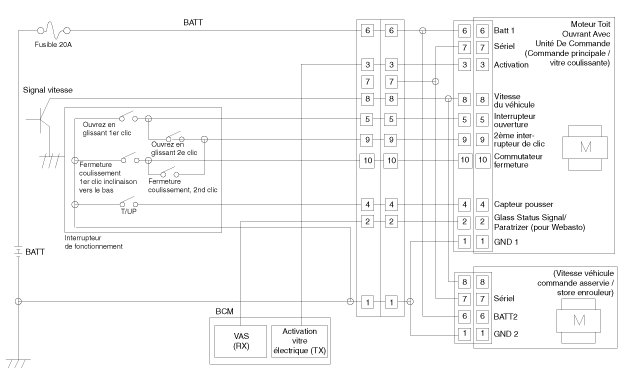
Принципиальная электрическая схема

ИНФОРМАЦИЯ О ШТЫРНОМ РАЗЪЕМЕ
НЕТ
Разъем жгута проводов
мотор панорамной крыши
солнцезащитный мотор

1
масса
масса
масса
2
Сигнал состояния стекла/инструмента
Сигнал состояния стекла/инструмента
-
3
ПОЗВОЛЯТЬ
ПОЗВОЛЯТЬ
-
4
Переключатель наклона вверх
Переключатель наклона вверх
-
5
Переключатель открыт
Переключатель открыт
-
6
АККУМУЛЯТОР
АККУМУЛЯТОР
АККУМУЛЯТОР
7
-
LIN-связь
LIN-связь
8
СИГНАЛ СКОРОСТИ АВТОМОБИЛЯ
СИГНАЛ СКОРОСТИ АВТОМОБИЛЯ
СИГНАЛ СКОРОСТИ АВТОМОБИЛЯ
9
2-й щелчок переключателя
2-й щелчок переключателя
-
10
Замыкающий переключатель
Замыкающий переключатель
-

Компоненты и расположение компонентов
РАСПОЛОЖЕНИЕ КОМПОНЕНТОВ 1. Панорамный люк 2. Переключатель панорамного люка 3. Мотор панорамного люка и контроллер 4. ...

Компоненты переключателя панорамного люка и их расположение
КОМПОНЕНТЫ ...
Другие материалы:

Процедуры ремонта турбокомпрессора и выпускного коллектора
Снятие и установка 1. Снимите корпус двигателя. (См. Двигатель и коробка передач — «Крышка двигателя») 2. Снимите нижнюю крышку моторного отсека. (См. Двигатель и трансмиссия...

Общая информация
идентификационный номер ОПИСАНИЕ ИДЕНТИФИКАЦИОННОГО НОМЕРА ИДЕНТИФИКАЦИОННЫЙ НОМЕР ТРАНСПОРТНОГО СРЕДСТВА 1. Международный идентификатор производителя (WMI) - НЕИСПРАВНОСТЬ: легковой автомобиль или MPV (многофункциональный пассажирский автомобиль)/внедорожник (...