Hyundai i-20 manuels

Hyundai i-20 (GB) 2014-2023 Руководство по автосервису: Схемы-схемы переключателя стеклоподъемников

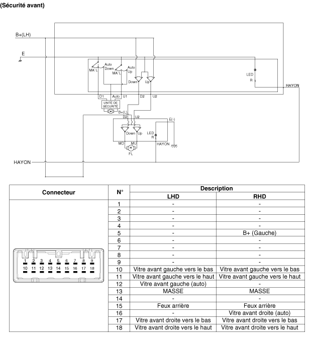
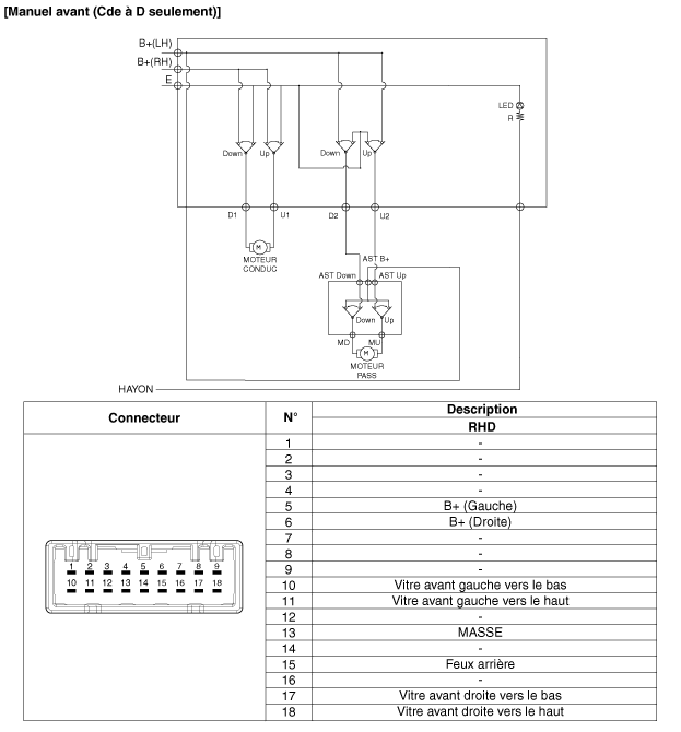
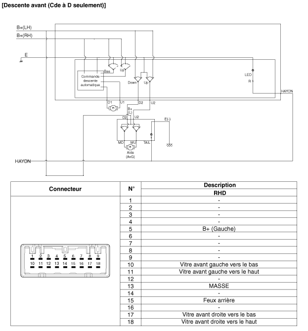
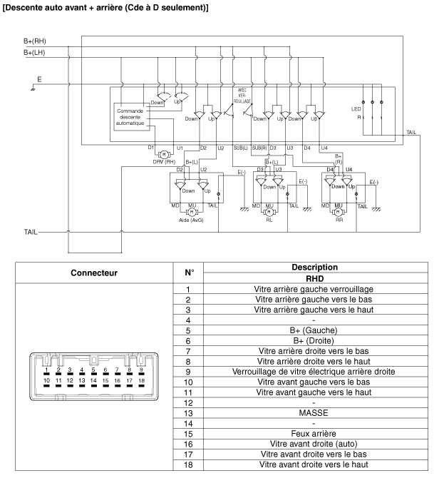
Принципиальная электрическая схема
Переключатель стеклоподъемников Водитель

Электрический стеклоподъемник пассажирский и задний

Процедуры ремонта электродвигателя стеклоподъемника
ПРОВЕРКА ЭЛЕКТРОПРИВОДА ПЕРЕДНЕГО СТЕКЛОПОДЪЕМНИКА 1. Снимите стеклоподъемник передней двери. (См. Кузов - "Re...

Процедуры ремонта переключателя стеклоподъемника
Контроль Проверка главного переключателя электрического стеклоподъемника 1. Отсоедините отрицательную (-) клемму аккумуляторной батареи. 2. В ...
Другие материалы:

Меры предосторожности при выхлопе двигателя (угарный газ)
Угарный газ может присутствовать вместе с другими газами. выхлоп. Поэтому, если вы чувствуете запах выхлопных газов в внутри автомобиля, немедленно проверьте и отремонтируйте его. Ли вы подозреваете, что выхлопные газы попадают...

Компоненты и расположение блока управления отопителем и кондиционером (FATC) компоненты
КОМПОНЕНТЫ СОЕДИНИТЕЛЬ [А] Пин № Функция Пин № Функция 1 Батарея (+) 21 ЗАЖИГАНИЕ 2 2 Задние фонари (ILL+) 22 ...