Hyundai i-20 manuels

Hyundai i-20 (GB) 2014-2023 Руководство по эксплуатации автомобиля: Схемы блока смарт-ключа

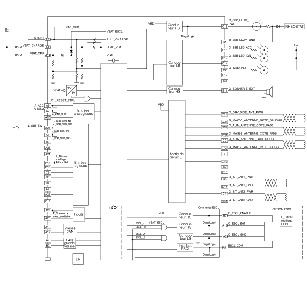
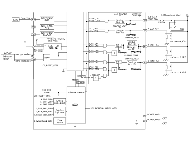
Принципиальная электрическая схема

Компоненты блока смарт-ключа и расположение компонентов
Компоненты (1) ИНФОРМАЦИЯ О ШТЫРНОМ РАЗЪЕМЕ НЕТ РАЗЪЕМ А РАЗЪЕМ Б C-РАЗЪЕМ 1 ...

Блок смарт-ключа Процедуры ремонта
ДЕПОЗИТ смарт-ключ 1. Отсоедините отрицательную (-) клемму аккумуляторной батареи. 2. Снимите центральную панель приборной панели. ...
Другие материалы:

Процедуры ремонта выключателя стоп-сигнала
ПАРАМЕТР 1. Установите ключ зажигания в положение OFF и отсоедините кабель. отрицательный (-) аккумулятор. 2. Снимите нижнюю ударную подушку. (Обратитесь к группе Кузов - "Таблица ...

КОМПРЕССОР Процедуры ремонта
ДЕПОЗИТ Меры предосторожности при использовании пластиковых шкивов • Будьте осторожны, чтобы не ударить пластиковый шкив. Если шкив подвергается удару в c...