Hyundai Kona: электрические схемы сидений / обогреватели сидений

Принципиальная электрическая схема
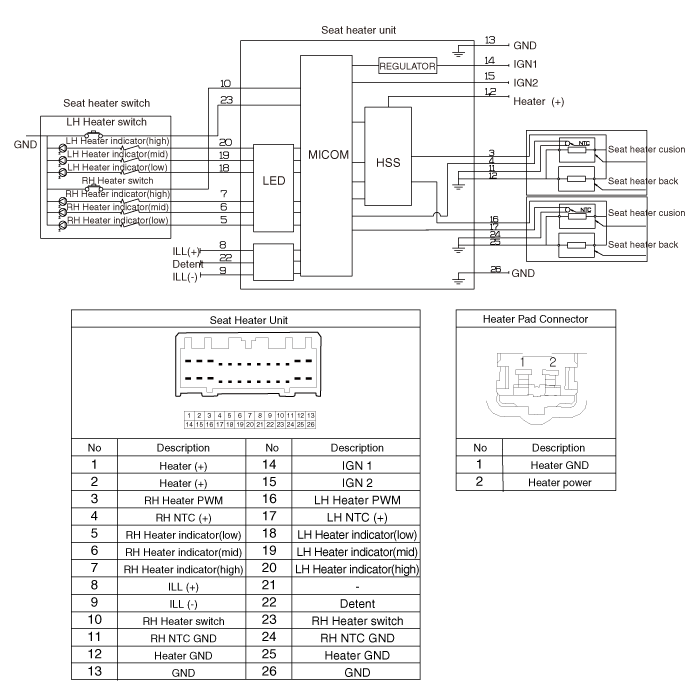
[Обогреватель переднего сиденья (без вентиляции)]

Обогреватель сидений Компоненты и расположение компонентов
Расположение компонента [Обогреватель переднего сиденья (без воздушной вентиляции)] 1. Блок обогрева сиденья (ассистент только сиденье) 2. Подогрев подушки переднего сиденья 3. Перед...

Процедуры ремонта обогревателя сидений
осмотр Подогрев переднего сиденья 1. Проверьте целостность цепи и измерьте сопротивление между клеммами. №3 и №6. ...
Дополнительная информация:

Hyundai Kona (OS) 2018-2023 Руководство по обслуживанию: Прямая муфта электрогидравлического привода Компоненты и расположение компонентов
Компоненты 1. Муфта сборка 2. Входной вал 3. Датчик давления 4. Расширение проводка 5. Масляный гидравлический двигатель (привод) ...

Hyundai Kona (OS) 2018-2023 Руководство по техническому обслуживанию: Порядок ремонта заднего карданного вала
Удаление 1. Слегка ослабьте колесные гайки. Поднимите автомобиль и убедитесь, что он надежно закреплен. 2. Снимите заднее колесо и шину (А) с задней ступицы. Момент затяжки : 107,9 - 127,5 Н. ...