Hyundai Palisade: привод вентилятора/впуска

Hyundai Palisade (LX2) 2020-2023 Руководство по ремонту / Отопление, вентиляция, кондиционирование / воздуходувка / Впускной привод

Описание и работа
Описание
Впускной привод расположен на блоке нагнетателя. Он регулирует входную дверь по сигналу блока управления. Нажатие переключателя выбора режима впуска переключение между режимами рециркуляции и свежего воздуха.
Компоненты и расположение компонентов
Компоненты

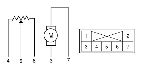
Hyundai Palisade. Components and components location

1. Впускной привод


Процедуры ремонта
осмотр
1.
Выключите зажигание.
2.
Отсоедините разъем привода впуска.
3.
Убедитесь, что привод впуска работает в положение подачи свежего воздуха, когда подключение 12 В к клемме 3 и заземление клеммы 7.
Убедитесь, что привод впуска работает в положение рециркуляции воздуха. при подключении наоборот.

Hyundai Palisade. Repair procedures

1. -
2. -
3. Свежий воздух
4. Рециркуляционный воздух
5. Питание датчика (+5В)
6. Сигнал обратной связи
7. Масса датчика

4.
Подсоедините разъем привода впуска.
5.
Включите зажигание.
6.
Проверьте напряжение между контактами 5 и 6.
Спецификация
Положение двери
Напряжение (В)
Обнаружение ошибки
Свежий воздух
0,5±0,15
Низкое напряжение: 0,1 В или меньше
Высокое напряжение: 4,9 В или меньше
Рециркуляционный воздух
4,5±0,15

Он будет сообщать о текущем положении привода органам управления.
7.
Если впускной привод не работает должным образом, замените его на заведомо исправный. привод впуска и проверьте правильность работы.
8.
Замените впускной привод, если доказано, что есть проблема с этим.
Замена
1.
Отсоедините отрицательную (-) клемму аккумуляторной батареи.
2.
Снимите основную подушку безопасности в сборе.
(См. раздел «Кузов» — «Главная аварийная подушка в сборе»)
3.
Разъедините разъем привода впуска (А), ослабьте крепежные винты и снимите исполнительный механизм впуска (B).

Hyundai Palisade. Repair procedures

4.
Установите в порядке, обратном снятию.

Воздушный фильтр климат-контроля

Описание и работа Описание Воздушный фильтр климат-контроля находится в блоке вентилятора. Это устраняет посторонние вещества и запах...

Задний обогреватель

..

Дополнительная информация:

Hyundai Palisade (LX2) 2020-2023 Руководство по эксплуатации: Складывание сидений 2-го ряда (снаружи)


Сдвиньте спинку сиденья 2-го ряда, складывающуюся переключатель (1), расположенный с левой стороны грузовая зона. (L: спинка левого сиденья складывание, R : Складывание спинки правого сиденья) ПРЕДУПРЕЖДЕНИЕ Складывание заднего сиденья Не складывайте задние сиденья (2-е и 3-й ряд сидений), если пассажиры, домашние животные или багаж находятся сзади места...

Руководство по эксплуатации Hyundai Palisade (LX2) 2020-2023 гг.: Сохранение позиций в памяти, вызов позиций из Память


Сохранение позиций в памяти 1. Переключитесь в положение P (Парковка). 2. Отрегулируйте положение сиденья водителя, положение зеркала бокового вида, приборная панель интенсивность освещения панели и высота/яркость проекционного дисплея в удобные для водитель. 3...

Категории

Условия раскрытия подушки безопасности

Hyundai Palisade. Air bag inflation conditions

Фронтальные подушки безопасности

Фронтальные подушки безопасности и колени водителя подушки безопасности предназначены для надувания в лобовое столкновение в зависимости от тяжесть последствий лобового столкновения.

Hyundai Palisade. Air bag inflation conditions

Hyundai Palisade. Air bag inflation conditions

читать далее