Hyundai Palisade: система освещения / потолочная консольная лампа

Hyundai Palisade (LX2) 2020-2023 Руководство по ремонту / Электрическая система кузова / Система освещения / Потолочная консольная лампа

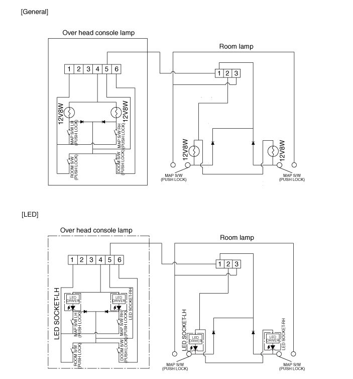
Принципиальные диаграммы
Принципиальная электрическая схема

Hyundai Palisade. Schematic diagrams

Hyundai Palisade. Schematic diagrams

Процедуры ремонта
осмотр
1.
Отсоедините разъем лампы на потолочной консоли (A), затем проверьте целостность цепи. между терминалами. Если непрерывность не соответствует указанной, замените выключатель лампы карты.

Hyundai Palisade. Repair procedures

Удаление
1.
Отсоедините отрицательную (-) клемму аккумуляторной батареи.
2.
Снимите крепежные винты (2 шт.).
Затем снимите потолочную консоль.

Hyundai Palisade. Repair procedures

3.
Снимите потолочную консоль после отсоединения разъема.

Hyundai Palisade. Repair procedures

Монтаж
1.
Установите потолочную консольную лампу после подсоединения разъема.
2.
Установите линзу, затянув 2 винта.

Комнатная лампа

Процедуры ремонта Удаление Комнатная лампа 1. Отсоедините отрицательную (-) клемму аккумуляторной батареи. 2. Отсоедините рассеиватель лампы (А) от комнатного светильника с помощью плоской отвертки...

Выключатель аварийной лампы

Процедуры ремонта Снятие 1. Отсоедините отрицательную (-) клемму аккумуляторной батареи. 2. Снимите аудио/AVN-клавиатуру в сборе...

Дополнительная информация:

Hyundai Palisade (LX2) 2020-2023 Руководство по эксплуатации: Закрытие задней двери


Задняя дверь с электроприводом закроется автоматически. выполнив одно из следующих действий: Кнопка разблокировки задней двери смарт-ключом Нажмите и удерживайте кнопку разблокировки задней двери кнопку на смарт-ключе, когда дверь багажного отделения открыт. Задняя дверь закроется и блокировать автоматически. Внутренняя кнопка электропривода задней двери Нажмите внутреннюю кнопку электропривода задней двери. примерно на 1 секунду...

Hyundai Palisade (LX2) 2020-2023 Руководство по эксплуатации: Индикатор неисправности EPB


Этот сигнализатор загорается, если ключ зажигания установлен в положение ON и отключается примерно через 3 секунд, если система работает обычно. Если индикатор неисправности EPB горит постоянно, загорается во время движения, или не загорается при включении зажигания переключатель переведен в положение ON положение, это указывает на то, что EPB может вышел из строя...

Категории

Не устанавливайте детское удерживающее устройство на переднем пассажирском сиденье

Hyundai Palisade. in the Front Passenger's Seat

Даже если ваш автомобиль оснащен с OCS никогда не устанавливайте дочерние удерживающее устройство на сиденье переднего пассажира. Надувающаяся подушка безопасности может принудительно ударить ребенка или детское удерживающее устройство в результате при серьезных или смертельных травмах.

читать далее