Hyundai Palisade: панорамный люк на крыше / электродвигатель панорамного люка

Hyundai Palisade (LX2) 2020-2023 Руководство по ремонту / Электрическая система кузова / Панорамный люк / Панорамный люк Мотор

Процедуры ремонта
Замена
1.
Отсоедините отрицательную (-) клемму аккумуляторной батареи.
2.
Снимите обивку крыши в сборе.
(См. Кузов — «Обшивка крыши в сборе»)
3.
Снимите крепежные винты электродвигателя люка (3 шт.). А затем удалить электродвигатель люка (А) после отсоединения разъема.
[Мотор люка]

Hyundai Palisade. Repair procedures

4.
Удалите крепежные винты глухого двигателя (3 шт.). А потом убрать шторку двигатель (А) после отсоединения разъема.
[Слепой мотор]

Hyundai Palisade. Repair procedures

Сброс панорамной крыши
Всякий раз, когда аккумулятор автомобиля отключен или разряжен, или вы используете аварийный ручку для управления панорамной крышей, вам необходимо перезагрузить систему панорамной крыши следующее :
Hyundai Palisade. Repair procedures
Вам необходимо сбросить двигатель люка на его настройки по умолчанию для следующие случаи:
Электродвигатель люка временно разряжается, потому что батарея или предохранитель заменены, или батарея разрядилась.
Автоматическое открытие или закрытие люка в одно касание особенность, не работает должным образом.
Люк снова открывается во время автоматического закрывания, даже если ни один объект не попал в люк (функция безопасности)
1.
Поверните ключ зажигания в положение ON и закройте панорамную крышу. полностью.
2.
Отпустите рычаг управления панорамной крышей.
3.
Нажмите и удерживайте кнопку CLOSE более 10 секунд, пока люк не немного сдвинулся.
4.
Отпустите рычаг управления панорамной крышей.
5.
Нажмите и удерживайте кнопку CLOSE еще раз в течение 5 секунд, пока не панорамный люк сделать следующим образом ;
Жалюзи открыты и стекло открыто → Стекло закрыто → Жалюзи закрыты
Затем отпустите рычаг.
6.
Процедура сброса панорамной системы завершена.
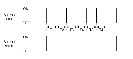
Защита перегретого двигателя
Чтобы защитить перегретый двигатель панорамной крыши путем непрерывной работы двигателя, ЭБУ панорамной крыши контролирует время работы и время охлаждения двигателя следующим образом;
1.
ЭБУ панорамной крыши определяет время работы двигателя.
2.
Двигатель может работать непрерывно в течение 1-го времени работы (120 ± 10 сек.).
3.
Двигатель, который работает непрерывно, прекращает работу после 1-го времени работы (120 ± 10 сек.).
4.
И затем двигатель не работает в течение 1-го времени охлаждения (18 ± 2 сек.).
5.
Двигатель работает в течение 2-го времени работы (10 ± 2 сек.) при непрерывном работа двигателя после 1-го охлаждения (18 ± 2 сек.)
6.
Двигатель, который работает непрерывно, прекращает работу после 2-го времени работы (10 ± 2 сек.)
7.
Двигатель не работает в течение 2-го периода охлаждения (18 ± 2 сек.).
8.
Двигатель повторяет 2-е время работы и 2-е время охлаждения при продолжающемся двигателе. операция.
В случае, если двигатель не работает непрерывно, время работы Ограничение для защиты перегретого двигателя увеличивается.
Время работы двигателя устанавливается на «0», если аккумулятор или предохранитель снова включается после отключения, разрядки или взорван.

Hyundai Palisade. Repair procedures

Т1: 120 ± 10 с, Т2: 18 ± 2 с,
Т3: 10 ± 2 сек., Т4: 18 ± 2 сек.

Переключатель панорамного люка

Процедуры ремонта осмотр 1. Отсоедините отрицательную (-) клемму аккумуляторной батареи. 2. Откройте крышку футляра для солнцезащитных очков с потолочной консоли, затем выверните винты. (2 шт.)...

Система освещения

..

Дополнительная информация:

Hyundai Palisade (LX2) 2020-2023 Руководство по техническому обслуживанию: Описание и работа


Описание Момент зажигания контролируется электронной системой управления опережением зажигания. Стандартные справочные данные опережения зажигания для условий работы двигателя предварительно запрограммированы в памяти ECM (модуля управления двигателем)...

Hyundai Palisade (LX2) 2020-2023 Руководство по обслуживанию: Преднатяжитель ремня безопасности (BPT)


Компоненты и расположение компонентов Компоненты 1. Преднатяжитель переднего ремня безопасности (БПТ) Описание и работа Описание Преднатяжители ремней безопасности (BPT) установлены внутри центральной стойки (левая и правая)...