Hyundai Tucson manuels

Руководство по обслуживанию и ремонту Hyundai Tucson: привод автоматического обогревателя

Компоненты и расположение компонентов

расположение компонента

1. Активатор автоматического подключения


Описание и работа

Описание
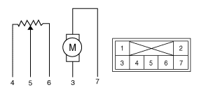
Датчик автоматического отпотевания установлен на лобовом стекле. Датчик оценивает и посылает сигнал о появлении влаги, чтобы выдохнуть для устранения запотевания. Модуль управления кондиционером получает сигнал от улавливает и удерживает влагу и устраняет запотевание, управляя приводом воздухозаборник, кондиционер, привод автоматического обдува, скорость электродвигателя вентилятора и исполнительного механизма режима.

Процедуры ремонта

Контроль
1.
Поверните ключ зажигания в положение OFF.
2.
Отсоедините разъем автоматического предотвращения запотевания.
3.
Убедитесь, что привод автоматического предотвращения запотевания работает в положении открыт, когда 12 В подключено к клемме 3 и клемме заземления 4.
Убедитесь, что привод автоматического предотвращения запотевания работает в положении замыкание при подключении в обратном порядке.

1.-
2.-
3. ДЕФ (открытый)
4. ДЕФ (закрыть)
5. Масса датчика
6. Обратный сигнал
7. Датчик (+5В)

4.
Подсоедините разъем привода автоматического предотвращения запотевания.
5.
Начинать.
6.
Проверьте напряжение между клеммами 6 и 5.
Будет обратная связь по текущему положению от привода элементы управления.
Спецификация
Расположение двери
НАПРЯЖЕНИЕ (В)
Обнаружение ошибок
ВЕНТИЛЯЦИЯ
0,4±0,15
Низкое напряжение: 0,1 В или меньше
Обогреватель
3,35 ± 0,15
Высокое напряжение: 3,8 В или более

7.
Если измеренное напряжение не соответствует спецификации, проверьте работа путем замены существующего привода автоматического удаления запотевания новой оригинальной деталью. После этого определите, подходит ли замена актуатора автоматического обогревателя необходим или нет.
Диагностика с помощью ГДС
1.
Отопление, вентиляция и кондиционирование воздуха могут быть диагностированы быстро (дефектные детали) с помощью системы диагностики автомобиля (ГДС).
※ Диагностическая система (GDS) предоставляет следующую информацию.
(1) Самодиагностика: проверка и отображение кода ошибки (DTC).
(2) Текущие данные: проверка состояния входных данных/ выход из системы.
(3) Проверка срабатывания: проверка условий эксплуатации системы.
(4) Дополнительная функция: кроме управления, например, возможность система и регулировка нуля.
2.
Выберите «Модель автомобиля» и систему для проверки, чтобы проверить автомобиль с тестером.
3.
Выберите меню «Текущие данные», чтобы узнать текущий статус. входные/выходные данные.
Входные/выходные данные для датчиков, соответствующих исполнительному механизму автозапотевание можно проверить.

4.
Для выполнения принудительной операции по входным факторам исполнительного механизма автоматический обогреватель, выберите "ПРОВЕРКА РАБОТЫ".

ЗАМЕНА
1.
Отсоедините отрицательную (-) клемму аккумуляторной батареи.
2.
Снимите сборку с защитной прокладки.
(См. Кузов — «Главная приборная панель»)
3.
Отсоедините разъем (А), затем снимите привод обдува. автоматический (B) после ослабления крепежных винтов.

4.
Для установки выполните процедуру, обратную снятию.
Исполнительный механизм управления режимами
Компоненты и расположение компонентов расположение компонента 1. Привод управления приводом мода Описание и работа Описание ...

ВОЗДУХОДУВКА
...
Другие материалы:

Зона обнаружения
Умная дверь багажника подает приветственное предупреждение, если смарт-ключ обнаруживается на расстоянии 50–100 см (20–40 дюймов) от крышки багажника. Оповещение прекращается, когда смарт-ключ покидает зону обнаружения на этапе обнаружения и оповещения. ...

Предотвращение столкновений в слепых зонах Помощь Неисправность и Ограничения
Предотвращение столкновений в слепых зонах Помощь Неисправность При предотвращении столкновений в слепых зонах Assist не работает должным образом, сообщение «Проверить Предупреждение системы безопасности слепых зон сообщение появляется в кластере для несколько секунд, и мастер () на панели загорается сигнальная лампа. Если это произойдет...