Hyundai Tucson manuels

Руководство по обслуживанию и ремонту Hyundai Tucson: электродвигатель стеклоподъемника

Компоненты и расположение компонентов

КОМПОНЕНТЫ

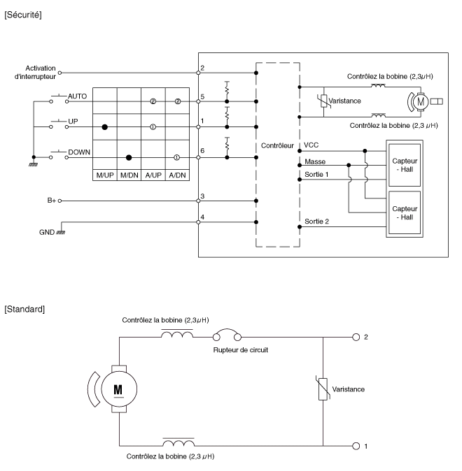
Принципиальные диаграммы

Принципиальная электрическая схема

Процедуры ремонта

Контроль
При удалении с помощью съемника или инструмента для головки плоские, оберните инструменты защитной лентой, чтобы предотвратить повредить компоненты.
При снятии внутренней отделки используйте инструмент для снятия пластиковой панели, чтобы не повредить поверхность.
Обязательно храните и обращайтесь с отделкой надлежащим образом, когда установка/удаление, т.к. смазка и масло может испачкать обивку.
МОТОР ПЕРЕДНЕГО СТЕКЛОПОДЪЕМНИКА
1.
Отсоедините отрицательную (-) клемму аккумуляторной батареи.
2.
Снимите обивку передней двери.
(См. Кузов — «Облицовка передней двери»)
3.
Отсоедините разъем двигателя от двигателя.

4.
Подключите клемму №2 и №3 к напряжению аккумулятора (12В) и проверьте что двигатель работает без происшествий при подключении клемм ниже.
[Мотор безопасного стекла]

5.
Подключите клеммы двигателя к напряжению аккумулятора (12 В) и подтвердите плавность двигателя. Затем поменяйте полярность и убедитесь, что двигатель нормально работает в обратном направлении. Если вы обнаружите, что двигатель работает ненормально, замените его.
[Стандартный стеклоподъемник]

МОТОР ЗАДНЕГО СТЕКЛОПОДЪЕМНИКА
1.
Отсоедините отрицательную (-) клемму аккумуляторной батареи.
2.
Снимите обивку задней двери.
(См. Кузов — «Облицовка задней двери»)
3.
Отсоедините разъем двигателя от двигателя.

4.
Подключите клеммы двигателя № 1 и 2 напрямую к напряжению аккумулятора. (12 В) и убедитесь, что двигатель работает плавно.
Если вы обнаружите, что двигатель работает ненормально, замените его.
[Стандартный стеклоподъемник]

Описание и работа
Функция безопасности электрические окна Когда переключатель автоматического подъема стеклоподъемника со стороны водителя нажата, активируется функция безопасности...

Переключатель стеклоподъемников
Компоненты и расположение компонентов КОМПОНЕНТЫ Переключатель стеклоподъемника водителя Переключатель стеклоподъемника пассажира Переключатель стеклоподъемников...
Другие материалы:

Монитор слепых зон (BVM)
Монитор слепых зон отображает задняя слепая зона автомобиля в щиток при включении поворотника чтобы помочь перестроиться. Датчик обнаружения [1], [2]: камера кругового обзора (камера расположена под зеркалом) Обратитесь к изображению выше для подробное расположение о ...

Настройки помощи при следовании по полосе
Особенности настройки Включение/выключение помощи при следовании по полосе При включенном двигателе кратковременно нажмите кнопку Кнопка помощи при вождении по полосе, расположенная на руль, чтобы включить Lane Follow Ассистент Белый или зеленый индикатор лампочка загорается на кластере. Нажмите кнопку еще раз, чтобы выключить функция ...