Hyundai Tucson manuels

Руководство по обслуживанию и ремонту Hyundai Tucson: переключатель стеклоподъемника

Компоненты и расположение компонентов

КОМПОНЕНТЫ
Переключатель стеклоподъемника водителя

Переключатель стеклоподъемника пассажира

Переключатель заднего стеклоподъемника

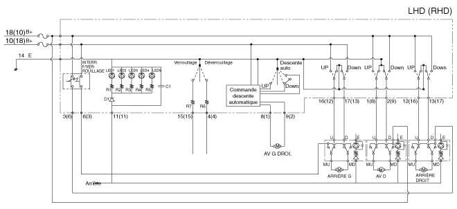
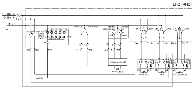
Принципиальные диаграммы

Принципиальная электрическая схема
Переключатель стеклоподъемников Водитель
[Переключатель стеклоподъемника водитель (безопасность)]

[Переключатель стеклоподъемника водитель (автоматическое опускание)]

Переключатель стеклоподъемников пассажир

Переключатель окна электрический задний
[Переключатель стеклоподъемника задний (ручной)]

[Переключатель стеклоподъемника задний (ручной + подогрев сидений)]

Процедуры ремонта

Контроль
Переключатель стеклоподъемника водителя
1.
Отсоедините отрицательную (-) клемму аккумуляторной батареи.
2.
Снимите обивку двери водителя.
(См. Кузов — «Облицовка передней двери»)
3.
Отсоедините разъем переключателя зеркал с электроприводом от обшивка двери.

4.
Проверьте целостность цепи между клеммами в каждом положении переключателя. как показано ниже.
[Проверка переключателя стеклоподъемника]

[Проверка выключателя электрического замка двери]

[Проверка переключателя блокировки стеклоподъемника]

Переключатель стеклоподъемника пассажира
1.
Отсоедините отрицательную (-) клемму аккумуляторной батареи.
2.
Снимите обшивку пассажирской двери.
(См. Кузов — «Облицовка передней двери»)
3.
Отсоедините разъем переключателя зеркал с электроприводом от обшивка двери.

4.
Проверьте целостность цепи между клеммами в каждом положении переключателя. как показано ниже.

Переключатель заднего стеклоподъемника
1.
Отсоедините отрицательную (-) клемму аккумуляторной батареи.
2.
Снимите обивку задней двери.
(См. Кузов — «Облицовка задней двери»)
3.
Отсоедините разъем переключателя зеркал с электроприводом от обшивка двери.

4.
Проверьте целостность цепи между клеммами в каждом положении переключателя. как показано ниже.
[Проверка переключателя заднего электрического стеклоподъемника]

[Проверка переключателя обогревателя заднего сиденья]

ДЕПОЗИТ
Переключатель стеклоподъемников водителя/пассажира
1.
Отсоедините отрицательную (-) клемму аккумуляторной батареи.
2.
Снимите обивку передней двери.
(См. Кузов — «Облицовка передней двери»)
3.
Ослабьте фиксирующие винты.

4.
Снимите подлокотник с обивки двери (А).

5.
Снимите узел переключателя стеклоподъемника (А).

6.
Ослабьте крепежные винты, затем снимите переключатель стеклоподъемника. электрический (А).

Переключатель заднего стеклоподъемника
1.
Отсоедините отрицательную (-) клемму аккумуляторной батареи.
2.
Снимите обивку задней двери.
(См. Кузов — «Облицовка задней двери»)
3.
Ослабьте крепежные винты, затем снимите переключатель стеклоподъемника. электрический (А).

СРЕДСТВО
Переключатель стеклоподъемников водителя/пассажира
1.
Установите переключатель электрического стеклоподъемника.
2.
Установите обшивку передней двери после подключения разъема.
Переключатель заднего стеклоподъемника
1.
Установите переключатель электрического стеклоподъемника.
2.
Установите обивку задней двери после подключения разъема.
Электродвигатель стеклоподъемника
Компоненты и расположение компонентов КОМПОНЕНТЫ Принципиальные диаграммы Принципиальная электрическая схема Процедуры ремонта Контроль ...

Обогреватель ветрового стекла
...
Другие материалы:

Выхлопной коллектор
Компоненты и расположение компонентов КОМПОНЕНТЫ 1. Защита от перегрева 2. Прокладка выпускного коллектора 3. Выпускной коллектор 4. Кронштейн выпускного коллектора Процедуры ремонта Снятие и установка ...

Термостат
Компоненты и расположение компонентов КОМПОНЕНТЫ 1. Соединение для подачи воды 2.Термостат 3. Байпасный шланг 4. Шланг и трубка отопителя в сборе Процедуры ремонта Снятие и установка ...