Hyundai Tucson manuels

Руководство по обслуживанию и ремонту Hyundai Tucson: Резистор вентилятора (РУКОВОДСТВО) Процедуры ремонта

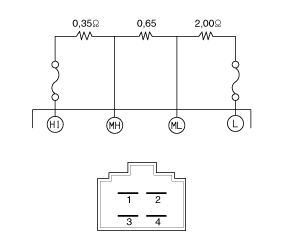
Контроль
1.
Измерьте сопротивление между клеммами.
2.
Если измеренное сопротивление не соответствует стандарту, сопротивление вентилятора необходимо заменить. (после снятия резистора)

ЗАМЕНА
1.
Отсоедините отрицательную (-) клемму аккумуляторной батареи.
2.
Снимите центральную панель приборной панели.
(См. Кузов — «Центральная приборная панель»)
3.
Снимите шланг распылителя со стороны пассажира (А).

4.
Отсоедините разъем (А), затем снимите резистор вентилятора. (B) после ослабления крепежных винтов.

5.
Для установки выполните процедуру, обратную снятию.
Мощный МОП-транзистор
Описание и работа Описание Он устанавливается на DATC и регулирует скорость вращения вентилятора, точно контролируя напряжение, подаваемое на двигатель вентилятора...

Воздушный фильтр климат-контроля
Описание и работа Описание Воздушный фильтр климат-контроля находится в блоке вентилятора. Удаляет посторонние вещества и запахи. ...
Другие материалы:

Перенос переднего колеса в сборе
Компоненты и расположение компонентов расположение компонента 1. Коробка скоростей 2. Трансферный набор 3. Дерево передача инфекции 4. Муфта в сборе Процедуры ремонта ДЕПОЗИТ [Сущность...

Автоматическое отопление и воздух Кондиционирование
Автоматическая система климат-контроля управляется установкой желаемого температура. 1. Нажмите кнопку АВТО. Режимы, скорости вентиляторов, воздухозабор и кондиционер будет контролироваться автоматически по температуре выбранную вами настройку. Вы можете контролировать скорость вращения вентилятора в трех стажировки по нажатию...