Hyundai Tucson: муфта в сборе / муфта прямого электрогидравлического привода, описание и работа

Hyundai Tucson (LM) 2010-2015 Руководство по ремонту / Система полного привода (4WD) / Муфта в сборе / Описание и работа муфты прямого электрогидравлического привода

Описание
ЭБУ 4WD обрабатывает сигналы от различных датчиков и определяет текущие дорожные и дорожные условия. ЭБУ затем использует это информация для осуществления точного управления муфтой 4WD многодисковое сцепление и плавная регулировка крутящего момента к задним колесам.
Выбор режима передачи полного привода (4WD)
1.
АВТОМАТИЧЕСКИЙ РЕЖИМ:
А.
При движении в режиме 4WD AUTO автомобиль работает аналогично обычным автомобилям с полным приводом при нормальных условиях эксплуатации. Однако, если система определяет, что есть необходимость в режиме 4WD, мощность двигателя автоматически распределяется на все четыре колеса без вмешательства водителя.
Б.
При движении по обычным дорогам и тротуарам автомобиль движется так же, как и обычные полноприводные автомобили.
2.
РЕЖИМ БЛОКИРОВКИ:
А.
Этот режим используется для подъема или спуска по крутым склонам, вождение по бездорожью, езда по песчаным и грязным дорогам и т. д., чтобы максимально тяга.
Б.
Этот режим автоматически начинает отключаться при скорости выше 30 км/ч (19 миль/ч) и переключается в режим 4WD AUTO при скорости выше 40 км/ч. (25 миль в час). Если скорость автомобиля снижается ниже 30 км/ч (19 миль/ч), однако режим передачи снова переключается в режим 4WD LOCK.
Электронная муфта — управление полным приводом (в зависимости от условий движения)
1.
Круиз (автоматический режим)
- Мощность передается в основном на передние колеса.

2.
Прохождение поворотов (автоматический режим)
- Регулирует мощность задних колес в зависимости от радиуса поворота и скорости прохождения поворотов.

3.
Пробуксовка колес (автоматический режим)
- Если одно или оба передних колеса теряют сцепление с дорогой, система передает соответствующее количество мощности на задние колеса на основе на величину проскальзывания передних колес.

4.
Режим блокировки
- Максимально увеличивает производительность на пересеченной местности (активен только на скорости ниже 40 км/ч).

Операция
Электронная муфта
[Неактивный]

[Активный]

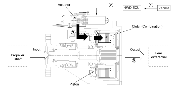
Операционный порядок
1.
ЭБУ 4WD получает сигналы CAN от датчиков автомобиля.
2.
ЭБУ 4WD рассчитывает необходимое количество крутящего момента на заднем колесе и посылает соответствующий управляющий ток на исполнительный механизм (электронный двигатель и гидравлический насос).
3.
Гидравлическое давление, создаваемое приводом, перемещает поршень.
4.
Трение от движения поршня включает сцепление.
5.
Мощность передается на задние колеса.

Компоненты муфты прямого электрогидравлического привода и расположение компонентов
Расположение компонента 1. Трансмиссия в сборе2. Трансфер в сборе3. Карданный вал4. Муфта в сборе Компоненты 1. Муфта в сборе2. Входной вал3. Датчик давления4. Удлинительная проводка5. Масло ч...
Процедуры ремонта муфты прямого электрогидравлического привода
осмотр Все агрегаты заполнены смазочно-охлаждающей жидкостью (сверхнизким вязкость ATF) перед отправкой. Проверка, заправка и замена поэтому сцепная жидкость не ...
Дополнительная информация:

Hyundai Tucson (NX4) 2022-2023 Руководство по эксплуатации: Условия раскрытия подушек безопасности
Фронтальные подушки безопасности Условия срабатывания подушки безопасности Фронтальные подушки безопасности предназначены для раскрытия при лобовом столкновении в зависимости от серьезность воздействия. Боковые подушки и шторки безопасности Боковые подушки и шторки безопасности разработаны надуваться при обнаружении удара датчики бокового столкновения в зависимости от ...

Руководство по эксплуатации Hyundai Tucson (NX4) 2022-2023: Контроль температуры
Введите Тип Б Настройка температуры увеличивается, когда вы переключаетесь вверх или нажимаете стрелку ВВЕРХ на сенсорный экран (при наличии). Установка температуры уменьшается, когда вы переключаетесь вниз или нажимаете DOWN стрелка на сенсорном экране (при наличии). Равномерная регулировка температуры Нажми С...