Kia Cadenza: Головка блока цилиндров в сборе / Компоненты и расположение компонентов CVVT и распределительного вала

Kia Cadenza YG 2016-2023 Руководство по ремонту / Механическая система двигателя / Головка цилиндра в сборе / Расположение компонентов и компонентов CVVT и распределительного вала

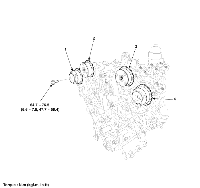
Компоненты

1. Правый выпускной распределительный вал
2. Правый впускной распределительный вал
3. Левый впускной распределительный вал
4. Левый выпускной распределительный вал

1. Правый выхлоп CVVT
2. Правый впуск CVVT
3. Левый впуск CVVT
4. Левый выхлоп CVVT

Процедуры ремонта крышки головки цилиндров
Удаление [левый] 1. Снимите впускной коллектор. (См. Система впуска и выпуска — «Впускной коллектор») 2. Снимите топливный насос высокого давления. (См. Топливная система - "Топливный насос высокого давления ...
Описание и работа CVVT и распределительного вала
Описание Система непрерывного изменения фаз газораспределения (CVVT) опережает или задерживает фазы газораспределения впускного и выпускного клапанов в соответствии с управляющим сигналом ECM, который рассчитывается ...
Дополнительная информация:

Руководство по эксплуатации Kia Cadenza YG 2016-2023: Распознавание автомобилей


Некоторые автомобили впереди на вашей полосе не определяется датчиком следующее: - Узкие транспортные средства, такие как мотоциклы или велосипеды - Транспортные средства смещены в одну сторону - Медленно движущиеся транспортные средства или внезапное замедление транспортные средства - Остановленные транспортные средства - Автомобили с небольшим задним профилем например тр...

Kia Cadenza YG 2016-2023 Service Manual: Датчик детонации (KS) Технические характеристики


Спецификация Пункт Технические характеристики Емкость (oF)950 ~ 1350Сопротивление (МОм)4,87 ...