Kia Cadenza: Схемы стояночной тормозной системы / электрического стояночного тормоза (EPB)

Kia Cadenza YG 2016-2023 Руководство по ремонту / Тормозная система / Стояночная тормозная система / Принципиальные схемы электрического стояночного тормоза (EPB)

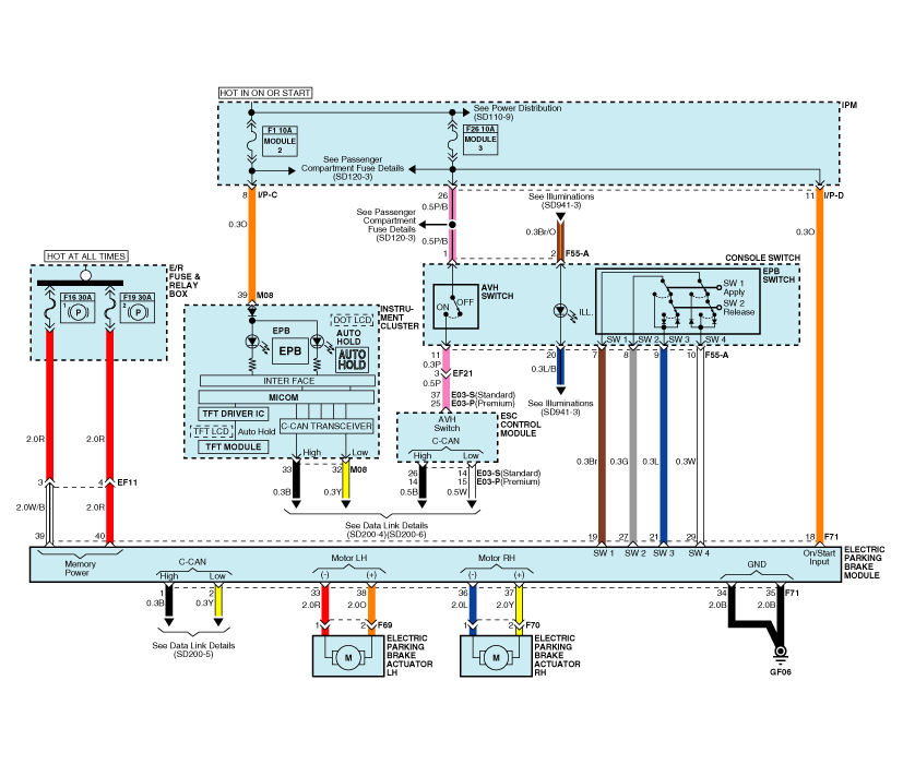
Принципиальная схема EPB

Вход/выход разъема EPB

Пин №
Описание
1
CAN_High
2
CAN_Низкий
18
ИГН (+)
19
Сигнал переключателя EPB 1
21
Сигнал переключателя EPB 3
27
Сигнал переключателя EPB 2
29
Сигнал переключателя EPB 4
33
Задний левый мотор (-)
34
Земля
35
Земля
36
Задний правый мотор (-)
37
Задний правый мотор (+)
38
Задний левый мотор (+)
39
Аккумулятор (задний правый двигатель)
40
Аккумулятор (задний левый двигатель)

Электрический стояночный тормоз (EPB) Описание и работа
Описание EPB — это электронный стояночный тормоз. EPB отличается от существующих парковочных систем, которые с педалью тормоза или рычажного типа. Система EPB посылает сигнал ...
Электрический стояночный тормоз (EPB) Процедуры ремонта
Удаление 1. Выключите зажигание и отсоедините отрицательный (-) кабель аккумуляторной батареи. 2. Снимите нижнюю панель аварийного щитка и усиливающую панель (А). (Обратитесь к группе «Тело» — «Аварийная панель») 3. Э...
Дополнительная информация:

Kia Cadenza YG 2016-2023 Руководство по ремонту: Рулевой редуктор Порядок ремонта


Замена 1. Снимите переднее колесо и шину (А). Момент затяжки : 88,3 ~ 107,9 Н·м (9,0 ~ 11,0 кгс·м, 65,1 ~ 79,6 фунт-фут) • Будьте осторожны, чтобы не повредить болты ступицы при снятии переднего колеса и шины. 2. Ослабьте болт (А) и...

Kia Cadenza YG 2016-2023 Руководство по техническому обслуживанию: Процедуры ремонта капота


Замена Замена узла капота • При снятии и установке капота необходим помощник. • Будьте осторожны, чтобы не повредить капот и кузов. • При снятии зажимов используйте съемник зажимов. 1. С помощью отвертки поднимите...