Kia Cadenza: Компоненты отопителя/блока отопителя и расположение компонентов

Kia Cadenza YG 2016-2023 Руководство по ремонту / Отопление, вентиляция, кондиционирование воздуха / Обогреватель / Компоненты отопителя и расположение компонентов

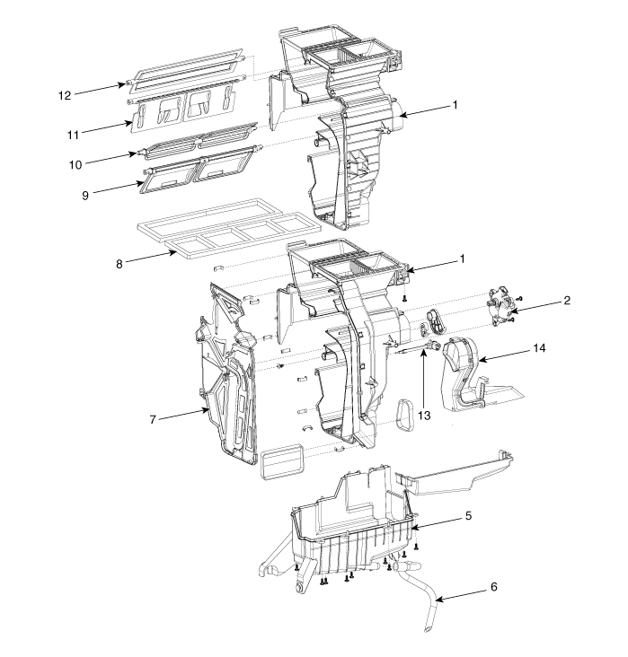
Расположение компонента

Компоненты

1. Корпус обогревателя (левый)
2. Сепаратор
3. Сердечник испарителя
4. Душевой канал (левый)
5. Крышка радиатора нагревателя
6. Сердцевина нагревателя
7. Активатор режима
8. Режим камеры
9. Датчик температуры (привод)
10. Ручка вентиляционной двери
11. Ручка двери пола

1. Корпус обогревателя (правый)
2. Датчик температуры (пассажирский)
3. Рычаг временной дверцы
4. Датчик температуры испарителя
5. Нижний регистр слушателя
6. Сливной шланг
7. Сепаратор
8. Изолятор
9. Временная дверь
10. Дверь на этаже
11. Вентиляционная дверь
12. Дверь защиты
13. Датчик испарителя
14. Душевой канал (правый)

Обогреватель
...
Процедуры ремонта отопителя
Замена 1. Отсоедините отрицательную (-) клемму аккумуляторной батареи. 2. Соберите хладагент с помощью станции регенерации/рециркуляции/зарядки. 3. Когда двигатель остынет, слейте охлаждающую жидкость двигателя...
Дополнительная информация:

Руководство по эксплуатации Kia Cadenza YG 2016-2023: Регулятор впуска воздуха


Используется для выбора внешнего положение (свежий) воздух или рециркуляционный воздух позиция. Чтобы изменить положение регулятора забора воздуха, нажать кнопку управления. Положение наружного (свежего) воздуха Снаружи (свежий) выбрано воздушное положение, воздух входит в автомобиль из снаружи и греется...

Kia Cadenza YG 2016-2023 Руководство по техническому обслуживанию: Порядок ремонта кнопки Старт/Стоп


Удаление 1. Отсоедините отрицательную (-) клемму аккумуляторной батареи. 2. С помощью отвертки или съемника снимите нижнюю панель центральной панели (А). 3. Снимите автомобильный шланг (А) и отсоедините разъемы (В) от блока управления отопителем и кондиционером. 4. Используя отвертку или съемник, удалите ...