Kia Cadenza: система смазки / датчик уровня масла и компоненты трубопровода и расположение компонентов

Kia Cadenza YG 2016-2023 Руководство по ремонту / Механическая система двигателя / Система смазки / Указатель уровня масла и компоненты трубопровода и расположение компонентов

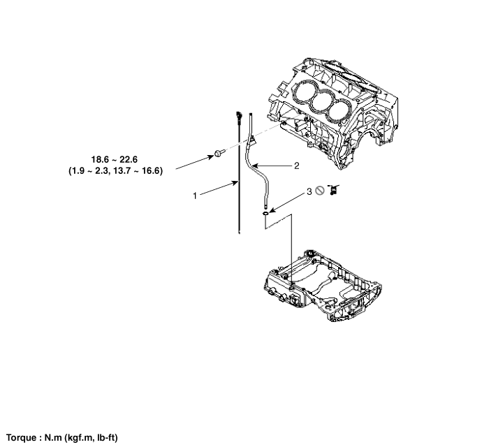
Компоненты

1. Указатель уровня масла
2. Трубка датчика уровня масла
3. Уплотнительное кольцо

Процедуры ремонта реле давления масла
Снятие и установка 1. Снимите впускной коллектор. (См. Система впуска и выпуска — «Впускной коллектор») 2. Снимите напорную трубу и инжектор. (См. Управление двигателем/топливо...
Указатель уровня масла и процедуры ремонта труб
Снятие и установка 1. Снимите стержень датчика уровня масла (А) и датчик уровня масла (В). Момент затяжки: 18,6 ~ 22,6 Н·м (1,9 ~ 2,3 кгс·м, 13,7 ~ 16,6 фунт-фут) ...
Дополнительная информация:

Руководство по обслуживанию Kia Cadenza YG 2016-2023: Компоненты панорамной крыши и расположение компонентов


Компоненты 1. Молдинг крыши2. Подвижное стекло3. Дефлектор ветра4. Сборка складной крышки5. Сборка передней крышки6. Сборка каркаса панорамной крыши7. Сборка рулонных штор8. Сборка механизма9. Подвижный стеклянный двигатель в сборе10. Сборка двигателя для рулонных штор ...

Kia Cadenza YG 2016-2023 Руководство по ремонту: Водяной насос Процедуры ремонта


Удаление 1. Снимите крышку машинного отделения. (См. Двигатель и трансмиссия в сборе — «Моторное отделение под крышкой») 2. Слейте охлаждающую жидкость. (См. Система охлаждения — «Охлаждающая жидкость») 3. Снимите приводной ремень. (См. Система синхронизации - «Приводной ремень») 4. Снимите шкив водяного насоса (А). ...