Kia Cadenza: Система смазки / Компоненты масляного поддона и их расположение

Kia Cadenza YG 2016-2023 Руководство по ремонту / Механическая система двигателя / Система смазки / Компоненты масляного поддона и расположение компонентов

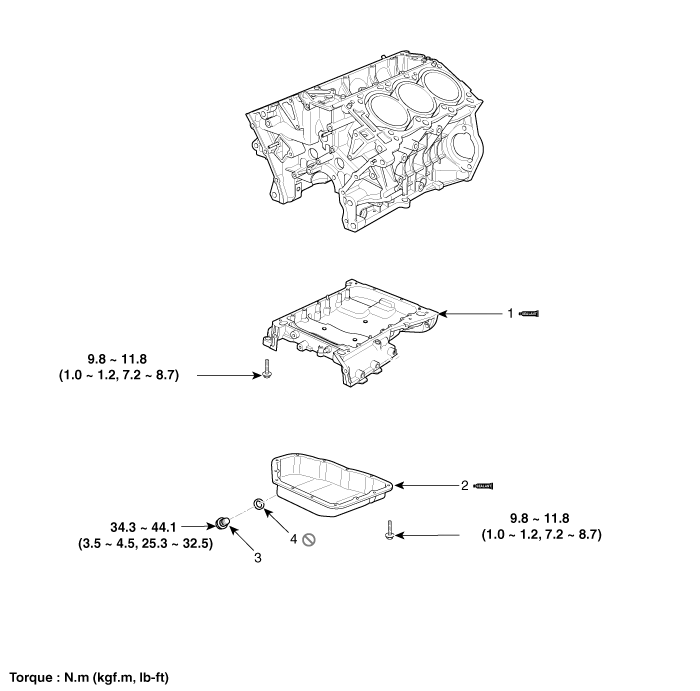
Компоненты

1. Верхний масляный поддон
2. Нижний масляный поддон
3. Сливная пробка
4. Прокладка сливной пробки

Процедуры ремонта корпуса масляного фильтра
Снятие и установка 1. Слейте моторное масло. (См. Система смазки — «Моторное масло») 2. Снимите центральную водяную трубу. (См. Система охлаждения — «Узел регулирования температуры воды») ...
Процедуры ремонта масляного поддона
Удаление [Нижний масляный поддон] 1. Снимите крышку машинного отделения. (См. Двигатель и трансмиссия в сборе — «Моторное отделение под крышкой») 2. Слейте моторное масло. (См. Система смазки...
Дополнительная информация:

Kia Cadenza YG 2016-2023 Руководство по техническому обслуживанию: Процедуры ремонта продольного рычага


Замена 1. Снимите заднее колесо и шину. Момент затяжки: 88,3 ~ 107,9 Н·м (9,0 ~ 11,0 кгс·м, 65,1 ~ 79,6 фунт-фут) Будьте осторожны, чтобы не повредить болты ступицы при снятии заднего колеса и шины. 2. Отсоедините трос стояночного тормоза (А) с помощью...

Руководство по эксплуатации Kia Cadenza YG 2016-2023: выбор детского удерживающего устройства Система (CRS)


При выборе CRS для вашего ребенка, всегда: Убедитесь, что CRS имеет метку удостоверяющий, что он соответствует применимым Федеральная безопасность автотранспортных средств Стандарты (FMVSS 213). Выбирайте детское удерживающее устройство на основе рост и вес вашего ребенка. необходимая этикетка или инструкция для ...