Kia Cadenza: впускная и выпускная система / компоненты расширительного бачка и расположение компонентов

Kia Cadenza YG 2016-2023 Руководство по ремонту / Механическая система двигателя / Впускная и выпускная система / Компоненты расширительного бака и расположение компонентов

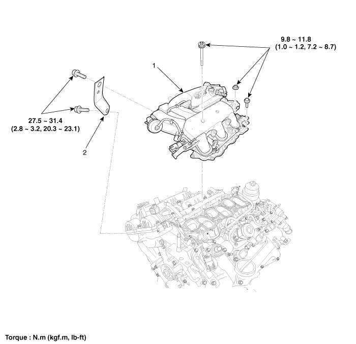
Компоненты

1. Уравнительный бак
2. Держатель расширительного бачка

Процедуры ремонта воздухоочистителя
Снятие и установка 1. Извлеките аккумулятор. (См. Электрическая система двигателя — «Аккумулятор») 2. Снимите кожух двигателя. 3. Снимите воздуховод (А). Момент затяжки : 7,8 ~ 9,8 ...
Процедуры ремонта уравнительного бака
Снятие и установка Во избежание повреждений осторожно отсоединяйте разъемы проводки, удерживая часть разъема. Пометьте всю проводку...
Дополнительная информация:

Kia Cadenza YG 2016-2023 Руководство по обслуживанию: Процедуры ремонта развал-схождения


Схождение передних колес При использовании имеющегося в продаже компьютеризированного колеса оборудование для проверки сход-развала передних колес, всегда установить автомобиль на ровной поверхности передними колесами прямо. Перед осмотром убедитесь, что...

Kia Cadenza YG 2016-2023 Руководство по техническому обслуживанию: Компоненты реле давления масла и расположение компонентов


Компоненты 1. Масляная крышка2. Прокладка масляной крышки 3. Датчик давления масла ...