Kia Forte: Активатор отопителя/автоматической защиты от запотевания

Киа Kia Forte 2019-2023 (БД) Руководство по ремонту / Отопление, вентиляция, кондиционирование / Обогреватель / Привод автоматического предотвращения запотевания

Описание и работа
Описание

Датчик автозапотевания установлен на переднем стекле. Датчик оценивает и посылает сигнал, если появляется влага, чтобы выдуть ветер для предотвращения запотевания. Кондиционер модуль управления получает сигнал от датчика и удерживает влагу и устраняет защита от запотевания приводом впуска, кондиционером, приводом автоматического предотвращения запотевания, частотой вращения двигателя вентилятора и исполнительный механизм режима.

Технические характеристики
Технические характеристики

Положение двери
Напряжение (В)
Обнаружение ошибки
Макс. охлаждение
0,3 ± 0,15
Низкое напряжение: 0,1 В или меньше
Макс. обогрев
4,7 ± 0,15
Высокое напряжение: 4,9 В или более

Процедуры ремонта
осмотр
1.

Выключите зажигание.

2.

Отсоедините разъем автоматического предотвращения запотевания.

3.

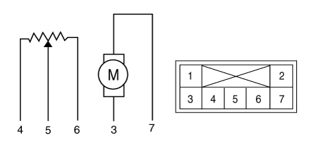
Убедитесь, что привод автоматического предотвращения запотевания работает в открытом положении. при подключении 12 В к клемме 3 и заземлению клеммы 4.

Убедитесь, что привод автоматического предотвращения запотевания работает в закрытом положении. при подключении наоборот.

Пин №
Функция
1
-
2
-
3
Открыть
4
Датчик (+5В)
5
Сигнал обратной связи
6
Масса датчика
7
Выключенный

4.

Подсоедините разъем привода автоматического предотвращения запотевания.

5.

Включите зажигание.

6.

Проверьте напряжение между клеммами 6 и 5.

7.

Если измеренное напряжение не соответствует спецификации, проверьте работу путем замены существующего актуатора автоматического предотвращения запотевания новой оригинальной деталью. После этого определите, нужна ли замена актуатора автообдува требуется или нет.

Замена
1.

Отсоедините отрицательную (-) клемму аккумуляторной батареи.

2.

Снимите привод впуска.

(См. Вентилятор - «Привод впуска»)

3.

Отсоедините разъем (B), а затем снимите привод автоматического предотвращения запотевания. (А) после ослабления крепежных винтов.

4.

Для установки выполните процедуру удаления в обратном порядке.

Привод управления режимами
Описание и работа Описание Привод управления режимами расположен на блоке отопителя. Он регулирует положение дверцы режимов, управляя исполнительным механизмом управления режимами. на основе о...
воздуходувка
...
Дополнительная информация:

Kia Forte 2019-2023 (BD) Руководство по техническому обслуживанию: Механическая коробка передач


Сервисные данные Сервисные данные Модель коробки передач M6CF3-1 Тип двигателя Гамма 1.6 Т-ГДИ Передаточное число 1-й 3.308 2-й 1,962 3-й 1,323 ...

Kia Forte 2019-2023 (BD) Руководство по ремонту: Замок передней двери


Компоненты и расположение компонентов Расположение компонента 1. Замок передней двери Процедуры ремонта Замена 1. Снимите модуль передней двери. (См. Передняя дверца — «Модуль передней дверцы») 2. Д...