Kia Optima Hybrid: тормозная система / процедура прокачки тормозов

Процедура прокачки тормозной системы AHB
Не используйте повторно слитую жидкость.
Всегда используйте оригинальную тормозную жидкость DOT3/DOT4. Использование неоригинального Тормозная жидкость DOT3/DOT4 может вызвать коррозию и сократить срок службы тормозной системы. система.
Убедитесь, что грязь или другие посторонние вещества не загрязняют тормозную жидкость.
Не проливайте тормозную жидкость на автомобиль, это может повредить краска; если тормозная жидкость попала на краску, немедленно смойте ее с водой.
При выпуске воздуха убедитесь, что уровень тормозной жидкости превышает 10 мм, начиная с линии «MIN».
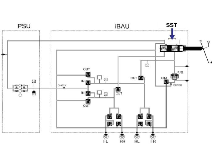
Чтобы снять крышку расширительного бачка для доливки тормозной жидкости, всегда закрывайте воздушный запорный клапан SST.
Процедура установки инструмента для выпуска воздуха
Во избежание повреждения бачка тормозной жидкости и обеспечьте безопасность работника, установите давление манометра на стандартное значение перед установкой SST.
1.
Перед установкой SST на транспортное средство закройте воздушный запорный клапан (A), чтобы настроить манометр на стандартное значение.

Для безопасности рабочего и правильной настройки давления убедитесь, что заглушка (B) установлена ​​правильно.
2.
Подсоединив воздушный шланг и открыв воздушный запорный клапан (А), отрегулируйте манометр (В) на стандартное значение.

Стандартное значение давления: 0,3 ~ 0,5 МПа (43,5 ~ 72,5 фунтов на кв. дюйм)

3.
закройте воздушный запорный клапан (А) и снимите заглушку (В).

Для безопасности рабочего убедитесь, что воздушный запорный клапан закрыт, и выньте заглушку.
4.
Снимите крышку бачка тормозного бачка.
5.
Установите крышку (A) SST (0k585-E8100) на расширительный бачок.

6.
Убедитесь, что обратный клапан (A) закрыт, и подсоедините SST(09580-3D100) (A) к адаптеру (B).

Процедура удаления инструмента для выпуска воздуха
1.
Чтобы снять SST (09580-3D100) с автомобиля, сначала закройте воздушный запорный клапан (A).

2.
После отсоединения воздушного шланга (В) стравите воздух из ресивера, медленно открывая воздушный запорный клапан (А).

Чтобы предотвратить обратный поток тормозной жидкости, обязательно медленно открывайте воздушный запорный клапан, а затем стравливайте воздух из расширительного бачка.
3.
Снимите SST (09580-3D100) и крышку SST (0k585-E8100) на расширительном бачке.

4.
Установите крышку бачка тормозной системы.
Прокачка тормозной системы AHB, шаг 1 (блок управления IBAU выключен)
Для прокачки следует использовать IBAU, заполненный тормозным маслом.
1.
Отсоедините отрицательную (-) клемму аккумуляторной батареи, чтобы выключить ЭБУ IBAU.
2.
Установите приспособление для выпуска воздуха (специальное приспособление: 09580-3D100) и колпачок Нержавеющая сталь (0k585-E8100) в резервуар-накопитель и создайте давление (0,3–0,5 МПа (43,5 ~ 72,5psi)) к нему.

3.
Инициируйте выпуск воздуха на всех винтах для выпуска воздуха в следующих случаях. до тех пор, пока в жидкости не перестанут появляться пузырьки воздуха. После эфира прокачки, закройте прокачные винты.
БП IBAU (2 штуцера для выпуска воздуха) 4 колеса (по 15 секунд на каждое)

4.
Выполните выпуск воздуха, нажимая на педаль тормоза и открытие прокачных винтов; затем закройте прокачные винты и отпустите тормоз педаль. Выполните эту процедуру 10 раз.
Последовательность спускного винта: IBAU (2 штуцера для выпуска воздуха) 4 колеса
Повторяйте до тех пор, пока в жидкости не перестанут появляться пузырьки воздуха.
Будьте осторожны, чтобы воздух не попал в тормозную магистраль при слишком сильном открытии прокачных винтов.
Прокачка тормозной системы AHB, шаг 2 (блок управления IBAU включен)
1.
Подсоедините отрицательную (-) клемму аккумулятора, чтобы включить ЭБУ IBAU.
2.
Установите ECU S/W в режим прокачки тормозной системы.
Установка ECU S/W в режим выпуска воздуха через 30 секунд.
(1)
После включения зажигания с помощью кнопки запуска двигателя установите передние колеса прямо вперед и ручку рычага переключения передач в положение парковки.
(2)
Нажмите и отпустите педаль тормоза 10 раз, одновременно нажимая на педаль тормоза. Выключатель постоянного тока. Убедитесь, что педаль тормоза нажата более чем на 40 мм и Полностью освободите его, не наступая ни на шаг.
(3)
Выключите кнопку запуска двигателя; затем запустите двигатель и включите переключатель «VDC off».
Режим выпуска воздуха отключается в каждом последующем состоянии.
(1)
IGN OFF и ручка рычага переключения передач в положении D/R/N
(2)
Обнаружение кода неисправности
(3)
Уровень тормозной жидкости ниже "MIN".
(4)
Выключите переключатель «VDC off».
3.
Используйте инструмент для выпуска воздуха (специальное оборудование: 09580-3D100, 0K585-E8100) и подайте масло под давлением 0,3 ~ 0,5 МПа (43,5 ~ 72,5 фунтов на квадратный дюйм) в резервуар.
Ослабьте прокачные винты на 4 колесах; затем инициируйте воздух прокачать и закрыть их, нажимая педаль тормоза наполовину непрерывно. Выполнить 10 раз; затем отпустите педаль тормоза.

4.
Подключите GDS к разъему канала передачи данных, расположенному под приборной панелью, и выполните «Режим циркуляции жидкости» на GDS.
Режим циркуляции жидкости предназначен для удаления пузырьков воздуха в тормозной системе. жидкости, которая выбрасывается в воздух при циркуляции тормозной жидкости внутри IBAU в расширительном бачке.
Процедуры отключения при высоком напряжении

Процедуры отключения при высоком напряжении     Перед выполнением любых работ, связанных с системой высокого напряжения, обязательно прочтите и соблюдайте «Общую информацию по технике безопасности и предостережения». Несоблюдение...

Технические характеристики

... Технические характеристики ДетальСпецификацияПередний дисковый тормозТипВентилируемый дискДиск O.D.O 300 мм (11,81 дюйма)Толщина диска28 мм (1,10 дюйма)Поршень суппортаОдиночныйцилиндр I.D.O 60 мм (2,36 дюйма)Задний дисковый тормозТипСплошной дискДисковый ...

Дополнительная информация:

Kia Optima Hybrid (TF HEV) 2016-2020 Руководство по техническому обслуживанию: Процедуры ремонта передней ступицы/поворотного кулака


Замена 1. Слегка ослабьте колесные гайки. Поднимите автомобиль и убедитесь, что он надежно закреплен. 2. Снимите колесные гайки, снимите переднее колесо и шину с передней ступицы. Момент затяжки: 88,2 ~ 107,8 Н·м (9,0 ~ 11,0 кгс·м, 65,0 ~ 79,5 фунт-фут) Будьте осторожны, чтобы не повредить колесные гайки, когда ...

Kia Optima Hybrid (TF HEV) 2016-2020 Руководство по обслуживанию: Технические характеристики датчика выходной скорости


Технические характеристики Тип: Датчик Холла Рабочие условия (°C)°F((-)40 ~ 150)) -104 ~ 302Воздушный зазор (мм) дюйм(0,25 ~ 1,9)0,00984 ~ 0,0748Выходное напряжениеВысокое1,18~1,68Низкое0,59 ~ 0,84 ...