Kia Optima Hybrid: Система контроля улавливания паров топлива / Принципиальные схемы

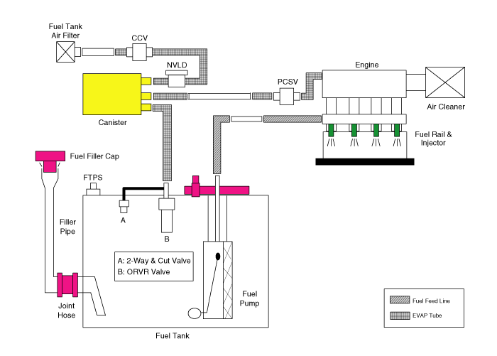
Схематическая диаграмма

Канистра
Канистра заполнена древесным углем и поглощает испаряющийся паров топлива из топливного бака. Собранные пары топлива в адсорбере втягивается во впускной коллектор блоком ECM/PCM при необходимости условия установлены.
Электромагнитный клапан управления продувкой (PCSV)
Электромагнитный клапан управления продувкой (PCSV) установлен в проход, соединяющий адсорбер с впускным коллектором. это долг тип электромагнитного клапана и управляется сигналом ECM/PCM.
Для всасывания абсорбированных паров во впускной коллектор модуль ECM/PCM открывает PCSV, в противном случае проход остается закрытым.
Крышка топливного бака
Храповое затяжное устройство в резьбовой крышке топливного бака снижает вероятность неправильной установки при герметизации топливного бака наполнитель. После прокладки на крышке топливного бака и фланце заливной горловины контакт, храповик издает громкий щелчок, указывающий на печать установлена.
Датчик давления в топливном баке (FTPS)
Датчик давления в топливном баке (FTPS) является неотъемлемой частью система мониторинга. FTPS проверяет электромагнитный клапан управления продувкой. (PCSV) и утечки в системе контроля выбросов паров топлива контроль давления и уровня разрежения в топливном баке во время PCSV рабочие циклы.
Клапан закрытия канистры (CCV)
Клапан закрытия адсорбера (CCV) расположен между канистру и воздушный фильтр топливного бака. Он закрывает вход воздуха в канистра для системы улавливания паров топлива, а также предотвращает попадание топлива паров от выхода из канистры, когда автомобиль не операционная.
NVLD (обнаружение утечки естественного вакуума)
Модуль NVLD (обнаружение утечки естественного вакуума) расположен между адсорбером и воздушным фильтром топливного бака. NVLD должен обнаруживать утечки, эквивалентные 0,5-миллиметровому отверстию в топливном баке, адсорбере и шлангах. Модуль NVLD имеет реле давления и датчик температуры. ЕСМ контролирует состояние давления по изменению температуры через реле давления и датчик температуры и нашли, есть ли утечка или нет.
[Нормальный диагноз]

1.
Чтение информации (READ_INI и INI)
Готов начать диагностику с инициализацией. Диагностика начинается с запроса водителя на запуск автомобиля (положение ключа при запуске)
Когда процесс начинается, ECM считывает информацию NVLD и информацию о сбоях, которые сохраняются в течение периода выключения ключа автомобиля.
Допустимый диапазон измерения температуры воздуха составляет от -40°C до 120°C. «Вне диапазона» сообщается, если измеренная температура выходит за пределы допустимого диапазона. этот диапазон. После запроса запомненные значения из NVLD читать. Следующая информация получена от модуля NVLD; воздух отклонение температуры 6С в течение не менее 2 часов при замачивании, проверка Переключатель НВЛД замкнут во время замачивания, достоверность датчика температуры воздуха/ проверка электрической неисправности, которая обнаруживается во время замачивания, давления переключать проверку электрических сбоев во время замачивания и сбрасывать сбои из-за к потере мощности
2.
Чтение информации (SW_VERSION)
NVLD отправляет 8-битное значение версии программного обеспечения, когда ECM выполняет запрос.
3.
Чтение температуры воздуха (TAM_SWI_DIAG/READ_TAM)
Когда ECM запрашивает температуру воздуха NVLD, измеренное значение температуры отправляется в HCU в виде 8-битного значения.
В случае ошибки "вне диапазона" максимальные или минимальные значения получены. В течение периода всякий раз, когда ECM запрашивает давление NVLD переключатель электрической проверки, NVLD возвращает текущие и фактические значения из-за ошибки электрического переключателя. Ибо значения красные от НВЛД, можно вернуть более одной электрической ошибки одновременно время, так как все ошибки могли произойти во время фазы включения двигателя.
4.
Диагностика малых утечек (SMALL_LEAK_DIAG)
Для проверки небольшой утечки ECM запрашивает сохраненную информацию из НВЛД. Во время замачивания разрешение времени закрытия переключателя составляет 10 минут. Это означает, что максимальное время может составлять 2,5 часа (15 * 10 минут). время закрытия переключателя передается в ECM.
5.
ЖДАТЬ
Время задержки ожидания следующего процесса
6.
Диагностика больших утечек (COMPLETE_DIAG)
В этом процессе ECM проверяет большую утечку с помощью переключателя проверки. позиция. Во время диагностики большой утечки ECM запрашивает положение переключателя. информация, которая включает в себя текущее положение переключателя и переключатель переход положения, который отслеживается с момента запуска двигателя.
7.
Диагностика достоверности PCSV (CPS_CHK)
Когда обнаружена большая ошибка утечки или переключатель замкнут на начало запуска двигателя, заедание клапана продувки адсорбера (PCSV) диагностика выполняется с открытием PCSV.
8.
ОСТАНАВЛИВАТЬСЯ
Когда вся диагностика завершена, ECM запрашивает режим STOP. В течение этого периода всякий раз, когда ECM запрашивает электрическое реле давления NVLD. проверки, NVLD возвращает текущие и фактические значения для электрических ошибка переключения до конца ездового цикла.
9.
ОШИБКА
Когда обнаруживается какая-либо ошибка, из-за которой невозможно продолжить мониторинг EVAP, выполняется статус ERROR.
10.
ВЫКЛЮЧЕННЫЙ
Когда двигатель выключен при выключенном зажигании, ECM запрашивает статус STOP. NVLD повторно активируется звонком пробуждения при следующем ездовом цикле (кнопка положение в начале). В течение этого периода NVLD проверяет функцию таймера. и сообщает сообщение об ошибке, если обнаружена какая-либо проблема.
11.
СПАТЬ
Если условия контроля выключения ключа для обнаружения небольшой утечки неудовлетворительно, ЕСМ запрашивает состояние сна. Во время статуса нет расчеты выполняются в NVLD в течение периода выключения ключа.
[Диагностика проверки герметичности EVAP]

1.
Проверка переключателя и стабилизация давления в баке
Для выполнения диагностики утечки NVLD программное обеспечение ECM пропускает нормальный процесс и запускает диагностику сразу после диагностики утечки Запросы. Когда диагностика утечки запрошена внешним инструментом, ECM запрашивает HCU остановить двигатель. Когда двигатель останавливается, ECM полностью открывает PCSV. для проверки заедания реле давления NVLD и для стабилизации резервуара давление перед началом диагностики утечки. Если какой-либо переключатель застрял обнаружен сбой, диагностика утечки завершается и сообщает о результатах через инструмент.
2.
Диагностика малых и больших утечек
После проверки заедания переключателя и стабилизации давления ECM запрашивает HCU для запуска двигателя, а целевое значение холостого хода составляет 1500 об / мин для работы. стабильность. ECM открывает PSCV и проверяет положение реле давления NVLD до тех пор, пока переключатель замкнут. Чем дольше время закрытия переключателя, тем больше утечка размер можно оценить. ECM преобразует время закрытия переключателя в утечку размера и сообщает о результатах. Если утечка не обнаружена или обнаружена небольшая утечка, Диагностика проверки на утечку завершается. Но если обнаружена большая неисправность утечки, процесс переходит к следующему шагу.
3.
Диагностика правдоподобия PCSV
При обнаружении любой крупной утечки в предыдущем состоянии ECM выполняет диагностику зависания PCSV, чтобы проверить основную причину увеличения утечка. ECM открывает PCSV и проверяет результаты диагностики. Если диагноз результаты приемлемы, ECM завершает диагностику утечки и подтверждает отказ от большой утечки. Но если результаты выходят за пределы диапазона, ЕСМ пытается Диагноз правдоподобия PCSV не более 3 раз. Когда результаты еще неудовлетворительно даже после 3 испытаний. ECM подтверждает зависание PCSV и сообщает результаты.
4.
Отмена диагностики утечки
Если какие-либо условия не выполняются, ECM останавливает процесс. и сообщает причину отмены с помощью сканера. Инженер может проверить первопричина и решить проблемы, чтобы остановить процесс.
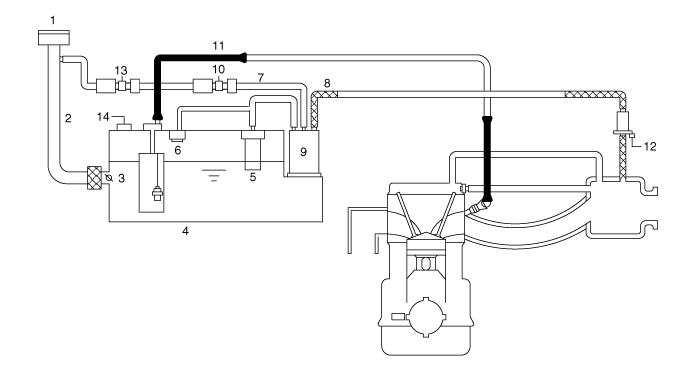
Испарительная система и система контроля выбросов ORVR
Эта система состоит из клапана наполнения и отсечки топлива. клапан, клапан отсечки топлива (для опрокидывания), двухходовой клапан (давление/вакуум сброс), сепаратор топливной жидкости/паров, который установлен рядом с наполнительная труба, угольный фильтр, установленный под задним полом слева лонжерон и протектор, трубки и разные соединения.
При заправке в заливную горловину втягивается окружающий воздух, поэтому чтобы не выделять пары топлива в воздух. Пары топлива в баке затем принудительно поступает в канистру через выпускной клапан. Топливо сепаратор жидкость/пар изолирует жидкое топливо и пропускает чистый пар в угольный баллончик.
Во время работы двигателя пары, попавшие в канистра втягивается во впускной коллектор, а затем в двигатель камера сгорания. Используя этот процесс очистки, угольный фильтр очищается. очищается и восстанавливает свою поглощающую способность.

1. Крышка топливного бака
2. Топливная горловина
3. Клапан отсечки топлива
4. Топливный бак
5. Клапан ОРВР
6. 2-ходовой и отсечной клапан
7. Испарительный шланг
8. Испарительный шланг
9. Канистра
10. Модуль обнаружения утечки естественного вакуума (NVLD)
11. Линия подачи топлива
12. Электромагнитный клапан управления продувкой (PCSV)
13. Клапан закрытия канистры (CCV)
14. Датчик давления в топливном баке (FTPS)

Описание и работа

Описание Система контроля улавливания паров топлива предотвращает попадание паров топлива, хранящихся в топливном баке, в атмосферу. Когда топливо испаряется в топливном баке, пары проходят через вентиляционное...

Процедуры ремонта

Проверка Когда двигатель выключен, изменение давления в топливном баке по температуре окружающей среды контролируется NVLD, а когда двигатель запускается, ECM оценивает, есть ли утечка или нет через...

Дополнительная информация:

Kia Optima Hybrid (TF HEV) 2016-2020 Руководство по техническому обслуживанию: Описание и работа датчика температуры масла в коробке передач


Описание Датчик температуры масла трансмиссии контролирует температуру жидкости автоматической трансмиссии и передает показания в TCM. Это датчик NTC (отрицательный тепловой коэффициент), сопротивление которого обратно пропорционально зависит от уровня температуры. Данные, полученные этим датчиком...

Kia Optima Hybrid (TF HEV) 2016-2020 Руководство по обслуживанию: Специальные сервисные инструменты


Специальные сервисные инструменты Название инструмента/номер ИллюстрацияОписание09581-11000Расширитель поршняИспользуется для расширения переднего и заднего тормозного поршня.09580-3D100Инструмент для выпуска воздухаИспользуется для выпуска воздуха из тормозной системы.0k585-E8100Инструмент для выпуска воздухаИспользуется для выпуска воздуха из тормозной системы. Личный ...