Kia Sorento: Cylinder Head Components - Cylinder Head Assembly - Engine Mechanical System - Kia Sorento XM 2011-2023 Service Manual Kia Sorento: компоненты головки блока цилиндров

XM второго поколения (2011-2023 гг.) / Kia Sorento XM 2011-2023 Руководство по ремонту / Механическая система двигателя / Головка цилиндра в сборе / Компоненты головки блока цилиндров

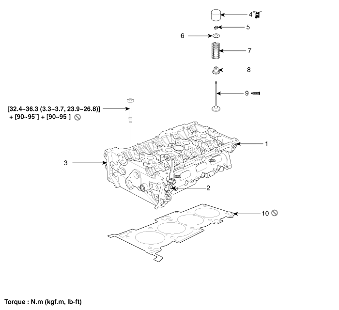
1. Головка блока цилиндров
2. Впускной OCV (масляный регулирующий клапан)
3. Выпускной OCV (масляный регулирующий клапан)
4. ГНД
5. Замок фиксатора
6. Фиксатор
7. Пружина клапана
8. Уплотнение штока клапана
9. Клапан

CVVT и установка распредвала
1. Установите впускной CVVT в сборе (A), выпускной CVVT в сборе (B) и распределительный вал (C). Момент затяжки : 53,9~63,7 Н.м (5,5~6,5 кгс.м, 39...
Снятие головки цилиндров
• Используйте накладки на крылья, чтобы не повредить окрашенные поверхности. • ...
Смотрите также:

Водяной насос Осмотр
1. Проверьте каждую деталь на наличие трещин, повреждений или износа и замените охлаждающую жидкость. насос в сборе при необходимости. 2. Проверьте подшипник на наличие повреждений, отклонений...

Замена панорамного люка
Замена подвижного стекла 1. Наклоните заднюю часть подвижного стекла (А) с помощью панорамы. переключатель люка. 2. Снять обе стороны...

Принципиальная электрическая схема
...