Kia Sorento: Direct Electro Hydraulic Actuator Coupling Operation - Coupling Assembly - 4 Wheel Drive (4WD) System - Kia Sorento XM 2011-2023 Service Manual Kia Sorento: работа муфты прямого электрогидравлического привода

XM второго поколения (2011-2023 гг.) / Kia Sorento XM 2011-2023 Руководство по ремонту / Система полного привода (4WD) / Муфта в сборе / Прямое соединение с электрогидравлическим приводом

Электронная муфта
[Неактивный]

[Активный]

Операционный порядок
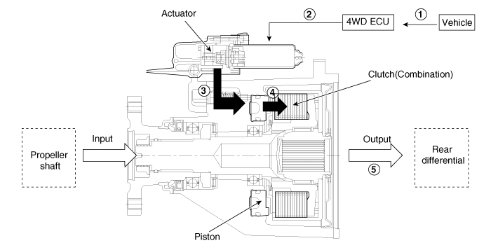
1.
ЭБУ 4WD получает сигналы CAN от датчиков автомобиля.
2.
ЭБУ 4WD рассчитывает необходимое количество задних колес крутящий момент и посылает соответствующий управляющий ток на привод (электронный двигатель и гидравлический насос).
3.
Гидравлическое давление, создаваемое приводом, перемещает поршень.
4.
Трение от движения поршня включает сцепление.
5.
Мощность передается на задние колеса.

Муфта прямого электрогидравлического привода Описание
ЭБУ 4WD обрабатывает сигналы от различных датчиков и определяет текущую дорога и условия вождения. Затем ЭБУ использует эту информацию для реализации прецизионный контроль над муфтой 4WD ...
Прямая проверка муфты электрогидравлического привода
Все агрегаты заполнены смазочной жидкостью (сверхнизкой вязкостью). ATF) перед отправкой. Проверка, заправка и замена...
Смотрите также:

Сбор данных о транспортных средствах и регистраторы данных о событиях
Этот автомобиль оснащен регистратором данных о событиях (EDR). Главная цель EDR заключается в записи в определенных аварийных или близких к аварийным ситуациях, таких как срабатывание подушки безопасности или столкновение с дорогой...

Снятие замка багажника с электроприводом
1. Отсоедините отрицательную (-) клемму аккумуляторной батареи. 2. Ослабив крепежные винты, снимите заднюю дверь. отделка (А). (Ссылаться ...

Компоненты передней втулки/поворотного кулака/тонального колеса
1. Рулька 2. Пылезащитный чехол 3. Ступица в сборе 4. Тормозной диск ...