Kia Sorento: Engine Mounting Components - Engine And Transmission Assembly - Engine Mechanical System - Kia Sorento XM 2011-2023 Service Manual Kia Sorento: Детали крепления двигателя

XM второго поколения (2011-2023 гг.) / Kia Sorento XM 2011-2023 Руководство по ремонту / Механическая система двигателя / Сборка двигателя и трансмиссии / Детали крепления двигателя

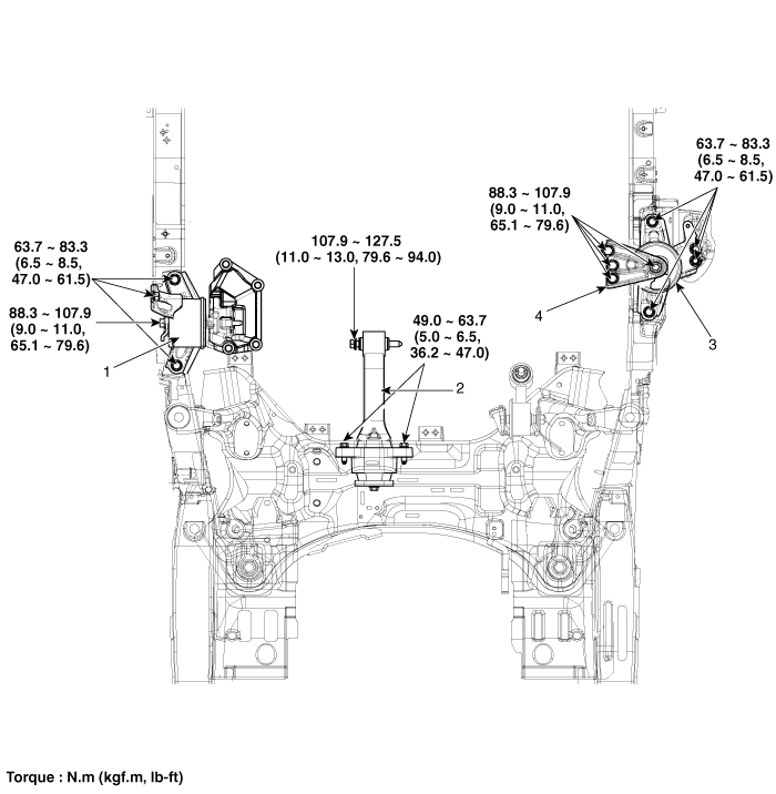
1. Кронштейн крепления коробки передач
2. Кронштейн роликовой тяги
3. Кронштейн крепления двигателя
4. Опорный кронштейн крепления двигателя

Снятие и установка под крышкой машинного отделения
1. Открутите крепления и болты и снимите моторный отсек под крышка (А). Момент затяжки: 7,8~11,7 Н.м (0,8~1,2 кгс...
Снятие и установка подвески двигателя
Рулонный дорожный кронштейн 1. Снимите кронштейн роликовой направляющей (А). Момент затяжки Болт (В): 49,0~63,7 Н.м (5,0~6,5 кгс.м, 36,2...
Смотрите также:

Смазочные материалы
Элемент Специфицированный смазочный материал Количество трансмиссионная жидкость ATF SP-Ⅳ или эквивалент 7,8 л (2,06 галлона США, 8,24 кварты США, 6,86 имп. кварты) ...

Технические характеристики
Прямое управление VFS[T/CON] ▷ Тип управления: нормальный низкий тип Управляющее давление, кПа (кгс/см², psi) 0 ~ 539,37 (0 ~ 5,5, 0 ~ 78,23) Текущее значение (мА) ...

Поиск неисправностей
Симптом Подозрительная область Двигатель не запускается или запускается с трудом Поврежден или отсоединен паровой шланг Двигатель с трудом запускается Неисправность продувки ...