Kia Sorento: Removal - Automatic Transaxle - Automatic Transaxle System - Kia Sorento XM 2011-2023 Service Manual Киа Соренто: Снятие

XM второго поколения (2011-2023 гг.) / Kia Sorento XM 2011-2023 Руководство по ремонту / Автоматическая трансмиссия / Автоматическая коробка передач / Удаление

1.
Снимите кожух двигателя.
(См. Механическая система двигателя — «Крышка двигателя»)
2.
Снимите воздушный фильтр в сборе и воздуховод.
(См. Механическая система двигателя — «Воздушный фильтр»)
3.
Снимите батарею и поддон для батареи.
(См. Электрическая система двигателя — «Аккумулятор»)
4.
Отсоедините разъем выключателя блокировки (А) и электромагнитный клапан. соединитель (В).

5.
Снимите датчик положения коленчатого вала (А).

Момент затяжки :
(A) 6,9 ~ 9,8 Н·м (0,7 ~ 1,0 кгс·м, 5,1 ~ 7,2 фунт-фут)

6.
Снимите трос переключения передач (B), отвернув гайку (C) и болт (А).

Момент затяжки :
(A) 14,7 ~ 21,6 Н·м (1,5 ~ 2,2 кгс·м, 10,9 ~ 15,9 фунт-фут)
(C) 7,8 ~ 11,8 Н·м (0,8 ~ 1,2 кгс·м, 5,8 ~ 8,7 фунт-фут)

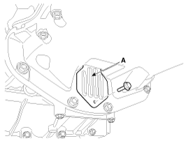
7.
Снимите линию заземления после удаления болта (A).

Момент затяжки :
(A) 10,8 ~ 13,7 Н·м (1,1 ~ 1,4 кгс·м, 8,1 ~ 10,1 фунт-фут)

8.
Снимите установочный болт кронштейна проводки (А).

9.
Отсоедините шланг охлаждающей жидкости (В) после снятия автоматической коробки передач. хомут шланга охлаждающей жидкости (А).
10.
Снимите зажим крепления проводки (С).

11.
Снимите болты крепления трубки охлаждающей жидкости (А).
12.
Снимите трубку охлаждающей жидкости (В).

Момент затяжки :
(A) 8,8 ~ 13,7 Н·м (0,9 ~ 1,4 кгс·м, 6,5 ~ 10,1 фунт-фут)

13.
Снимите установочный болт кронштейна проводки (А).

14.
Собрал опору двигателя.
(См. Специальные инструменты для обслуживания — «Специальное крепление опоры двигателя». сборочный чертеж инструмента")
15.
Снимите подъемник капота.
(См. Тело-«Капот»)
16.
Используя приспособление для опоры двигателя (А), удерживайте двигатель и коробку передач. сборка безопасно.

17.
Снимите верхние болты крепления автоматической коробки передач (А) и болт крепления стартера (В).

Момент затяжки :
(A) 42,2 ~ 54,0 Н·м (4,3 ~ 5,5 кгс·м, 31,1 ~ 39,8 фунт-фут)
(B) 49,0 ~ 63,7 Н·м (5,0 ~ 6,5 кгс·м, 36,2 ~ 47,0 фунт-фут)

18.
Снимите крышку монтажного кронштейна (А).

19.
Снимите болт крепления кронштейна автоматической коробки передач (А).

Момент затяжки :
88,3~107,9 Н·м (9,0~11,0 кгс·м, 65,1~79,6 фунт-фут)

20.
Снимите болты опорного кронштейна автоматической коробки передач с главной передачей в сборе. (А).
21.
Снимите опорный кронштейн автоматической коробки передач (В).

Момент затяжки :
58,8 ~ 78,5 Н·м (6,0 ~ 8,0 кгс·м, 43,4 ~ 57,9 фунт-фут)

22.
Снимите нижнюю крышку.
(См. Механическая система двигателя — «Машинное отделение под крышкой»)
23.
Снимите боковую крышку (А).

Момент затяжки :
7,8 ~ 11,8 Н·м (0,8 ~ 1,2 кгс·м, 5,8 ~ 8,7 фунт-фут)

24.
Удалите следующие элементы;
2WD
А.
Сборка подрамника.
(См. «Система передней подвески» в группе SS.)
Б.
Снимите приводной вал в сборе.
(См. «Узел приводного вала» в группе DS.)
4WD
А.
Сборка подрамника.
(См. «Система передней подвески» в группе SS.)
Б.
Передний глушитель.
(См. «Передний глушитель»)
С.
Сборка приводного вала.
(См. «Узел приводного вала» в группе DS.)
Д.
Трансфер в сборе.
(См. «Перенос сборки» в группе WD.)
25.
Снимите пылезащитную крышку (А).

26.
Снимите болты крепления гидротрансформатора (А), вращая коленчатый вал.

Момент затяжки :
45,1 ~ 52,0 Н·м (4,6 ~ 5,3 кгс·м, 33,3 ~ 38,3 фунт-фут)

27.
Снимите болт крепления стартера (А).

Момент затяжки :
49,0 ~ 63,7 Н·м (5,0 ~ 6,5 кгс·м, 36,2 ~ 47,0 фунт-фут)

28.
Снимите автоматическую коробку передач с помощью домкрата после снятия крепежные болты (А, В).

Момент затяжки :
(A) 39,2 ~ 46,1 Н·м (4,0 ~ 4,7 кгс·м, 28,9 ~ 34,0 фунт-фут)
(B) 78,5 ~ 98,1 Н·м (8,0 ~ 10,0 кгс·м, 57,9 ~ 72,3 фунт-фут)

Расположение компонентов
1. Автоматическая коробка передач 2. Кронштейн троса переключения 3. Разъем переключателя блокировки 4. Рычаг ручного управления 5. Кронштейн крепления автоматической коробки передач 6. Соединение электромагнитного клапана ...
Монтаж
1. Установите в порядке, обратном снятию. Если сальник на коробке передач...
Смотрите также:

Чрезвычайная ситуация во время вождения
Если двигатель заглох на перекрестке или переходе Если двигатель глохнет на перекрестке или перекрестке, установите рычаг переключения передач в положение N. (Нейтральное) положение, а затем толкните автомобиль в безопасное место. Если вы ха...

Снятие и установка резервуара-накопителя
1. Снимите переливной шланг (А). 2. Снимите расширительный бачок (В) после ослабления болтов. Момент затяжки: ...

Установка переключателя обнаружения слепых зон
1. Установите блок бокового переключателя аварийной подушки после подключения разъем. 2. Установите нижнюю панель аварийной подушки. ...