Kia Soul EV: дверные замки с электроприводом / приводы дверных замков с электроприводом Процедуры ремонта

Kia Soul EV (PS EV) 2015-2020 Руководство по техническому обслуживанию / Электрическая система кузова / Замки с электроприводом / Приводы дверных замков с электроприводом Процедуры ремонта

осмотр
Проверка модуля замка передней двери
1.
Снимите обивку передней двери.
(См. Кузов — «Облицовка передней двери»)
2.
Снимите модуль передней двери.
(См. Кузов — «Модуль передней двери»)
3.
Отсоедините разъемы от привода.

4.
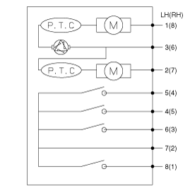
Проверьте работу привода, подключив питание и массу. согласно табл. Чтобы предотвратить повреждение привода, используйте батарею. напряжение только на мгновение.

[Центральный замок]

5.
Проверьте целостность цепи между клеммами в каждом положении переключателя в соответствии с таблицей.

Проверка модуля замка задней двери
1.
Снимите обивку задней двери.
(См. Кузов — «Облицовка задней двери»)
2.
Снимите модуль задней двери.
(См. Кузов — «Модуль задней двери»)
3.
Отсоедините разъемы от привода.

4.
Проверьте работу привода, подключив питание и массу. согласно табл. Чтобы предотвратить повреждение привода, используйте батарею. напряжение только на мгновение.

[Центральный замок]

5.
Проверьте целостность цепи между клеммами в каждом положении переключателя в соответствии с таблицей.

Проверка модуля замка задней двери
1.
Снимите обшивку задней двери.
(См. Кузов — «Отделка задней двери»)
2.
Отсоедините разъем 4P от привода.

3.
Проверьте работу привода, подключив питание и массу. согласно табл. Чтобы предотвратить повреждение привода, используйте батарею. напряжение только на мгновение.

Переключатель открытия задней двери
1.
Снимите обшивку задней двери.
(См. Кузов — «Отделка задней двери»)
2.
Отсоедините разъем от привода.

3.
Проверьте целостность цепи между клеммами в каждом положении переключателя в соответствии с таблицей.

Выключатель капота
1.
Отсоедините разъем (А) и болты от выключателя капота.

2.
Проверьте целостность цепи между клеммами и массой в соответствии с таблицей.

Компоненты и расположение компонентов
Расположение компонента 1. Главный выключатель электрического стеклоподъемника водителя2. BCM (модуль управления кузовом) 3. Выключатель дверного замка4. Привод замка передней двери и переключатель5. Привод и переключатель замка задней двери6. Замок багажника...
Процедуры ремонта выключателя дверного замка с электроприводом
Диагностика с помощью GDS 1. BCM можно диагностировать с помощью GDS. BCM связывается с GDS, которая затем отображает входные и выходные данные вдоль с кодами. Он сможет быстро поставить диагноз...
Дополнительная информация:

Kia Soul EV (PS EV) 2015-2020 Service Manual: Специальные сервисные инструменты


Специальные сервисные инструменты Название/номер инструментаИллюстрацияОписаниеУстановщик бандажа09495-3K000Используется для установки бандажа багажника с ушкамиСъемник09495-33000Используется для снятия крестовины в сбореСъемник шарового шарнира09568-34000Используется для отделения шарового шарнира от передней оси. ...

Kia Soul EV (PS EV) 2015-2020 Руководство по техническому обслуживанию: Датчик бокового удара (SIS) Процедуры ремонта


Удаление Датчик бокового удара давления • Снятие подушки безопасности должно выполняться в соответствии с мерами предосторожности/процедурами, описанными ранее. • Перед отсоединением разъема датчика лобового столкновения отсоедините разъем(ы) передней подушки безопасности. ...