Kia Soul EV: электрические стеклоподъемники / электрические стеклоподъемники Компоненты и расположение компонентов

Kia Soul EV (PS EV) 2015-2020 Руководство по техническому обслуживанию / Электрическая система кузова / Электрические стеклоподъемники / Компоненты электродвигателя стеклоподъемника и расположение компонентов

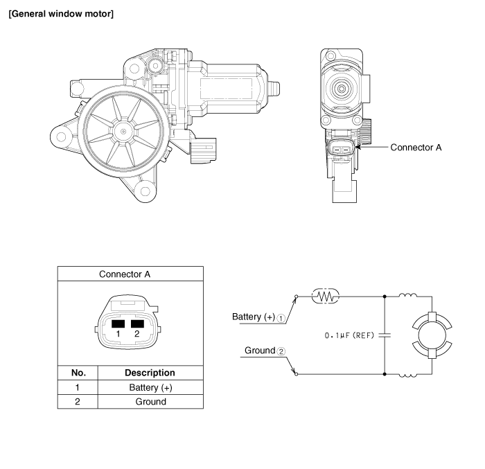
Компоненты

Описание и работа
Функция безопасного электрического стеклоподъемника При нажатии переключателя автоматического подъема стеклоподъемника двери водителя активируется функция безопасности. 1. Состояние функции безопасности Если обнаружено усилие 100 Н или более (с помощью...
Процедуры ремонта электродвигателя стеклоподъемника
осмотр Электродвигатель переднего стеклоподъемника 1. Отсоедините отрицательную (-) клемму аккумуляторной батареи. 2. Снимите обивку передней двери. (См. Кузов — «Облицовка передней двери») 3. Отсоедините разъем (А) от ...
Дополнительная информация:

Kia Soul EV (PS EV) 2015-2020 Руководство по техническому обслуживанию: Противотуманные фары Процедуры ремонта


осмотр Переключатель противотуманных фар 1. Когда переключатель противотуманных фар находится в каждом положении, убедитесь, что существует непрерывность между следующими клеммами. Если преемственность не как указано, замените многофункциональный переключатель. Удаление Передняя противотуманная фара 1. Отсоедините отрицательную (-) клемму аккумуляторной батареи. 2. ...

Kia Soul EV (PS EV) 2015-2020 Руководство по техническому обслуживанию: Ремонт переднего стабилизатора поперечной устойчивости


Замена 1. Слегка ослабьте колесные гайки. Поднимите автомобиль и убедитесь, что он надежно закреплен. 2. Ослабьте болт (А) и отсоедините узел универсального шарнира от шестерни рулевого механизма. Момент затяжки: 32,4 ~ 37,3 Н·м (3,3 ~ 3,8 кгс·м, 23,9 ~ 27,5 фунт-сила...