Kia Stinger: Отопитель/блок отопителя

Kia Stinger CK 2018-2023 Руководство по ремонту / Отопление, вентиляция, кондиционирование / Обогреватель / Нагреватель

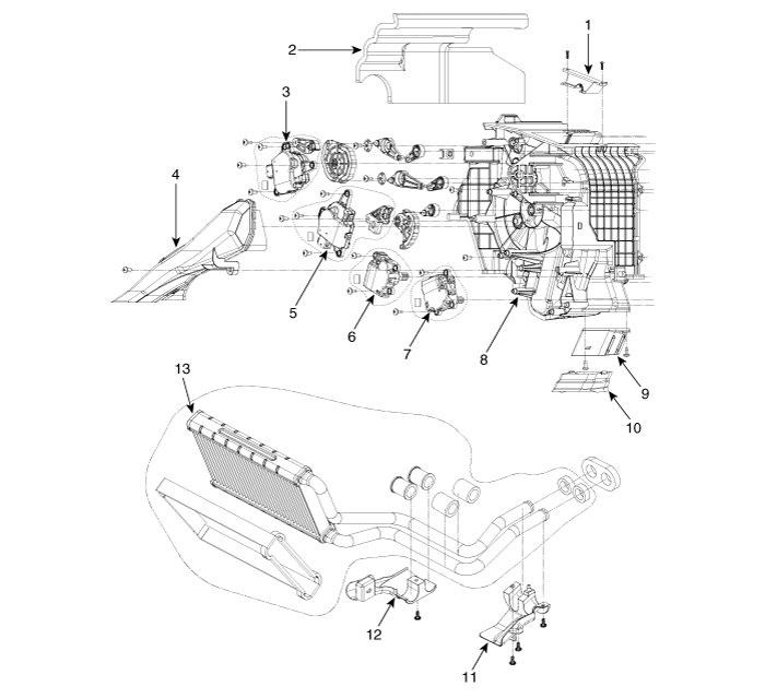
Компоненты и расположение компонентов
Расположение компонента

1. Нагреватель

Компоненты
[левый]

1. Воздушная охрана
2. Противошумная накладка
3. Привод управления режимами
4. Душевой канал [LH]
5. Привод контроля температуры
6. Активатор ВКЛ/ВЫКЛ консоли
7. Привод управления температурой консоли
8. Корпус отопителя [левый]
9. Задний воздуховод отопителя
10. Задний воздуховод отопителя
11. Крышка радиатора отопителя
12. Крышка радиатора отопителя
13. Сердечник нагревателя в сборе

[Правый]

1. Устранение запотевания тюлень
2. Автоматическая защита от запотевания дверцы [LH]
3. Печать
4. Автоматическая защита от запотевания дверцы [RH]
5. Привод автоматического предотвращения запотевания
6. Привод контроля температуры
7. Шланг аспиратора в сборе
8. Душевой канал [RH]
9. Изоляция испарителя [низкая]
10. Консольное уплотнение
11. Сепаратор отопителя
12. Крышка консоли
13. Противошумная накладка
14. Корпус отопителя [нижний]
15. Сливной шланг
16. Датчик температуры испарителя
17. Сердечник испарителя
18. Дверца контроля температуры
19. Корпус отопителя [правый]
20. Нагреватель ПТК

Процедуры ремонта
Замена
1.

Отсоедините отрицательную (-) клемму аккумуляторной батареи.

2.

Восстановите хладагент с помощью станции восстановления/переработки/зарядки.

3.

Когда двигатель остынет, слейте охлаждающую жидкость двигателя из радиатора.

D 2.2 R VGT (см. Механическая система двигателя — «Охлаждающая жидкость»)

G 2.0 T-GDI THETA (см. Механическая система двигателя — «Охлаждающая жидкость»)

G 3.3 T-GDI LAMBDA (см. Механическая система двигателя — «Охлаждающая жидкость»)

4.

Снимите верхнюю крышку капота.

(См. Корпус — «Верхняя крышка кожуха»)

5.

Снимите перегородку машинного отделения.

6.

Снимите расширительный клапан (A) с сердцевины испарителя после ослабления болты.

Момент затяжки: 7,8–11,7 Н·м (0,8–1,2 кгс·м, 5,8–8,7 фунт·фут)

Заглушите или закройте линии сразу после отключения их во избежание попадания влаги и пыли.

При установке замените уплотнительное кольцо новым (B).

7.

Отсоедините шланги отопителя (А).

Охлаждающая жидкость двигателя вытечет при отсоединении шлангов; слейте его в чистый поддон. Следите за тем, чтобы охлаждающая жидкость не пролилась на электрические части или окрашенные поверхности. Если прольется охлаждающая жидкость, немедленно смойте его.

8.

Ослабьте болты крепления поперечины капота (А).

9.

Снимите обе стороны переднего сиденья в сборе.

(См. Кузов — «Переднее сиденье в сборе»)

10.

Снимите напольную консоль.

(См. Кузов — «Узел напольной консоли»)

11.

Снимите обе стороны облицовки передней стойки.

(См. Кузов — «Облицовка передней стойки»)

12.

Снимите обе стороны боковой обшивки капота.

(См. Кузов — «Боковая отделка капота»)

13.

Снимите нижнюю панель аварийной подушки.

(См. Кузов — «Нижняя панель аварийной площадки»)

14.

Снимите нижнюю панель кожуха рулевой колонки.

(См. Кузов — «Панель кожуха рулевой колонки»)

15.

Снимите рулевое колесо.

(См. Система рулевого управления — «Рулевое колесо»)

16.

Снимите многофункциональный переключатель.

(См. Электрическая система кузова — «Многофункциональный переключатель»)

17.

Опустите рулевую колонку после ослабления крепежных болтов.

(См. Система рулевого управления — «Рулевая колонка и вал»)

18.

Снять обшивку порога передней двери.

(См. Кузов — «Облицовка дверных протертостей»)

19.

Отделите педаль акселератора (А) после ослабления болтов.

Момент затяжки: 8,8 - 13,7 Н·м (0,9 - 1,4 кгс·м, 6,5 - 10,1 фунт·фут)

20.

Снимите педаль акселератора после отсоединения разъема (А).

21.

Отделите напольный ковер (А), чтобы освободить место для снятия обогревателя задней части салона. канал.

22.

Снимите задний нагревательный канал (А), предварительно ослабив зажим.

23.

Отсоедините разъем рычага переключения передач (А).

24.

Отсоедините разъем (А) модуля управления подушками безопасности (SRSCM).

25.

Отсоедините разъемы распределительной коробки в салоне (А).

26.

Отсоедините разъемы мультибокса (А).

[левый]

[Правый]

27.

Отсоедините разъем (А) и крепежные зажимы на передней стойке.

[левый]

[Правый]

28.

Снимите сливной шланг (А).

29.

Ослабив гайки и болты, снимите основную защитную накладку и кожух. поперечина в сборе (A) в сборе.

[левый]

[Правый]

30.

Снимите встроенный блок управления кузовом.

(См. Электрическая система кузова — «Интегрированный блок управления кузовным оборудованием (IBU)»).

31.

Отсоедините разъемы блока отопителя и вентилятора.

(1)

Отсоедините привод регулятора температуры (А) и регулятор режима разъемы привода (B), а затем снимите монтажные зажимы проводки.

(2)

Отсоедините датчик температуры консоли (C), консоль ВКЛ/ВЫКЛ. разъемы привода (D), а затем снимите монтажные зажимы проводки.

(3)

Отсоедините датчик температуры испарителя (А), температура разъемы привода управления (B) и привода автоматического устранения запотевания (C), а затем снимите зажимы крепления проводки.

(4)

Отсоедините привод впуска (А), блок управления отопителем (В) и Разъем FET (C), а затем снимите монтажные зажимы проводки.

(5)

Отсоедините разъем электродвигателя вентилятора (А), а затем снимите клипсы крепления проводки.

(6)

Отсоедините разъем нагревателя PTC (A).

32.

Снимите нагреватель и блок вентилятора (A) с защитной накладки после ослабления монтажные гайки.

33.

Снимите крышку радиатора отопителя (А).

34.

Отделите блок вентилятора (B) от блока обогревателя (A) после ослабления винты.

35.

Установите в порядке, обратном снятию.

Обогреватель
...
Ядро нагревателя
Процедуры ремонта Замена 1. Отсоедините отрицательную (-) клемму аккумуляторной батареи. 2. Ослабив гайки и болты, снимите основной защитный щиток и...
Дополнительная информация:

Kia Stinger CK 2018-2023 Руководство по техническому обслуживанию: Верхняя крышка капота


Компоненты и расположение компонентов Расположение компонента 1. Верхняя крышка капота Процедуры ремонта Замена Наденьте перчатки, чтобы защитить руки. ...

Kia Stinger CK 2018-2023 Service Manual: Тормозной выключатель


Компоненты и расположение компонентов Компоненты 1. Тормозной выключатель 2. Педаль тормоза Принципиальные диаграммы Терминальная функция Пин № Описание 1 IGN1 2 IBU ...