Kia Stonic: система контроля выбросов / система испарения топлива

Руководство по ремонту Kia Stonic (YB) / система контроля выбросов / Система испарения топлива

описание и работа
Описание

Система предотвращает выход паров топлива из топливного бака в атмосферу. достигать. Когда топливо в топливном баке испаряется, пар течет через вентиляционные шланги или трубки в канистру, наполненную активированным углем а канистра временно удерживает пары активированного угля.

Когда модуль ECM определяет, что скопление паров происходит во время определенных событий в всасывается в камеры сгорания, он использует разрежение во впускном коллекторе для перемещения пара.

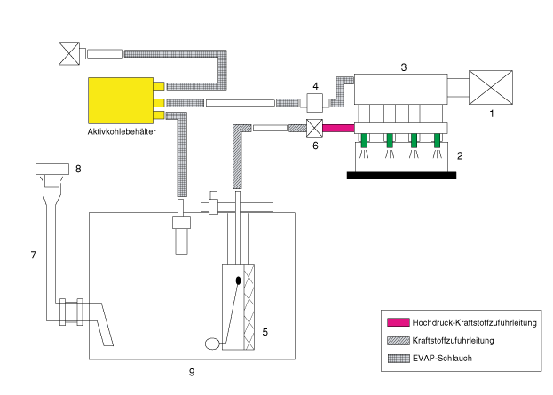
Схематические изображения
ПРИНЦИПИАЛЬНАЯ ЭЛЕКТРИЧЕСКАЯ СХЕМА

1. Воздушный фильтр
2. Линия подачи и инжектор
3. Двигатель
4. Электромагнитный клапан управления продувочным воздухом (PCSV)
5. Насос низкого давления
6. Топливный насос высокого давления
7. Горловина бака
8. Крышка топливного бака
9. Топливный бак

канистра с активированным углем

Канистра заполнена активированным углем и поглощает пары топлива в топливный бак. Накопившиеся пары топлива в адсорбере удаляются блоком ECM/PCM. всасывается во впускной коллектор при создании соответствующих условий.

ЭЛЕКТРОМАГНИТНЫЙ КЛАПАН ПРОДУВКИ (PCSV)

Электромагнитный клапан продувки (PCSV) встроен в воздуховод угольного адсорбера. и впускной коллектор соединяются друг с другом. Электромагнитный клапан является функциональным регулирующим клапаном. и управляется сигналом ECM/PCM.

Чтобы всосать поглощенный пар во впускной коллектор, ECM/PCM открывает PCSV, иначе канал останется закрытым.

Газовая крышка

Храповой механизм на крышке бензобака предотвращает неисправность крышки бензобака. завинчивается, и тем самым горловина бака полностью закрывается. Как только при завинчивании крышки бака уплотнение крышки бака соприкасается с горловиной бака, механизм издает громкий щелчок, указывающий на то, что крышка бензобака установлена ​​правильно подать в суд.

Клапан PCV (принудительная вентиляция картера)
описание и работа ПРИНЦИП РАБОТЫ процедуры ремонта расширение 1. Отсоедините паровой шланг (А). 2. Снимите клапан PCV (В). ...
канистра с активированным углем
процедуры ремонта расширение 1. Выключите зажигание и отсоедините отрицательную (-) клемму аккумуляторной батареи. 2. Снимите топливный бак. (См. управление двигателем/мощность...
Дополнительная информация:

Руководство по эксплуатации Kia Stonic (YB): График профилактического обслуживания обслуживание


Придерживайтесь стандартного графика технического обслуживания, если автомобиль обычный нет среди перечисленных ниже условия используются. Если хотя бы одно из следующих данные обстоятельства есть специальный план технического обслуживания тяжелые условия эксплуатации...