Kia Stonic: Elektrisch verchromter Innenrückspiegel / Schiebedach

Ремонт Kia Stonic (YB) / Elektrisch verchromter Innenrückspiegel / Шибедах

Bauteile und bauteile-Übersicht
BAUTEILE-ÜBERSICHT

1. Шибедах
2. Шибедахшальтер
3. Шибедахмотор и Штойерунг

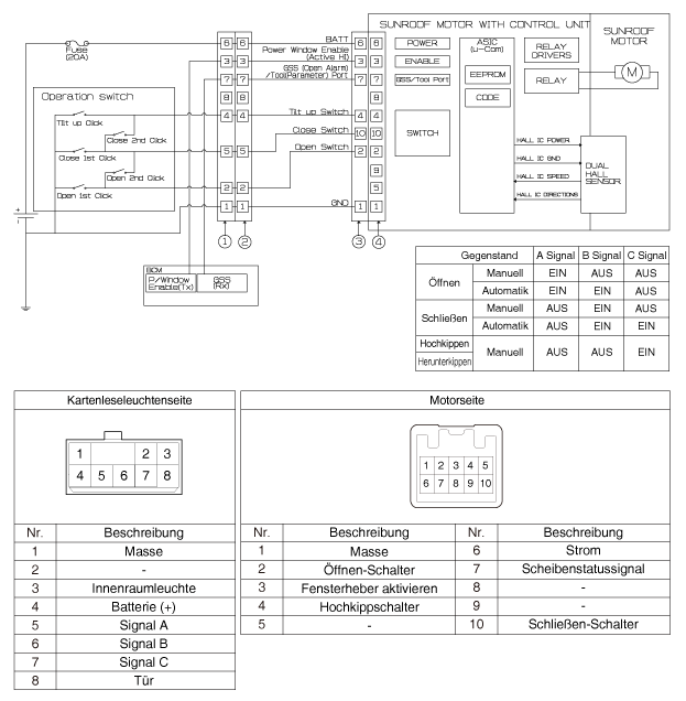
Schematische darstellungen
Шальтплан

Смарт-ключ-диагностика
Репаратурверфарен ПРЮФУНГ Самостоятельная диагностика мит dem Scan-Tool Mit dem KDS können Defekte am SMART KEY-System schnell erkannt werden. Дас КДС kann den Stellantrieb mit Gewalt betäti ...
Шибедахшальтер
Bauteile und bauteile-Übersicht BAUTEILE-ÜBERSICHT Репаратурверфарен ПРЮФУНГ 1. Аккумуляторная батарея. 2. Die Brillenfa...
Дополнительная информация:

Kia Stonic (YB) Reparaturanleitung: Аккумулятор


Репаратурверфарен ПРЮФУНГ Аккумуляторные батареи и Положение дел Batteriespannung und -status mit dem Batterietester kontrollieren. Аккумуляторная батарея 1. An den Batteriepolen (A) rütteln, um festzustellen, ob sie los oder corrodiert sind. Korrodierte Klemmen müssen gerei ...