Kia Cee'd: Схемы аудиосистемы/дистанционного управления аудиосистемой

Руководство по ремонту Kia Cee'd JD. / Электрическая система кузова / Аудио / Схемы аудио пульта дистанционного управления

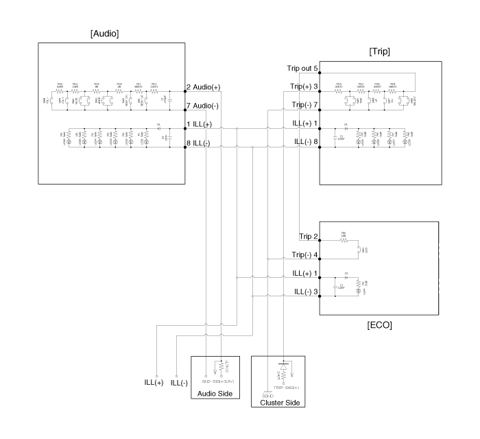
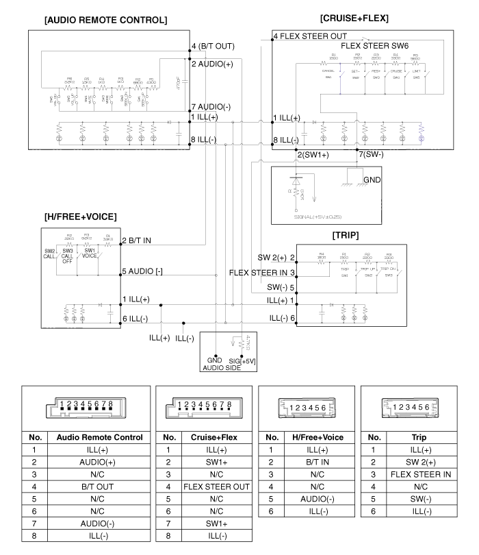
Принципиальная электрическая схема
Введите

1. Переключатель дистанционного управления (левый: Аудио)
2. Переключатель дистанционного управления (правый: Cruise+Flex)
3. Переключатель громкой связи Bluetooth
4. Выключатель отключения

Тип Б

1. Переключатель режимов аудио и привода
2. Переключатель отключения и круиз-контроля
3. Переключатель распознавания голоса
4. Переключатель ограничения скорости

Процедуры ремонта антенны
Удаление 1. Снимите заднюю отделку крыши. (См. Кузов — «Обшивка крыши в сборе») 2. Отсоедините разъем антенны на крыше...
Процедуры ремонта пульта дистанционного управления аудиосистемой
осмотр Введите 1. Проверьте переключатель дистанционного управления аудиосистемой (A) на наличие сопротивления между клеммами. в каждом положении переключателя. [Аудио] ...
Дополнительная информация:

Руководство по эксплуатации Kia Cee'd JD: Снег или гололед
Вождение автомобиля по глубокому снегу может необходимо использовать зимние шины или установить цепи противоскольжения на шины. Если снег нужна резина, надо подобрать шины, эквивалентные по размеру и типу оригинальные шины. Неспособность сделать это может отрицательно сказаться на безопасности и ч ...

Kia Cee'd JD Service Manual: Регулировка клапанного зазора
Проверка зазора клапана и регулировка Осмотрите и отрегулируйте зазор клапанов на холодном двигателе (двигатель температура охлаждающей жидкости: 20°C) и головка блока цилиндров установлена ​​на цилиндр блокировать. ...

avtotema.org