Kia Cee'd: ABS (антиблокировочная система тормозов) / Электрические схемы

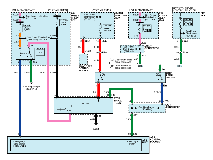
Принципиальная схема — АБС (1)

Принципиальная схема — АБС (2)

Принципиальная схема — АБС (3)

Входной/выходной разъем ECU (ABS)

Номер провода
Обозначение
Текущий
максимально допустимое сопротивление провода R_L (мОм)
Макс
мин
13
Земля для рециркуляционного насоса
39 А
10 А
-
38
Земля для электромагнитных клапанов и
ЭБУ
15 А
2 А
-
1
Электропитание двигателя насоса
39 А
10 А
-
25
Электропитание электромагнитных клапанов
15 А
2 А
-
32
Напряжение для гибридного ЭБУ
1 А
500 мА
60
22,6,20,31
сигнал датчика скорости колеса FL, FR, RL, RR
16,8 мА
5,9 мА
250
34,18,33,19
Электропитание активного датчика частоты вращения колеса FL, FR, RL, RR
16,8 мА
5,9 мА
250
30
Выключатель стоп-сигнала (Сигнал)
10 мА
5 мА
250
14
CAN Низкий
30 мА
20 мА
250
26
CAN Высокий
30 мА
20 мА
250
27
Выход датчика скорости колеса
Открытый сток
-
-

Разъем АБС Hecu
Соединительный терминал
Спецификация
Состояние
Число
Описание
13
Земля для рециркуляционного насоса
Текущий диапазон: Мин.10А
Макс. 39А
Всегда
38
Земля для электромагнитных клапанов и
ЭБУ
Текущий диапазон: Мин.2А
Макс. 15А
Всегда
1
Электропитание двигателя насоса
Напряжение батареи
Всегда
25
Электропитание электромагнитных клапанов
34
Электропитание активного датчика частоты вращения колеса FL, FR, RL, RR
Напряжение батареи
ИГ вкл.
18
33
19
22
сигнал датчика скорости колеса FL, FR, RL, RR
Напряжение (высокое): 0,26 ~ 0,37 В
Напряжение (низкое): 0,13 ~ 0,18 В
При вождении
6
20
31
32
Напряжение для гибридного ЭБУ
Напряжение батареи
КЛЮЧ ВКЛ/ВЫКЛ
30
Выключатель стоп-сигнала
Напряжение (высокое) ≥ 4,5 * IG ON
Напряжение (низкое) ≤ 2,0 * IG ON
Тормоз вкл./выкл.

Выход датчика на GDS (ABS)

Описание
Сокращение
Единица
Примечания
1
Датчик скорости автомобиля
ВЭХ. СПД
км/ч

2
Напряжение батареи
БАТТ. ОБЪЕМ
В

3
FL Датчик скорости колеса
FL КОЛЕСО
км/ч

4
FR Датчик скорости колеса
ПЕРЕДН. КОЛЕСО
км/ч

5
RL Датчик скорости колеса
ПРАВОЕ КОЛЕСО
км/ч

6
Датчик скорости заднего колеса
ЗАДНЕЕ КОЛЕСО
км/ч

7
Контрольная лампа АБС
АБС ЛАМПА
-

8
Контрольная лампа EBD
ЛАМПА ЭБД
-

9
Стоп-сигнал
Б/ЛАМПА
-

10
Состояние реле насоса
НАСОС
-

11
Состояние реле клапана
КЛАПАН РЕЛЕ
-

12
Мотор
МОТОР
-

13
Передний левый клапан (IN)
ВХОД ФЛ
-

14
Передний правый клапан (IN)
ПЕРЕДНИЙ ВХОД
-

15
Задний левый клапан (IN)
ЗАДНИЙ ВХОД
-

16
Задний правый клапан (IN)
ЗАДНИЙ ВХОД
-

17
Передний левый клапан (ВЫХОД)
ВЫХОД FL
-

18
Передний правый клапан (ВЫХОД)
ПЕРЕДНИЙ ВЫХОД
-

19
Задний левый клапан (ВЫХОД)
ВЫХОД RL
-

20
Задний правый клапан (ВЫХОД)
ЗАДНИЙ ВЫХОД
-


Описание и работа
Описание Эта спецификация относится к HCU (гидравлическому блоку управления) и ECU (электронному блоку управления). Блок управления) HECU.(Гидравлический и электронный блок управления) Эта спецификация...
Поиск неисправностей
Стандартный поток диагностики при устранении неполадок Примечания относительно диагностики Явления, перечисленные в следующей таблице, не являются ненормальными. Феномен Бывший ...
Дополнительная информация:

Руководство по обслуживанию Kia Cee'd JD: Технические характеристики
Технические характеристики Электромагнитный клапан управления продувкой (PCSV) ▷ Спецификация Элемент Спецификация Сопротивление катушки (Ом) 22,0 ~ 26,0 [20°C(68°F)] Моменты затяжки Элемент ...

Руководство по обслуживанию Kia Cee'd JD: Ремень задней двери внутри уплотнителя Процедуры ремонта
Замена 1. Снимите обивку задней двери. (См. Задняя дверь — «Облицовка задней двери») 2. Снимите ремень задней двери внутри уплотнителя (А). 3. Устанавливать в порядке, обратном снятию...

avtotema.org