Kia Cee'd: Регулятор фар / Электрические схемы

Принципиальная электрическая схема

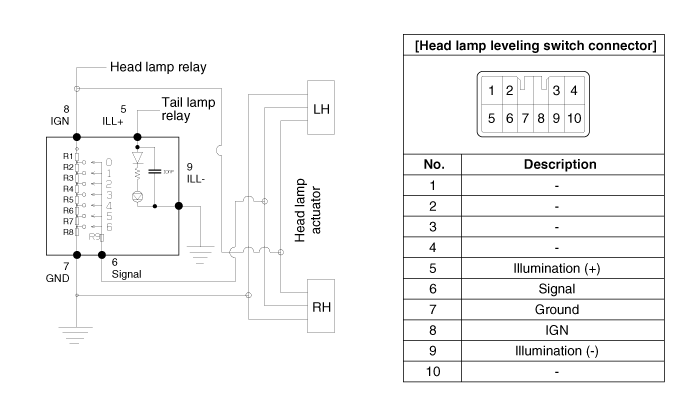
Компоненты и расположение компонентов
Расположение компонента 1. Регулятор уровня фар 2. Привод корректора фар (Встроен в фару в сборе) ...
Процедуры ремонта переключателя регулировки положения фар
Удаление 1. Отсоедините отрицательную (-) клемму аккумуляторной батареи. 2. Снимите нижнюю панель аварийной подушки. (Обратитесь к разделу «Тело» — «Аварийная площадка...
Дополнительная информация:

Руководство пользователя Kia Cee'd JD: Использование беспроводной связи Bluetooth® Технология громкой связи
Беспроводная технология Bluetooth® относится к беспроводной связи на короткие расстояния. сетевые технологии, использующие частота 2,45 ГГц для подключения различные устройства в пределах определенного расстояние. Поддерживается внутри ПК, снаружи устройства, беспроводная связь Bluetooth® Технологические телефоны, КПК, различные эль ...

Руководство по обслуживанию Kia Cee'd JD: Процедуры ремонта передатчика
осмотр 1. Убедитесь, что красный индикатор мигает при нажатии кнопки блокировки или разблокировки двери. нажимается на передатчике. 2. Извлеките аккумулятор (А) и проверьте напряжение, если красный индикатор не мигает. Ста ...

avtotema.org