Kia Cee'd: электрические схемы сидений/переключатель подогрева сидений

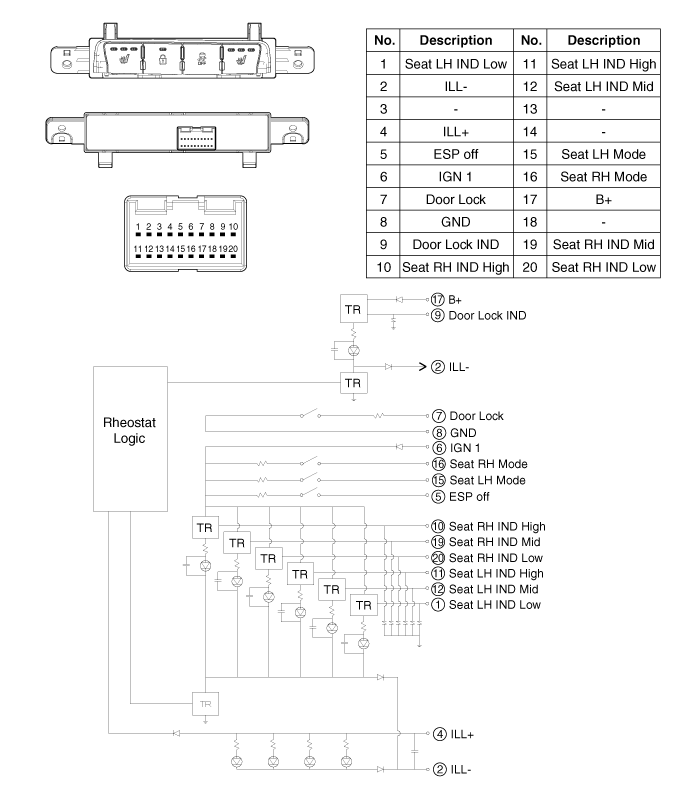
Принципиальная электрическая схема
[левый руль]

[Правый руль]

Процедуры ремонта переключателя управления сиденьем с электроприводом
осмотр 1. Когда переключатель сиденья с электроприводом находится в каждом положении, убедитесь, что непрерывность существует между терминалами ниже. Если непрерывность не соответствует указанной, р ...
Процедуры ремонта переключателя обогревателя сиденья
Удаление 1. Отсоедините отрицательную (-) клемму аккумуляторной батареи. 2. Снимите центральную нижнюю панель аварийной подушки. (См. Тело - "Кра...
Дополнительная информация:

Руководство по обслуживанию Kia Cee'd JD: Технические характеристики генератора
Спецификация Генератор [не ISG] Элемент Спецификация Номинальное напряжение 13,5 В, 90 А Скорость в использовании 1000 ~ 18000 об/мин Регулятор напряжения Встроенный регулятор IC ...

Руководство пользователя Kia Cee'd JD: Использование экрана безопасности груза
1. Потяните защитный экран груза к задняя часть автомобиля за ручку (1). 2. Вставьте направляющий штифт в направляющую (2). ✽ УВЕДОМЛЕНИЕ Вытащите защитный экран груза с помощью ручка в центре, чтобы предотвратить направляющий штифт от выпадения из направляющей. Когда безопасность груза с ...

avtotema.org