#заголовок

Hyundai Sonata: система AVN / компоненты антенны AVN и расположение компонентов

Компоненты

Пульт дистанционного управления AVN (Sonata Sports) Процедуры ремонта
осмотр 1. Проверьте сопротивление между клеммами в каждом положении переключателя (левое). [Л: Аудио + Громкая связь] SwitchConnector TerminalСопротивление(±5%)SEEK Up4-5430 ?SEEK Down1.11 k?MUTE3.11 k?Vol ...
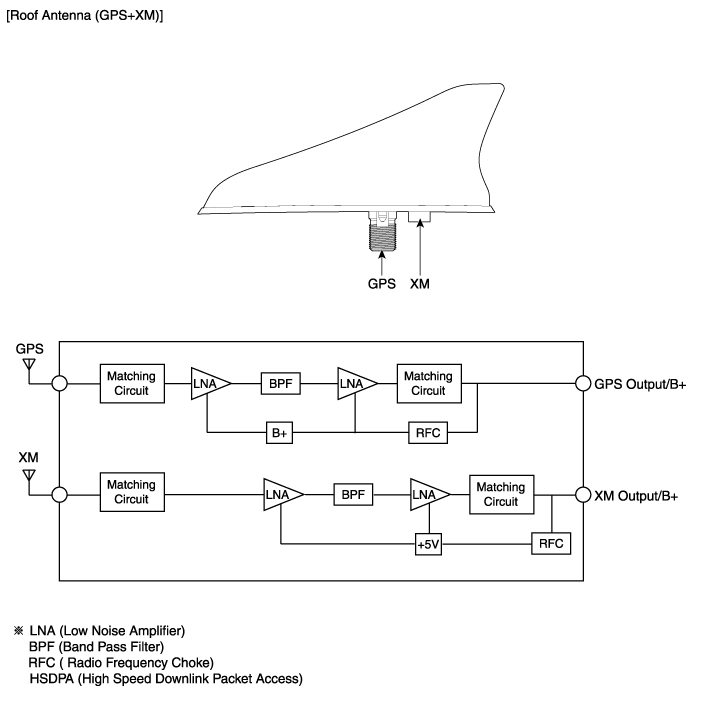
Процедуры ремонта антенны AVN
осмотр Тест стеклянной антенны 1. Оберните алюминиевую фольгу (А) вокруг наконечника щупа тестера (В), как показано на рисунке. 2. Прикоснитесь одним щупом тестера к клемме стеклянной антенны (A) и переместите другое яичко...
Дополнительная информация:

Hyundai Sonata LF 2014-2019 Руководство по техническому обслуживанию: Датчик детонации (KS) Порядок ремонта
Удаление 1. Выключите зажигание и отсоедините отрицательный (-) кабель аккумуляторной батареи. 2. Снимите впускной коллектор (см. «Система впуска и выпуска» в группе EM). 3. Отсоедините разъем форсунки (А). 4. Выверните установочный болт (В) и снимите датчик с...

Hyundai Sonata LF 2014-2019 Руководство по техническому обслуживанию: Схемы электронных блоков стоп-сигналов
Схема системы Терминал Функция КлеммаОписание1Заземление 2Сигнал HAC/DBC (активный низкий уровень)3Сигнал ESS (активный низкий уровень)4Стоп-сигнал5Выключатель стоп-сигнала6ЭБУ/ SMK7Сигнал ESS (активный высокий уровень)8Аккумулятор ...

avtotema.org