#заголовок

Hyundai Sonata: BCM (модуль управления кузовом) / описание и работа

Описание
Функция блока управления кузовным оборудованием (BCM)
Нет
Элемент
Описание
1
Стеклоочиститель, связанный с шайбой
-
Если переключатель омывателя нажат на 0,06~0,2 секунды с режим автомобиля в IGN2, реле стеклоочистителя включается 0,3 ± 0,1 секунды после включения омывателя, а затем выключения реле стеклоочистителя 0,7±0,1 секундой позже.
-
Если выключатель омывателя нажат более 0,2 секунды с режим автомобиля в IGN2, реле стеклоочистителя включается 0,3 ± 0,1 секунды после включения омывателя, а затем выключается реле стеклоочистителя 2,5~3,8 секунд (стеклоочиститель срабатывает 2-3 раза) после выключения омывателя.
2
Связанный с MIST стеклоочиститель
-
Если переключатель тумана стеклоочистителя нажат в течение 0,7 секунды с режим автомобиля в IGN2, реле стеклоочистителя включается, а затем выключается 0,7 секундой позже.
-
Если переключатель тумана стеклоочистителя нажат более 0,7 секунды в режиме автомобиля в IGN2 включается реле стеклоочистителей, а затем выключается через 0,7 секунды после выключения тумана стеклоочистителей.
3
Переменный INT Wiper
-
Если переключатель дворников INT включен в режиме автомобиля в IGN2, INT Стеклоочиститель работает с перерывами (10 ~ 2,2 с) в зависимости от INT настройка громкости.
4
Таймер обогревателя заднего стекла
-
Если переключатель обогревателя включается при включенном режиме автомобиля с включенным генератором, реле обогревателя включается на 20 минут.
-
Если переключатель обогревателя нажат еще раз или если режим генератора выключен, а обогреватель включен, то реле обогревателя выключено.
5
Блокировка переключения банкомата
-
Если переключатель тормоза включен в режиме автомобиля в IGN1 ON и рычаг переключения передач в положении P, соленоид ATM включен, чтобы разблокировать рычаг переключения передач.
6
Освобождение багажника
-
Реле разблокировки багажника включается на 0,2±0,02 секунды, если получен транковый сигнал TX.
-
Если переключатель открытия багажника включен, когда все двери разблокированы, реле открытия багажника включается на 0,2±0,02 секунды.
(Тем не менее, переключатель открытия багажника игнорируется в режимах ARMWAIT, ARM, REARM или ALARM.)
-
Если переключатель открывания багажника в салоне включен, реле открывания багажника включается на 0,2±0,02 секунды.
(Однако реле открывания багажника НЕ ​​ВКЛЮЧЕНО скорость транспортного средства превышает 5 км/ч (3,1 мили/ч), или если транспортное средство находится в режиме ARMWAIT, ОХРАНА, ПОВТОРНАЯ ОХРАНА или ТРЕВОГА.)
7
Таймер стеклоподъемника
-
Реле Power wIndicatorow включается, когда режим автомобиля переключается на IGN ON.
-
Когда режим автомобиля переключается в положение IGN ON > OFF, реле электрического стеклоподъемника включается на 30 секунд.
-
Если дверь открывается в течение 30-секундного периода включения реле электрического стеклоподъемника, реле электрического стеклоподъемника немедленно выключается.
-
Если дверь открыта, а режим автомобиля переключается в режим IGN ON > OFF, реле электрического стеклоподъемника немедленно выключается.
8
KEY Работает Предупреждение
-
Если дверь водителя открывается с помощью KEY IN, зуммер постоянно активируется с интервалом в 1 секунду.
-
Зуммер выключается, если KEY OUT или дверь закрыта при включенном звуковом сигнале.
9
Предупреждение о стояночном тормозе
-
Если скорость автомобиля превышает 5 км/ч (3,1 мили/ч) во время режим автомобиля находится в IGN1 и стояночный тормоз включен, зуммер звучит до тех пор, пока стояночный тормоз не будет отпущен.
(Зуммер активируется через 0,6 секунды после включения и через 0,4 секунды после выключения с интервалом в 1 секунду, пока стояночный тормоз не будет отпущен.)
10
Сгнившая комнатная лампа
-
Если дверь открывается в режиме автомобиля при выключенном зажигании, комнатная лампа включена. Если дверь закрыта, комнатная лампа остается ВКЛЮЧЕН на 30 секунд, затем выключен. (диммер 2±0,2 сек.)
-
Если дверь остается открытой, комнатная лампа остается включенной в течение 20 минут, а затем выключается. (диммер 2±0,2 сек.)
11
КЛЮЧ Освещение отверстия
-
Подсветка ключа Лампа включается, если дверь открыта во время режим автомобиля в IGN1 выключается, а лампа подсветки ключа горит. выключается через 30 секунд после закрытия двери.
-
Если режим автомобиля переключается на IGN1 ON, когда лампа подсветки ключа горит, то лампа немедленно выключается.
-
Если режим автомобиля переключается на ARMWAIT, когда лампа подсветки ключа горит, то лампа немедленно выключается.
12
Автовыключение заднего фонаря
-
Если хвостовой переключатель выключен > включен, хвостовое реле включается.
-
Если хвостовой переключатель выключен, то хвостовое реле выключено.
-
Если переключатель KEY IN выключен, а задний переключатель включен и дверь водителя ОТКРЫТ, когда переключатель KEY IN включен, а задний переключатель включен, хвостовое реле включено. выключен. (Автоматическое отключение)
-
Если переключатель KEY IN включен после Auto OFF, то реле включено. Хвостовое реле не включается, даже если водитель боковая дверь открывается > закрывается.
13
Сопровождение налобных фонарей
-
Если режим автомобиля переключается с IGN1 на IGN1 OFF и лампа haed включается выключателем лампы haed или автоподсветкой, затем лампа haed остается включенной.
-
Лампа Haed выключается в случае любого из следующих условий.
15 секунд после открытия > закрытия двери со стороны водителя.
Налобный фонарь или Autolite не включены.
Если дверь со стороны водителя остается открытой более 5 минут.
Через 20 минут после переключения режима автомобиля с IGN1 ON на IGN OFF.
Если сигнал TX Lock получен 2 раза при включенной фаре.
14
Головной свет НИЗКИЙ/ВЫСОКИЙ
-
Если включен ближний свет фар при включенном переключателе ближнего света или функции автоматического освещения, а переключатель дальнего света включен (самовозврат), то включается дальний свет фар.
-
Дальний свет фар можно выключить только переключателем ближнего света.
15
Фара ближнего света
-
Фары дальнего света активируются только тогда, когда переключатель ближнего света включен, а режим автомобиля находится в положении IGN2 ON.
-
Переключатель используется для выключения, когда дальний свет фар включен.
16
Передняя противотуманная фара
-
Если передний противотуманный фонарь включается при включенном заднем фонаре, то включается передний противотуманный фонарь.
-
Если передняя противотуманная фара выключается, когда передняя противотуманная фара включена, то лампа выключается.
-
Если фары ближнего света включаются при включенных передних противотуманных фарах, то включаются и передние противотуманные фары.
-
Если передняя противотуманная фара выключается, когда передняя противотуманная фара включена, то лампа выключается.
17
Автоматическое управление освещением
-
Если датчик автоматического освещения определяет состояние включения света, то свет включается через 2,5 секунды.
-
Если датчик обнаруживает состояние выключения света, то свет выключается через 2,5 секунды.
-
Если датчик обнаруживает включенный задний фонарь, то только задний фонарь включен. Если датчик определяет состояние включения фар, затем включаются задний фонарь и фара.
-
В случае включения переднего фонаря и задний фонарь, и передний фонарь включаются независимо от состояния включения/выключения заднего переключателя.
18
Дневные ходовые огни (ДХО)
-
Лампа DRL загорается при запуске двигателя.
-
Лампа ДХО выключается, если ближний свет фар или передняя противотуманная фара включены.
19
Налобный фонарь Добро пожаловать
-
Если режим автомобиля переключен на KEY OFF, все двери закрыты и заблокированы, когда фара включена (переключатель фары или Переключатель AUTO + ночное время), затем активируется разблокировка RKE, фара включается на 15 секунд.
20
Хвост AV связан
-
Когда режим автомобиля переключается на ACC ON, отражается датчик освещения с автоматическим освещением.
-
Если уровень окружающего освещения Auto Light находится в состоянии включения задних фонарей более 2,5 секунд, то отправляется сигнал ON.
-
Если уровень освещенности при автоматическом освещении находится в состоянии ВЫКЛ заднего фонаря более 2,5 секунд, то посылается сигнал ВЫКЛ.
21
ДПАС
-
Если рычаг переключения передач переключен в положение R при включенном режиме автомобиля IGN1, зуммер активируется через 0,5 секунды.
-
-
Уровень предупреждения отображается в кластере, и зуммер активируется в соответствии с состоянием предупреждения.
22
Звуковой сигнал Ответить
-
Если все двери закрыты и автомобиль переходит в режим ОХРАНА с Управление блокировкой TX, затем сигнал блокировки TX получен в течение 4 секунд для поддерживайте режим ОХРАНЫ, звуковой сигнал и аварийная лампа активированы.
-
Если режим ОХРАНА отключается в течение 4 секунд, то звуковой сигнал и аварийная сигнализация не включаются.
-
Звуковой сигнал и аварийная лампа активируются, если в течение 4 секунд получен еще один зарегистрированный сигнал блокировки TX.
23
Нормальный/ARMWAIT/Relock Mode
-
Если сигнал блокировки TX получен при снятом переключателе KEY IN из индикатор цилиндра и все двери закрыты, затем сигнал блокировки всех дверей выводится, и когда все выключатели дверных замков заблокированы, то аварийная лампа включается 1 раз, и автомобиль переходит в режим ОХРАНЫ по истечении времени ARMWAIT (30 сек.).
-
Если сигнал блокировки TX получен при открытии любой из дверей, капот или багажник открыты, то выдается только сигнал блокировки. Опасность лампа не горит и автомобиль не входит в режим охраны.
-
Если какая-либо из дверей не открыта или KEY IN не обнаружен в течение 30 секунд после получения сигнала разблокировки TX, затем автомобиль возвращается в режим охраны.
24
Контроль индикатора безопасности
-
Если автомобиль находится в режиме ARMWAIT, когда KEY OUT, то Индикатор остается включенным. Индикатор мигает с интервалом, если автомобиль в любом режиме, кроме ARMWAIT. (Интервал мигания: 2 сек. ВЫКЛ., 0,3 сек. НА)
25
Аварийное состояние
-
Если обнаружено состояние срабатывания сигнализации, то включается блокировка запуска для предотвращения запуска двигателя и активируется сигнализация.
-
Будильник срабатывает 2 раза (27 сек. ВКЛ., 10 сек. ВЫКЛ.).
26
СНЯТИЕ С ОХРАНЫ/Условие деактивации тревоги
-
Если получен сигнал переключателя TX UNLOCK/LOCK, сигнал разблокировки/блокировки выводится в течение 0,5 секунды, а START INHIBIT отключается.
-
Если переключатель KEY IN=ON, переключатель IGN1=ON и переключатель IGN2=ON & генератор = ВКЛ сохраняется в течение 30 секунд, затем блокируется ПУСК. выключается, а режим автомобиля переключается на DISARM.
27
ПЕРЕЗАГРУЗИТЬ
-
Если аккумуляторную батарею отключить во время активации сигнализации, а затем снова подключить, то сигнализация также снова активируется.
-
Если аккумуляторную батарею отсоединить, когда автомобиль находится в режиме ОХРАНА, а затем снова подключить, автомобиль останется в режиме ОХРАНА.
28
ПАНИКА
-
Если получен сигнал TX_Panic, включается тревога паники, и сирена и аварийная сигнализация активируются на 27±2 сек.
-
Если сигнал поступает во время активации тревоги паники, то тревога паники выключается.
-
Если условие постановки на охрану выполняется во время срабатывания аварийной сигнализации, то автомобиль переходит в режим охраны.
29
Функция МТС
-
Если от МТС поступает сигнал Unlock, то все двери разблокируются.
-
Если от МТС поступает сигнал блокировки, то все двери запираются.
-
Если получен сигнал «Дистанционный запуск двигателя», то на СМК отправляется команда «Дистанционный запуск двигателя».
-
Если получен сигнал «Авария и клаксон», то активируются аварийка и клаксон.
30
Центральный дверной замок/разблокировка
-
Если переключатель запирания/отпирания KEY двери водителя/пассажира включается в течение 3 секунд, затем подается сигнал блокировки/разблокировки всех дверей. выводится за 0,5 секунды.
-
Если получен сигнал блокировки/разблокировки TX, то все сигналы блокировки/разблокировки дверей выводятся в течение 0,5 секунды.
-
Если переключатель блокировки двери водителя (электростеклоподъемник) находится в положении блокировки/разблокировки, то сигнал блокировки/разблокировки всех дверей выдается в течение 0,5 секунды.
31
Автоматический дверной замок
-
Если автомобиль находится в режиме IGN1 ON и генератор включен, и скорость автомобиля превышает 15 км/ч (9,3 мили/ч), все двери заперты внутри 1,5 секунды.
(Однако, если все двери уже заперты или в случае отказа всех дверей, то функция блокировки всех дверей не выполняется.)
-
Если какая-либо из дверей отпирается после запирания с помощью вышеуказанного условие, то команда блокировки выполняется 3 раза. (с интервалом 1 сек.). Незапертая дверь, запертая во время 3-х попыток, игнорируется.
-
Функция автоматического запирания дверей не включается в случае разблокировки при столкновении.
32
Автоматическая разблокировка двери
-
Если KEY OFF после KEY IN, то выполняется отпирание всех дверей.
(Однако, если все двери уже разблокированы, команда разблокировки не выполняется.)
33
Переключатель разблокировки двери водителя Синхронизированная автоматическая разблокировка двери
-
Если все двери закрыты, а переключатель разблокировки двери водителя переключается с запертого на незапертое, то все сигналы отпирания дверей выводится 1 раз за 0,25 секунды.
34
НАПОМИНАНИЕ КЛЮЧА ЗАЖИГАНИЯ
Эта функция не активируется, если скорость автомобиля превышает 3 км/ч (1,86 мили/ч).
-
Если КЛЮЧ ЗАЖИГАНИЯ ВКЛЮЧЕН, переключатель двери водителя = ОТКРЫТО и дверь водителя состояние разблокировки становится заблокированным, все разблокировки дверей выполняются в течение 1 секунды после задержки 0,5 секунды.
-
КЛЮЧ ЗАЖИГАНИЯ ВКЛЮЧЕН, переключатель вспомогательной двери = ОТКРЫТО и вспомогательная дверь состояние разблокировки становится заблокированным, все разблокировки дверей выполняются в течение 1 секунды после задержки 0,5 секунды.
-
Если выключатель двери водителя замкнут в течение 0,5 секунды от водителя переключение состояния разблокировки двери UNLOCK > LOCK, когда автомобиль находится в В режиме IGN KEY ON отпирание всех дверей выполняется только 1 раз в 1 секунду.
-
Если условие разблокировки выполнено, то разблокировка выполняется, даже если условие не поддерживается в течение 0,5 секунды.
35
Пассивный ключ напоминание
-
Эта функция не активируется, если скорость автомобиля превышает 3 км/ч (1,86 мили/ч).
-
Если от SMK поступает сигнал KEY Reminder, то все команды отпирания дверей выдаются в течение 1 секунды.
-
Если дверь остается запертой, даже если подается команда отпирания выводится на 1 секунду, как указано выше, затем предпринимается попытка разблокировки до до 3 раз (исключая 1-й выход) (интервал 1 с: 0,5 с вкл./выкл.)
36
Аварийная разблокировка двери
-
Разблокировка выполняется каждый раз, когда подается сигнал ACU при IGN. переключатель включен. Выход разблокировки продолжается в течение установленного времени, даже если режим автомобиля переключен с IGN KEY ON на OFF.
-
Если переключатель блокировки водителя/ассистента/замка задней двери переключен из разблокировать для блокировки после выполнения разблокировки, затем выполняется команда разблокировки снова на 5 секунд.
-
Функция автоматической блокировки дверей не включается в случае разблокировки при столкновении.
37
HBA (Ассистент дальнего света)
-
Если переключатель дальнего света фар включен в ночном режиме AUTO, активируется режим HBA.
-
При обнаружении приближающегося автомобиля или впереди идущего автомобиля (сигнал вход от LDWS) в режиме HBA, то дальний свет фар выключается.
-
Если встречный или движущийся впереди автомобиль не обнаружен, автоматически включается дальний свет фар.

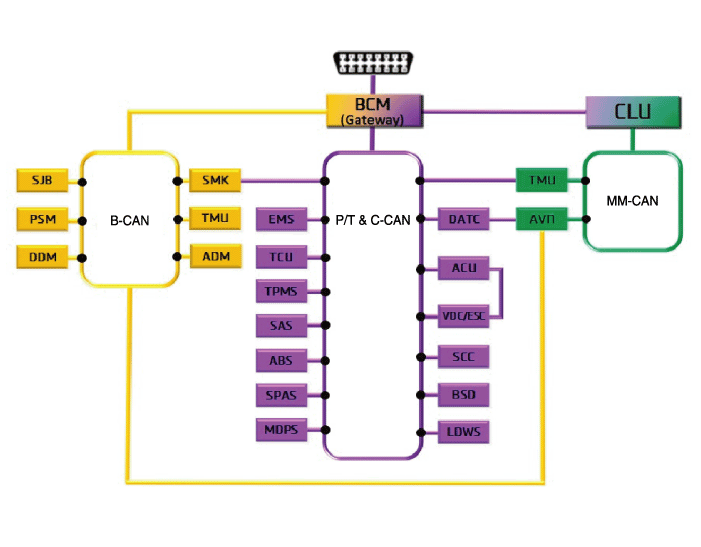
Схема сети связи

Сокращение
Объяснение
АКУ
Блок управления подушками безопасности
АДМ
Вспомогательный дверной модуль
B_CAN
Сеть контроллеров тела
млрд кубометров
Модуль управления кузовом
BSD
Обнаружение слепых зон
C_CAN
Локальная сеть контроллера шасси
КЛУ
Кластерный модуль
ДАТК
Двойной автоматический контроль температуры
ДДМ
Модуль водительской двери
ESC
Электронная программа стабилизации
скорая помощь
Система управления двигателем
LDWS
Система предупреждения о выходе из полосы движения
M_CAN
Мультимедийная сеть контроллеров
МДПС
Рулевое управление с электроприводом
P_CAN
Локальная сеть контроллера силового агрегата
ПСМ
Модуль сиденья с электроприводом
САС
Датчик угла поворота рулевого колеса
SJB
Умный соединительный блок
СМК
Блок смарт-ключа
СПАС
Умная система помощи при парковке
ТКУ
Блок управления коробкой передач
СКДП
Система контроля давления в шинах
VDC
Динамический контроль автомобиля
ТМУ
Телематическая система
АБС
Антиблокировочная тормозная система
ССС
Умный круиз-контроль

Схематические диаграммы
Принципиальная электрическая схема ...
Процедуры ремонта
Удаление 1. Отсоедините отрицательную (-) клемму аккумуляторной батареи. 2. Снимите центральную панель передней панели. (См. раздел «Отопление, вентиляция и кондиционирование воздуха» — «Контроллер») 3. Отключите блок управления кузовом...
Дополнительная информация:

Hyundai Sonata LF 2014-2019 Руководство по эксплуатации: С комплектом для перемещения шин (при наличии) - Тип B
Для безопасной эксплуатации внимательно прочтите и следуйте инструкциям данного руководства. перед использованием. (1) Компрессор (2) Флакон с герметиком Комплект Tire Mobility Kit — это временное решение для шины, и мы рекомендуем система должна быть проверена авторизованным дилером HYUNDAI. ОСТОРОЖНОСТЬ Когда две или более шин спущены, ...

Руководство по эксплуатации Hyundai Sonata LF 2014-2019: Закрытие люка бензобака
1. Чтобы установить крышку топливного бака, поверните ее по часовой стрелке до щелчка. 2. Закройте лючок топливного бака, пока он не защелкнется. ПРЕДУПРЕЖДЕНИЕ Бензин легко воспламеняется и взрывоопасен. Несоблюдение этих рекомендаций может привести к СЕРЬЕЗНЫМ ТРАВМАМ или СМЕРТИ: Прочтите и соблюдайте все предостережения п...

avtotema.org