Ford Fiesta Manuals

Ford Fiesta: Система запуска — 1,6 л EcoBoost (132 кВт/180 л. с.) — Sigma / Система запуска. Диагностика и тестирование

Осмотр и проверка

Диагностика, описанная в данном руководстве, предполагает наличие определенного уровня навыков и знаний методов диагностики, характерных для Ford.
СМ.: Методы диагностики (100-00 Общая информация, описание и работа).

  1. Подтвердите беспокойство клиента, задействовав систему запуска.
  1. Перед диагностикой или ремонтом системы запуска проверьте следующее:
  • Проверьте аккумулятор на наличие ослабленных, поврежденных или корродированных соединений.
  • Проверьте генератор на наличие ослабленных, поврежденных или корродированных соединений.
  • Плавкие ссылки
  • Проверьте заземление двигателя и аккумуляторной батареи на наличие ослабленных, поврежденных или корродированных соединений.
  • Сильноточный BJB для ослабленных или корродированных соединений
  • Проводка, клеммы или разъемы
  1. Проверьте состояние аккумулятора и уровень заряда.
    СМ.: Аккумулятор (414-01 Аккумулятор, Монтаж и кабели, Диагностика и тестирование).
  1. Проверьте аномальный расход тока при выключении зажигания.
    СМ.: Проверка разрядки аккумулятора (414-01 Аккумулятор, монтаж и кабели, общие процедуры).
  1. Снимите ремень привода вспомогательных агрегатов.
    СМ.: Ремень привода вспомогательных агрегатов (303-05B Привод вспомогательных агрегатов — 1,6 л EcoBoost (132 кВт/180 л. с.) — Sigma, Снятие и установка).
    Убедитесь, что коленчатый вал и каждый из компонентов, приводимых в движение ремнем привода вспомогательных агрегатов, вращаются и не заедают и не повреждены.
  1. Если к автомобилю были добавлены какие-либо аксессуары послепродажного обслуживания, убедитесь, что они правильно подключены.
  1. Если обнаружена очевидная причина наблюдаемой или заявленной проблемы, устраните ее (если возможно) перед продолжением.

Графики кодов ошибок

Диагностика, описанная в данном руководстве, предполагает наличие определенного уровня навыков и знаний методов диагностики, характерных для Ford.
СМ.: Методы диагностики (100-00 Общая информация, описание и работа).
для получения информации об этих практиках.


Диаграмма кодов неисправности PCM


код неисправности Описание Действие
Коды неисправности PCM Диагностические коды неисправностей (DTC) PCM, не указанные в этой таблице
СМ.: Электронные органы управления двигателем (303-14B Electronic Engine Органы управления — 1,6 л EcoBoost (132 кВт/180 л.с.) — Sigma, диагностика и тестирование).
P06E9 Производительность стартера двигателя Если двигатель заводится, обратитесь к разделу «Силовая передача». Руководство по контролю/диагностике выбросов (PC/ED). Если двигатель не рукоятка, ПЕРЕЙДИТЕ к точному тесту A
P0830 Цепь педали сцепления "А" ПЕРЕЙТИ к пинпойнт-тесту А
P0833 Цепь педали сцепления "В"
СМ.: Круиз-контроль (419-03 Круиз-контроль, диагностика и проверка).
P162F Стартер отключен - слишком долгое время запуска двигателя См. руководство по контролю трансмиссии/диагностике выбросов (PC/ED).

Диаграмма кодов неисправности BCM


код неисправности Описание Действие
Коды неисправности BCM Диагностические коды неисправностей BCM (DTC), не указанные в этой таблице
СМ.: Блок управления кузовным оборудованием (BCM) (419-10 Многофункциональные электронные модули, диагностика и проверка).
B10E5:11 Сигнал пробуждения PCM: короткое замыкание на массу ПЕРЕЙТИ к точечному тесту C

Диаграмма кодов неисправности RFA


код неисправности Описание Действие
Коды неисправности RFA Все диагностические коды неисправностей RFA (DTC).
СМ.: Модуль дистанционного функционального привода (RFA) (419-10 Многофункциональные электронные модули, диагностика и тестирование).

Таблица симптомов

Таблица симптомов: система запуска

Диагностика, описанная в данном руководстве, предполагает наличие определенного уровня навыков и знаний методов диагностики, характерных для Ford.
СМ.: Методы диагностики (100-00 Общая информация, описание и работа).
для получения информации об этих практиках.


Таблица симптомов


Состояние Возможные источники Действия
Двигатель не заводится Обратитесь к тесту Pinpoint. ПЕРЕЙТИ к пинпойнт-тесту А
Двигатель медленно заводится Обратитесь к тесту Pinpoint. ВЫПОЛНИТЕ компонент системы стартера тест. См. Стартер — проверка положительной цепи в этом разделе.
Двигатель крутит, но не заводится Ошибка зажигания См. руководство по контролю трансмиссии/диагностике выбросов (PC/ED).
Необычный шум стартера Обратитесь к тесту Pinpoint. ПЕРЕЙТИ к точечному тесту B
Стартер крутит, но двигатель не крутит Пусковой двигатель ПРОВЕРЬТЕ крепление и зацепление стартера. РЕМОНТ при необходимости.
Поврежденная гибкая пластина ПРОВЕРЬТЕ гибкую пластину на наличие поврежденных, отсутствующих или изношенных зубьев. РЕМОНТ при необходимости.
Стартер не отсоединяется от гибкой пластины
  • Реле стартера
  • Проводка, клеммы или разъемы
СНИМИТЕ реле стартера. Если двигатель перестанет запускаться, УСТАНОВИТЕ новое реле. Если двигатель продолжает вращаться, ОТРЕМОНТИРУЙТЕ электрическую цепь CDC26 (GY/OG) на короткое замыкание на напряжение питания.

Точные тесты

Двигатель не заводится


Информацию о схемах и разъемах см. в ячейке 20 электрических схем.


Информацию о схемах и разъемах см. в ячейке 90 электрических схем.

Нормальная работа и неисправности


СМ.: Запуск системы — работа системы и ее компоненты Описание (Система запуска 303-06B — 1,6 л EcoBoost (132 кВт/180 л. с.) — Сигма, описание и работа).


Условия срабатывания неисправности DTC


код неисправности Описание Условия срабатывания отказа
P06E9 Производительность стартера двигателя Устанавливается, когда вращение двигателя не обнаружено во время запуска.
P0830 Цепь педали сцепления "А" Устанавливается, когда PCM получает ввод скорости транспортного средства, указывая на движение транспортного средства и не обнаружить сигнал переключения от датчика положения педали сцепления.

Возможные источники

  • Батарея
  • Кабели батареи
  • Пусковой двигатель
  • Реле стартера БЖБ

Визуальный осмотр и предварительная диагностика

  • Осмотрите сильноточные соединения BJB.
  • Проверьте предохранитель BJB 10 (30 А).
  • Проверьте сильноточный предохранитель BJB MEGA 1 (450 А).
  • Осмотрите переключатель CPP.
  • Осмотрите пассивный ключ.

ТОЧНЫЙ ТЕСТ A: ДВИГАТЕЛЬ НЕ ЗАПУСКАЕТСЯ
A1 ПРОВЕДЕНИЕ ОСМОТРА И ПРОВЕРКИ

ПРИМЕЧАНИЕ: Убедитесь, что напряжение аккумуляторной батареи превышает 12,2 В до и во время этого точного теста.

ПРИМЕЧАНИЕ: Если необходимо оставить зарядное устройство подключен во время тестирования, не оставляйте его на самом высоком уровне или повышайте параметр. Самые высокие настройки могут превышать 16 вольт, что приводит к ложным результаты проверки и установка диагностических кодов неисправностей (DTC).

  • Выполните процедуру проверки и проверки в этом разделе.

Была ли найдена очевидная причина наблюдаемой или заявленной проблемы?
Да При необходимости устраните причину.
Нет ПЕРЕЙТИ к A2

A2 ПРОВЕРЬТЕ СООБЩЕНИЕ ОТСУТСТВИЕ ОБНАРУЖЕННОГО КЛЮЧА В ЦЕНТРЕ СООБЩЕНИЙ
  • Проверьте центр сообщений, нажимая кнопку запуска/остановки двигателя.

Ключ не обнаружен?
Да Диагностика сообщения «Ключ не найден».
СМ.: Пассивная защита от кражи Система (PATS) (419-01C Пассивная противоугонная система (PATS) — автомобили с: Бесключевой доступ и запуск с кнопки, диагностика и тестирование).
Нет ПЕРЕЙТИ к A3

A3 ПРОВЕРЬТЕ IPC (КОМПЛЕКС ПРИБОРОВ) ЭКСПЛУАТАЦИЯ
  • Наблюдайте за работой IPC, нажимая кнопку запуска/остановки двигателя.

Горят ли некоторые индикаторы на IPC?
Да ПЕРЕЙТИ к A5
Нет ПЕРЕЙТИ на А4

A4 ПРОВЕРКА СВЯЗИ СО СКАНЕРОМ
  • Зажигание включено.
  • С помощью диагностического сканера выполните сетевой тест.

Проходят ли модули BCM, IPC и RFA сетевой тест?
Да Диагностика «Нет питания включено».
СМ.: Рулевое колесо и колонка Электрические компоненты (211-05 Электрооборудование рулевого колеса и колонки Компоненты, диагностика и тестирование).
Нет
СМ.: Сеть связи (модуль 418-00 Сеть связи, диагностика и тестирование).

A5 ИЗВЛЕЧЕНИЕ DTCS
  • Зажигание включено.
  • С помощью диагностического сканера выполните самопроверку:
    • РФА
    • млрд кубометров
    • ПКМ

Были ли диагностические коды неисправностей (DTC) извлечены по запросу во время самопроверки?
Да Для всех диагностических кодов неисправностей (DTC) модуля RFA:
СМ.: Модуль дистанционного функционального привода (RFA) (419-10 Многофункциональные электронные модули, диагностика и тестирование). Для ПКМ DTC P0830, ПЕРЕЙДИТЕ к A19
Для ПКМ DTC P06E9, ПЕРЕЙДИТЕ к A6
Нет ПЕРЕЙТИ к A6

A6 ПРОВЕРЬТЕ PCM (МОДУЛЬ УПРАВЛЕНИЯ ТРАНСМИССИИ) ПЕДАЛЬ СЦЕПЛЕНИЯ В НИЖНЕМ ИЛИ РЯДОМ С НИЖНИМ ХОДОМ (CPP_BOT) PID (ИДЕНТИФИКАЦИЯ ПАРАМЕТРА)
  • С помощью диагностического сканера просмотрите идентификаторы параметров PCM (PID).
  • Контролируйте PCM CPP_BOT PID, полностью выжимая и отпуская педаль сцепления.

Изменяется ли PID с НЕТ на ДА, когда педаль сцепления полностью нажата?
Да ПЕРЕЙТИ на A7
Нет ПЕРЕЙДИТЕ к A19

A7 ПРОВЕРЬТЕ PCM (МОДУЛЬ УПРАВЛЕНИЯ ТРАНСМИССИИ) ПРОВОД ДВИГАТЕЛЯ (ENG_CRANK) PID (ИДЕНТИФИКАЦИЯ ПАРАМЕТРА)
  • Убедитесь, что коробка передач находится в НЕЙТРАЛЬНОМ положении.
  • С помощью диагностического сканера просмотрите идентификаторы параметров PCM (PID).
  • Контролируйте PCM ENG_CRANK PID, нажмите кнопку запуска/остановки двигателя и педаль сцепления.

Изменяется ли PID с неактивного на активный?
Да ПЕРЕЙТИ к A8
Нет ПЕРЕЙДИТЕ к A18

A8 ПРОВЕРКА РАБОТЫ РЕЛЕ СТАРТЕРА

УВЕДОМЛЕНИЕ: На следующем шаге используется тестовый свет для имитации нормальные нагрузки цепи. Используйте только тестовую лампу, рекомендованную в Таблица инструментов в начале этого раздела. Чтобы избежать разъема повреждение клеммы, используйте комплект Flex Probe Kit для тестового светового щупа подключение к транспортному средству. Не используйте тестовый световой щуп непосредственно на любой разъем.

  • Снимите реле стартера BJB.
  • Мера:
    Положительный вывод Измерение/действие Отрицательный вывод
    Контакт 1 реле стартера BJB Контакт 2 реле стартера BJB
  • Убедитесь, что коробка передач находится в НЕЙТРАЛЬНОМ положении.
  • Нажимая кнопку запуска/остановки двигателя и педаль сцепления, наблюдайте за контрольной лампой.

Загорается ли контрольная лампа при нажатии кнопки зажигания и педали тормоза?
Да ПЕРЕЙТИ к A9
Нет ПЕРЕЙДИТЕ к A16

A9 ПРОВЕРЬТЕ НАПРЯЖЕНИЕ НА РЕЛЕ СТАРТЕРА
  • Зажигание ВЫКЛ.
  • Мера:
    Положительный вывод Измерение/действие Отрицательный вывод
    Контакт 3 реле стартера BJB Земля

Напряжение больше 11 вольт?
Да ПЕРЕЙТИ к A10
Нет ПРОВЕРИТЬ БДЖБ предохранитель 10 (30А) исправен. Если все в порядке, УСТРАНИТЕ цепь на предмет обрыва. Если не в порядке, ОБРАЩАЙТЕСЬ к руководству по электрическим схемам, чтобы определить возможные причины цепь короткая.

A10 ПРОВЕРЬТЕ РАБОТУ СТАРТЕРА НА РЕЛЕ СТАРТЕРА
  • Зажигание ВЫКЛ.
  • Убедитесь, что коробка передач находится в НЕЙТРАЛЬНОМ положении.
  • Мера:
    Нажмите, чтобы отобразить соединители
    Положительный вывод Измерение/действие Отрицательный вывод
    Контакт 3 реле стартера BJB Контакт 5 реле стартера BJB

Стартер сработал и двигатель завелся?
Да УСТАНОВИТЕ новое реле стартера.
Нет ПЕРЕЙТИ к A11

A11 ПРОВЕРЬТЕ КАБЕЛЬ ЗАЗЕМЛЕНИЯ АККУМУЛЯТОРНОЙ БАТАРЕИ
  • Мера:
    Положительный вывод Измерение/действие Отрицательный вывод
    Земля G100

Напряжение больше 11 вольт?
Да ПЕРЕЙДИТЕ к A12
Нет ОЧИСТИТЕ или УСТАНОВИТЕ новый отрицательный кабель аккумуляторной батареи, если это необходимо.
СМ.: Датчик контроля батареи (414-01 Аккумулятор, Монтаж и кабели, Снятие и установка).

A12 ПРОВЕРЬТЕ ЗАЗЕМЛЕНИЕ СТАРТЕРА
  • Мера:
    Положительный вывод Измерение/действие Отрицательный вывод
    Корпус стартера

Напряжение больше 11 вольт?
Да ПЕРЕЙДИТЕ к A13
Нет ОЧИСТИТЕ монтажный фланец стартера и УБЕДИТЕСЬ, что стартер установлен правильно.
СМ.: Стартер (Система запуска 303-06B — 1,6 л EcoBoost (132 кВт/180 л. с.) — Sigma, Снятие и установка).

A13 ПРОВЕРЬТЕ НАПРЯЖЕНИЕ НА СТАРТЕРЕ
  • Мера:
    Нажмите, чтобы отобразить соединители
    Положительный вывод Измерение/действие Отрицательный вывод
    C197A-1 Земля

Напряжение больше 11 вольт?
Да ПЕРЕЙДИТЕ к A14
Нет ОЧИСТИТЕ или УСТАНОВИТЕ новый положительный кабель аккумуляторной батареи, если это необходимо.

A14 ПРОВЕРКА ПРАВИЛЬНОЙ РАБОТЫ СТАРТЕРА
  • Зажигание ВЫКЛ.
  • В этом разделе выполните проверку положительной цепи стартера.

Была ли найдена очевидная причина?
Да При необходимости устраните причину.
Нет ПЕРЕЙДИТЕ к A15

A15 ПРОВЕРЬТЕ НАЛИЧИЕ ПУСКОВОГО ВХОДА НА СТАРТЕРЕ
  • Установите реле стартера BJB.
  • Отсоедините стартер C197B-1 (клемма "S").
  • Нажмите кнопку запуска/остановки двигателя и педаль сцепления.
  • Мера:
    Нажмите, чтобы отобразить соединители
    Положительный вывод Измерение/действие Отрицательный вывод
    C197B-1 Земля

Напряжение больше 11 вольт?
Да ОЧИСТИТЕ клемму соленоида стартера "S" и стартер. разъем соленоида. ПРОВЕРЬТЕ проводку и стартер на предмет ослабления или прерывистое соединение.
Нет УСТРАНИТЕ цепь на наличие обрыва.

A16 ПРОВЕРЬТЕ PCM (МОДУЛЬ УПРАВЛЕНИЯ ТРАНСМИССИИ) ЦЕПИ РЕЛЕ СТАРТЕРА НА ЗАМЫКАНИЕ НА МАССУ
  • Зажигание ВЫКЛ.
  • Отключить АКМ C240A .
  • Отключить ПКМ C1915B .
  • Мера:
    Нажмите, чтобы отобразить соединители
    Положительный вывод Измерение/действие Отрицательный вывод
    C1915B-43 Земля
    C1915B-62 Земля

Сопротивления больше 10000 Ом?
Да ПЕРЕЙДИТЕ к A17
Нет ОТРЕМОНТИРУЙТЕ неисправную цепь.

A17 ПРОВЕРЬТЕ PCM (МОДУЛЬ УПРАВЛЕНИЯ ТРАНСМИССИИ) ЦЕПИ РЕЛЕ СТАРТЕРА НА ОБРЫВ
  • Мера:
    Нажмите, чтобы отобразить соединители
    Положительный вывод Измерение/действие Отрицательный вывод
    C1915B-43 Контакт 2 пускового реле BJB
    C1915B-62 Контакт 1 пускового реле BJB

Сопротивления меньше 3 Ом?
Да ПЕРЕЙДИТЕ к A23
Нет ОТРЕМОНТИРУЙТЕ неисправную цепь.

A18 ПРОВЕРЬТЕ НАПРЯЖЕНИЕ В ЦЕПИ ОБНАРУЖЕНИЯ РУКОЯТКИ НА PCM (МОДУЛЬ УПРАВЛЕНИЯ ТРАНСМИССИИ)
  • Зажигание ВЫКЛ.
  • Отключить ПКМ C1915B .
  • Удерживая нажатой кнопку запуска/остановки двигателя, измерьте:
    Нажмите, чтобы отобразить соединители
    Положительный вывод Измерение/действие Отрицательный вывод
    C1915B-47 Земля

Напряжение больше 11 вольт?
Да ПЕРЕЙДИТЕ к A23
Нет ОТРЕМОНТИРУЙТЕ цепь.

A19 ПРОВЕРЬТЕ КПП (ПОЛОЖЕНИЕ ПЕДАЛИ СЦЕПЛЕНИЯ) ВЫКЛЮЧАТЕЛЬ
  • Зажигание ВЫКЛ.
  • Отключить ПКМ C1915B .
  • Полностью выжимая педаль сцепления, измерьте:
    Нажмите, чтобы отобразить соединители
    Положительный вывод Измерение/действие Отрицательный вывод
    C1915B-30 Земля

Сопротивление меньше 3 Ом?
Да ПЕРЕЙДИТЕ к A23
Нет ПЕРЕЙДИТЕ к A20

A20 ПРОВЕРЬТЕ КПП (ПОЛОЖЕНИЕ ПЕДАЛИ СЦЕПЛЕНИЯ) ЦЕПЬ ЗАЗЕМЛЕНИЯ ДЛЯ ОБРЫВА
  • Отключить Переключатель CPP C2353 .
  • Мера:
    Нажмите, чтобы отобразить соединители
    Положительный вывод Измерение/действие Отрицательный вывод
    C2353-2 Земля

Сопротивление меньше 3 Ом?
Да ПЕРЕЙДИТЕ к A21
Нет ОТРЕМОНТИРУЙТЕ цепь.

A21 ПРОВЕРЬТЕ КПП (ПОЛОЖЕНИЕ ПЕДАЛИ СЦЕПЛЕНИЯ) ЦЕПЬ ПЕРЕКЛЮЧАТЕЛЯ НА ОБРЫВ
  • Мера:
    Нажмите, чтобы отобразить соединители
    Положительный вывод Измерение/действие Отрицательный вывод
    C1915B-30 C2353-1

Сопротивление меньше 3 Ом?
Да ПЕРЕЙДИТЕ к A22
Нет ОТРЕМОНТИРУЙТЕ цепь.

A22 ПРОВЕРЬТЕ НИЖНЮЮ ЦЕПЬ ХОДА СЦЕПЛЕНИЯ НА КОРОТКОЕ ЗАМЫКАНИЕ НА МАССУ
  • Зажигание ВЫКЛ.
  • Отключить РФА C3503B .
  • Отключить ПКМ C1915B .
  • Мера:
    Нажмите, чтобы отобразить соединители
    Положительный вывод Измерение/действие Отрицательный вывод
    C1915B-30 Земля

Сопротивление больше 10000 Ом?
Да ПЕРЕЙДИТЕ к A23
Нет ОТРЕМОНТИРУЙТЕ цепь.

A23 ПРОВЕРЬТЕ ПРАВИЛЬНОСТЬ PCM (МОДУЛЬ УПРАВЛЕНИЯ ТРАНСМИССИИ) ЭКСПЛУАТАЦИЯ
  • Зажигание ВЫКЛ.
  • Отсоедините и проверьте все разъемы PCM.
  • Ремонт:
    • коррозия (установите новые разъемы или клеммы - очистите контакты модуля)
    • поврежденные или согнутые контакты - установите новые клеммы/контакты
    • выталкиваемые штифты - при необходимости установите новые штифты
  • Подсоедините разъемы PCM. Убедитесь, что они установлены и зафиксированы правильно.
  • Запустите систему и определите, сохраняется ли проблема.

Беспокойство все еще присутствует?
Да ПРОВЕРЬТЕ в OASIS любые применимые бюллетени технического обслуживания (TSB). Если TSB существует для этой проблемы, ПРЕКРАТИТЕ этот тест и СЛЕДУЙТЕ TSB инструкции. Если бюллетени технического обслуживания (TSB) не касаются этого беспокойство,
Нажмите здесь, чтобы получить доступ к управляемой процедуре (PCM).
Нет В настоящее время система работает корректно. беспокойство могло быть вызвано соединениями модулей. АДРЕС корень причина любых проблем с разъемом или контактами.


Необычный шум стартера

Нормальная работа и неисправности

Правильный Работа стартера зависит от правильного монтажа стартера на двигатель, совместите зубчатый венец стартера с гибкой пластиной и правильно функционирование узла стартера (внутренние шестерни, подшипники).

Возможные источники

  • Двигатель
  • Пусковой двигатель
  • Крепление стартера

Визуальный осмотр и предварительная диагностика

  • Осмотрите стартер.
  • Осмотрите крепление стартера.

ТОЧНЫЙ ТЕСТ B: НЕОБЫЧНЫЙ ШУМ СТАРТЕРА
B1 ПРОВЕРЬТЕ КРЕПЛЕНИЕ СТАРТЕРА
  • Осмотрите болты крепления стартера на предмет ослабления.

Правильно ли установлен стартер?
Да ПЕРЕЙТИ к B2
Нет УСТАНОВИТЕ стартер правильно.
СМ.: Стартер (Система запуска 303-06B — 1,6 л EcoBoost (132 кВт/180 л. с.) — Sigma, Снятие и установка).

B2 ПРОВЕРКА ШУМА ДВИГАТЕЛЯ
  • Зажигание ВЫКЛ.
  • Подключите дистанционный выключатель стартера между соленоидом стартера C197A-1 (клемма "B") и C197B-1 (клемма "B").
  • Включите стартер и убедитесь, что шум вызван работой стартера.

Шум из-за включения стартера?
Да
СМ.: Шестерня привода стартера и зубчатый венец маховика Осмотр (система запуска 303-06B — 1,6 л EcoBoost (132 кВт/180 л. с.) — Сигма, общие процедуры).
Нет
СМ.: Двигатель (303-00 Система двигателя — общая информация, диагностика и проверка).
продолжить диагностику.


B10E5:11


Информацию о схемах и разъемах см. в ячейке 23 электрических схем.

Нормальная работа и неисправности

Цепь управления пробуждением пробуждает PCM до запуска двигателя. ПКМ должен проснуться до запроса запуска, чтобы у него было время пройти его инициализация. Цепь управления пробуждением управляется BCM. BCM активирует цепь управления пробуждением, когда: открыта дверь водителя. ключ вставляется в замок зажигания. или при включенном зажигании или положение СТАРТ.


Условия срабатывания неисправности DTC


код неисправности Описание Условия срабатывания отказа
B10E5:11 Сигнал пробуждения PCM: короткое замыкание на массу Устанавливается BCM при обнаружении короткого замыкания на массу в цепи управления активацией.

Возможные источники

  • млрд кубометров
  • ПКМ
  • Проводка, клеммы или разъемы

ТОЧНЫЙ ТЕСТ C: B10E5:11
C1 ПРОВЕРЬТЕ PCM (МОДУЛЬ УПРАВЛЕНИЯ ТРАНСМИССИИ) КОРОТКОЕ ЗАМЫКАНИЕ НА ЗЕМЛЮ
  • Зажигание ВЫКЛ.
  • Отключить ПКМ C1915B .
  • Зажигание включено.
  • С помощью диагностического сканера сотрите коды неисправности (DTC) непрерывной диагностики BCM.
  • С помощью диагностического сканера выполните самопроверку BCM.

Является ли BCM Диагностический код неисправности B10E5:11 присутствует?
Да ПЕРЕЙТИ на С2
Нет ПЕРЕЙТИ на С6

C2 ПРОВЕРЬТЕ PCM (МОДУЛЬ УПРАВЛЕНИЯ ТРАНСМИССИИ) ЦЕПЬ СИГНАЛА ПРОБУЖДЕНИЯ ПРИ КОРОТКОЕ ЗАМЫКАНИЕ НА НАПРЯЖЕНИЕ
  • Зажигание ВЫКЛ.
  • Отключить млрд кубометров C2280D .
  • Зажигание включено.
  • Мера:
    Нажмите, чтобы отобразить соединители
    Положительный вывод Измерение/действие Отрицательный вывод
    C1915B-28 Земля

Напряжение есть?
Да ОТРЕМОНТИРУЙТЕ цепь.
Нет ПЕРЕЙТИ на С3

C3 ПРОВЕРЬТЕ PCM (МОДУЛЬ УПРАВЛЕНИЯ ТРАНСМИССИИ) ЦЕПЬ СИГНАЛА ПРОБУЖДЕНИЯ ПРИ КОРОТКОЕ ЗАМЫКАНИЕ НА МАССУ
  • Зажигание ВЫКЛ.
  • Мера:
    Нажмите, чтобы отобразить соединители
    Положительный вывод Измерение/действие Отрицательный вывод
    C1915B-28 Земля

Сопротивление больше 10000 Ом?
Да ПЕРЕЙТИ на С4
Нет ОТРЕМОНТИРУЙТЕ цепь.

C4 ПРОВЕРЬТЕ PCM (МОДУЛЬ УПРАВЛЕНИЯ ТРАНСМИССИИ) ЦЕПЬ СИГНАЛА ПРОБУЖДЕНИЯ ДЛЯ ОБРЫВА
  • Зажигание ВЫКЛ.
  • Мера:
    Нажмите, чтобы отобразить соединители
    Положительный вывод Измерение/действие Отрицательный вывод
    C1915B-28 C2280D-9

Сопротивление меньше 3 Ом?
Да ПЕРЕЙТИ на С5
Нет ОТРЕМОНТИРУЙТЕ цепь.

C5 ПРОВЕРЬТЕ ПРАВИЛЬНОСТЬ BCM (МОДУЛЬ УПРАВЛЕНИЯ КУЗОВА) ЭКСПЛУАТАЦИЯ
  • Зажигание ВЫКЛ.
  • Отсоедините и осмотрите все разъемы BCM.
  • Ремонт:
    • коррозия (установите новые разъемы или клеммы - очистите контакты модуля)
    • поврежденные или согнутые контакты - установите новые клеммы/контакты
    • выталкиваемые штифты - при необходимости установите новые штифты
  • Подсоедините разъемы BCM. Убедитесь, что они установлены и зафиксированы правильно.
  • Запустите систему и определите, сохраняется ли проблема.

Беспокойство все еще присутствует?
Да ПРОВЕРЬТЕ в OASIS любые применимые бюллетени технического обслуживания (TSB). Если TSB существует для этой проблемы, ПРЕКРАТИТЕ этот тест и СЛЕДУЙТЕ TSB инструкции. Если ни один TSB не решит эту проблему, УСТАНОВИТЕ новый BCM.
СМ.: Блок управления кузовным оборудованием (BCM) (419-10 Многофункциональные электронные модули, Снятие и установка).
Нет В настоящее время система работает корректно. беспокойство могло быть вызвано соединениями модулей. АДРЕС корень причина любых проблем с разъемом или контактами.

C6 ПРОВЕРЬТЕ ПРАВИЛЬНОСТЬ PCM (МОДУЛЬ УПРАВЛЕНИЯ ТРАНСМИССИИ) ЭКСПЛУАТАЦИЯ
  • Зажигание ВЫКЛ.
  • Отсоедините и проверьте все разъемы PCM.
  • Ремонт:
    • коррозия (установите новые разъемы или клеммы - очистите контакты модуля)
    • поврежденные или согнутые контакты - установите новые клеммы/контакты
    • выталкиваемые штифты - при необходимости установите новые штифты
  • Подсоедините разъемы PCM. Убедитесь, что они установлены и зафиксированы правильно.
  • Запустите систему и определите, сохраняется ли проблема.

Беспокойство все еще присутствует?
Да ПРОВЕРЬТЕ в OASIS любые применимые бюллетени технического обслуживания (TSB). Если TSB существует для этой проблемы, ПРЕКРАТИТЕ этот тест и СЛЕДУЙТЕ TSB инструкции. Если бюллетени технического обслуживания (TSB) не касаются этого беспокойство,
Нажмите здесь, чтобы получить доступ к управляемой процедуре (PCM).
Нет В настоящее время система работает корректно. беспокойство могло быть вызвано соединениями модулей. АДРЕС корень причина любых проблем с разъемом или контактами.


Тест(ы) компонентов

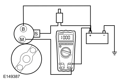
Стартер — положительный тест цепи

ПРИМЕЧАНИЕ: Всегда подключайте цифровой мультиметр к клемму компонента, а не на конец разъема со стороны проводки. Выполнение соединения со стороны проводки разъема может привести к ложные показания, потому что счетчик не улавливает высокое сопротивление между разъемом проводки и компонентом.

  1. Убедитесь, что аккумулятор полностью заряжен.
    СМ.: Зарядка аккумулятора (414-01 Аккумулятор, монтаж и кабели, общие процедуры).
  1. Выполните тест на разряд батареи.
    СМ.: Проверка разрядки аккумулятора (414-01 Аккумулятор, монтаж и кабели, общие процедуры).
  1. Подсоедините дистанционный выключатель стартера между клеммой «S» соленоида стартера и положительной клеммой аккумуляторной батареи.
  1. Подсоедините положительный провод цифрового мультиметра к положительный полюс батареи. Подсоедините отрицательный провод к соленоиду стартера. Терминал «М».
  1. Установите рычаг выбора передач в положение Park или Neutral.
  1. Включите дистанционный выключатель стартера. Считайте и запишите напряжение. Показание напряжения должно быть 0,5 вольта или меньше.
  1. Если показание напряжения составляет 0,5 В или меньше, выполните в этом разделе проверку цепи стартера — заземления.
  1. Показание напряжения выше 0,5 вольт, это индикация чрезмерного сопротивления в соединениях, положительный провод аккумуляторной батареи или в соленоиде стартера. Снимите кабели с электромагнитные клеммы "B", "S" и "M". Очистите кабели и соединения и переустановите кабели к правильным клеммам. Повторите шаги 3 через 6.
  1. Если показания напряжения все еще больше 0,5 вольта при проверке на клемме «М» переместите цифровой мультиметр в минус подведите к клемме «В» соленоида стартера и повторите шаг 5.
  1. Если показания напряжения на клемме «В» ниже 0,5 вольта, проблема в соединениях соленоида стартера или в контактах соленоида. Установите новый стартер.
    СМ.: Стартер (Система запуска 303-06B — 1,6 л EcoBoost (132 кВт/180 л. с.) — Sigma, Снятие и установка).
  1. Если показания напряжения на соленоиде "В" клемме больше 0,5 В после очистки кабелей и соединения на соленоиде, проблема в положительном аккумуляторе кабельное соединение или в самом положительном кабеле аккумуляторной батареи. Очистить подключение положительного кабеля аккумуляторной батареи. Если это не решит озабоченности, установите новый положительный кабель аккумуляторной батареи.

Стартер — проверка цепи заземления

Медленное вращение может быть вызвано сопротивлением земли или обратная часть цепи запуска. Эта процедура проверяет падение напряжения в цепи заземления.

  1. Подсоедините дистанционный выключатель стартера между клеммой «S» соленоида стартера и положительной клеммой аккумуляторной батареи.
  1. Подсоедините положительный провод цифрового мультиметра к корпус стартера (соединение должно быть чистым, без ржавчины или смазка). Подсоедините отрицательный провод к отрицательной клемме аккумулятора.
  1. Установите рычаг выбора передач в положение Park или Neutral.
  1. Включите дистанционный выключатель стартера и проверните двигатель. Считайте и запишите показания напряжения. Показания должны быть 0,5 вольта или меньше.
  1. Если показания напряжения больше 0,5 В, очистите отрицательные кабельные соединения на аккумуляторе, заземление кузова соединений и заземления стартера. Повторное тестирование.
  1. Если показание напряжения превышает 0,5 В, установите новый отрицательный кабель аккумуляторной батареи.
    СМ.: Датчик контроля батареи (414-01 Аккумулятор, Монтаж и кабели, Снятие и установка).
  1. Если показания напряжения меньше 0,5 В, а двигатель по-прежнему медленно прокручивается, установите новый стартер.
    СМ.: Стартер (Система запуска 303-06B — 1,6 л EcoBoost (132 кВт/180 л. с.) — Sigma, Снятие и установка).

Starting System - Работа системы и описание компонентов. Описание и работа

С..

Осмотр ведущей шестерни стартера и зубчатого венца маховика. Общие процедуры

Активация См.: Стартер (Система запуска 303-06B — 1,6 л EcoBoost (132 кВт/180 л. с.) — Sigma, Снятие и установка). Проверьте характер износа ведущей шестерни стартера и зубчатый венец маховика или гибкой пластины...

Дополнительная информация:

Ford Fiesta 2014 - 2019 Руководство по техническому обслуживанию: Поворотная панель - 5-дверная. Снятие и установка


Специальные инструменты) / Общее оборудование Оборудование для точечной сварки сопротивлением Пистолет горячего воздуха Воздушная пила Сварочное оборудование MIG/MAG Сверло для точечной сварки Плоскогубцы Складное правило Материалы Имя Спецификация Клей для склеивания металлов TA-1, TA-1-B, 3M™ 08115, LORD Fusor® 108B, Henkel Teroson EP 5055 - Удаление ..

Руководство по обслуживанию Ford Fiesta 2014 - 2019: Программирование модуля SYNC [APIM]. Общие процедуры


Активация ПРЕДУПРЕЖДЕНИЕ: Перед началом любой сервисной процедуры в этом см. Меры предосторожности для здоровья и безопасности в разделе 100-00. Общая информация. Несоблюдение этой инструкции может привести к серьезная травма. См.: Меры предосторожности для здоровья и безопасности (100-00 Общая информация, описание и работа). Если будет новый APIM..

Категории

Тормозной барабан. Снятие и установка

Удаление

ПРИМЕЧАНИЕ: Действия по удалению в этой процедуре могут содержать сведения об установке.

ПРЕДУПРЕЖДЕНИЕ: Перед началом любой сервисной процедуры в этом руководство, см. предупреждения об опасности для здоровья и безопасности в разделе 100-00 Общие сведения. Информация. Несоблюдение этого указания может привести к серьезным личный вред.

См.: Меры предосторожности для здоровья и безопасности (100-00 Общая информация, описание и работа).
Снимите колесо и шину.
См.: Колеса и шины (204-04A Колеса и шины, Снятие и установка).

читать далее

Каталог запчастей к Ford Fiesta