Hyundai Elantra: система запуска / принципиальные схемы стартера

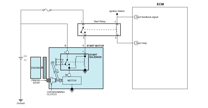
Принципиальная электрическая схема

Начальные компоненты и расположение компонентов
Компоненты 1. Передний кронштейн в сборе2. Узел магнитного переключателя3. Рычаг4. Редуктор в сборе5. Рычаг стоп6. Лист прокладки7. Хомут в сборе8. Сборка арматуры9. Сборка щеткодержателя ...
Порядок ремонта стартера
Удаление 1. Отсоедините отрицательную клемму аккумуляторной батареи. 2. Снимите лоток аккумулятора. (См. Электрическая система двигателя — «Аккумулятор») 3. Снимите воздуховод и воздушный фильтр в сборе. (См...
Дополнительная информация:

Hyundai Elantra AD (2016-2020) Руководство по эксплуатации: Распределение герметика
10. Немедленно проедьте примерно 4–6 миль (7–10 км или около 10 минут) до равномерно распределите герметик в шине. Не превышайте скорость 50 миль/ч (80 км/ч). По возможности не опускайтесь ниже скорости 12 миль в час (20 км/ч). Если во время вождения вы почувствуете какую-либо необычную вибрацию, езжайте...

Hyundai Elantra AD (2016-2020) Руководство по техническому обслуживанию: Процедуры ремонта задней ходовой пружины
Удаление 1. Слегка ослабьте колесные гайки. 2. Поднимите автомобиль и убедитесь, что он надежно закреплен. 3. Снимите заднее колесо и шину (А) с передней ступицы. Момент затяжки : 107,9 ~ 127,5 Н·м (11,0 ~ 13,0 кгс·м, 79,6 ~ 94,0 фунт-фут) • Будьте осторожны, не т...