Hyundai Genesis: система управления автоматическим освещением / принципиальные схемы

Принципиальная электрическая схема

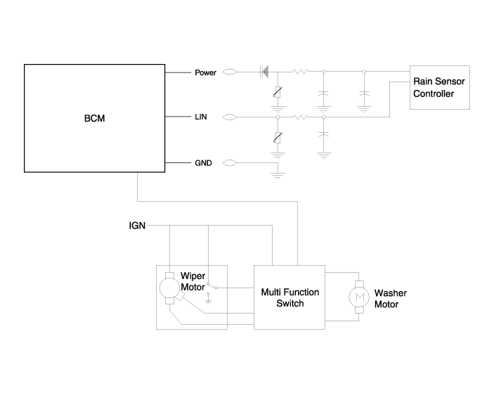
Компоненты и расположение компонентов
Расположение компонента 1. Датчик дождя (встроенный датчик автоматического освещения)2. Головные фонари3. Переключатель освещения (Авто)4. Задние фонари5. BCM (модуль управления кузовом) 6. SJB (интеллектуальный распределительный блок) ...
Описание и работа
Описание Встроенный датчик дождя Встроенный датчик дождя (А) управляет тремя системами: передним стеклоочистителем, автоматическим освещением и центральным кондиционером. 1. Система управления дворниками Когда сигнал переключателя «AUTO» я ...
Дополнительная информация:

Hyundai Genesis (DH) 2013-2016 Руководство по обслуживанию: Описание и работа датчика TPMS


Описание 1. Общее описание WU — это датчик, размещенный в шине, который сообщает о давлении и температуре. ВУ монтируется внутри колес, закрепляется на клапане. Угол между клапаном и корпусом ВУ переменный. Это позволяет адаптироваться к различным типам дисков. Колесо ...

Руководство по эксплуатации Hyundai Genesis (DH) 2013-2016: Условия срабатывания подушек безопасности


Передняя подушка безопасности Фронтальные подушки безопасности предназначены для раскрытия при лобовом столкновении в зависимости от интенсивность, скорость или угол последствия лобового столкновения. Боковые подушки безопасности и шторки безопасности Боковые подушки безопасности и шторки безопасности предназначен для надувания при ударе обнаружено стороной c ...