Hyundai Genesis: BCM (модуль управления кузовным оборудованием) / принципиальные схемы

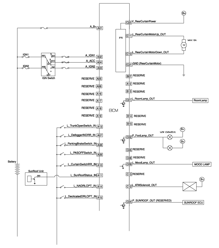
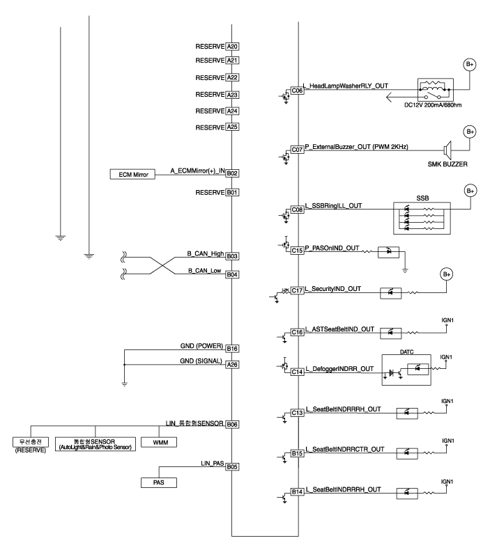
Принципиальная электрическая схема

Компоненты и расположение компонентов
Компоненты NOРазъем AРазъем BРазъем C1Аккумулятор +-Комнатная лампа Выход2IGN1ECM Зеркало +Подножка Выход3IGN2B CAN Высокий-4ACCB CAN Низкий-5-PAS (LIN)-6-Интегрированный датчик (LIN)L_Головной свет ...
Описание и работа
Описание Функция модуля управления кузовным оборудованием (BCM) Функция NOBCM1Охранная сигнализация2Обогреватель3Задняя шторка4Управление банкоматом5Хвостовой фонарь6H/Lamp Low/High7Welcom/Escort8Auto Light9Passing 10HBA11Передние/задние противотуманные ...
Дополнительная информация:

Hyundai Genesis (DH) 2013-2016 Service Manual: Ремонт номерных ламп


Удаление 1. Отсоедините отрицательную (-) клемму аккумуляторной батареи. 2. Снимите панель крышки багажника. (См. Кузов — «Задняя панель крышки багажника») 3. Снимите фонарь номерного знака, отсоединив зажим крепления фонаря номерного знака (A). 4. Снимите блок лампы номерного знака после отсоединения разъема номерного ...

Hyundai Genesis (DH) 2013-2016 Руководство по обслуживанию: Процедуры ремонта переднего сальника


Удаление 1. Снимите шкив коленчатого вала. (См. Система синхронизации - "Шкив коленчатого вала"). 2. Снимите сальник крышки цепи привода ГРМ (А). Монтаж 1. С помощью SST (09231-3C100) установите сальник крышки цепи привода ГРМ. Всегда используйте новый сальник. 2. Установите с...